Каталог запасных частей к технике: ММЗ Д-245.7E2. Насос топливный (773.1111005-20.05)
240-1002047-01
240-1111125-А1
1
2
3
4
4
5
6
7
8
9
10
11
11
12
12
13
14
15
16
17
18
19
20
21
22
23
24
25
26
27
27
28
29
30
31
32
32
33
33
33
33
33
34
34
34
34
35
35
36
37
37
37
37
38
39
40
41
42
43
44
45
46
46
46
47
47
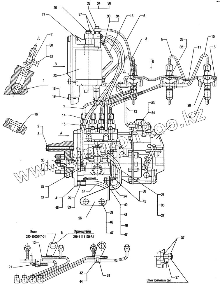
| Позиция на иллюстрации | Заводской номер детали | Название детали | |
|---|---|---|---|
| 245-1111000-И | 245-1111000-И | Установка топливной аппаратуры | |
| 240-1002047-01 | 240-1002047-01 | Болт | |
| 240-1111125-А1 | 240-1111125-А1 | Кронштейн | |
| 1 | 773.1111005-20.05 | Насос топливный | |
| 2 | M10-6gx120.88.35.016 | Болт | |
| 3 | 10.65Г.06 | Шайба | |
| 4 | 172.1112010-11.01 | Форсунка | |
| 4 | 455.1112010-50 | Форсунка | |
| 5 | M10-6gx30.88.35.016 | Болт | |
| 6 | 260-1104350-И | Трубка перепускная | |
| 7 | 245-1104300-Б | Топливопровод высокого давления 1-го цил. | |
| 8 | 245-1104300-Б-01 | Топливопровод высокого давления 2-го цил. | |
| 9 | 245-1104300-Б-02 | Топливопровод высокого давления 3-го цил. | |
| 10 | 245-1104300-Б-03 | Топливопровод высокого давления 4-го цил. | |
| 11 | 245-1104320-Б | Топливопровод дренажный | |
| 12 | 245-1104330-И | Трубка пневмокорректора | |
| 13 | 245-1104350 | Трубка перепускная | |
| 14 | 245-1104180-А-04 | Трубка топливная низкого давления (L=700 мм) | |
| 15 | 245-1104180-А-03 | Трубка топливная низкого давления | |
| 16 | 245-1111020 | Прокладка-экран | |
| 17 | 245-1117010-Д | Корпус | |
| 18 | M10-6gx20.88.35.016 | Болт | |
| 19 | 10 65Г06 | Шайба | |
| 20 | 245-1117105 | Штуцер с пробкой | |
| 21 | 240-1111030 | Колодка | |
| 22 | 240-3509150 | Маслопровод | |
| 23 | ФТО20-1117010 | Фильтр очистки топлива | |
| 24 | 260-1111109-Е | Кронштейн | |
| 25 | 260-3509232-01 | Штуцер | |
| 26 | 245-1111108-Д | Кронштейн | |
| 27 | 245-1111113 | Втулка защитная | |
| 28 | 245-1111145-А | Скоба | |
| 29 | 240-1104787 | Болт штуцера | |
| 30 | 240-1104787-Б | Болт штуцера | |
| 31 | 240-1111114 | Колодка | |
| 32 | 50-1022067 | Кольцо уплотнительное | |
| 33 | 36-1104788 | Кольцо | |
| 34 | 36-1104787 | Болт штуцера | |
| 35 | Д18-051-А | Болт | |
| 36 | Д18-052 | Штуцер | |
| 37 | Д-18-055-А | Кольцо уплотнительное | |
| 38 | M8-6gx20.88.35.016 | Болт | |
| 39 | M10-6gx20.88.35.016 | Болт | |
| 40 | M10-6gx25.88.35.016 | Болт | |
| 41 | M10-6gx35.88.35.016 | Болт | |
| 42 | М6-6Н.6.016 | Гайка | |
| 43 | М10-6Н.6.016 | Гайка | |
| 44 | 6.65Г.06 | Шайба | |
| 45 | 8.65Г.06 | Шайба | |
| 46 | 10.65Г.06 | Шайба | |
| 47 | 10.01.08кп.016 | Шайба |
Содержащиеся в справочниках-каталогах запасные части и детали не предлагаются к продаже, а носят исключительно информационный характер