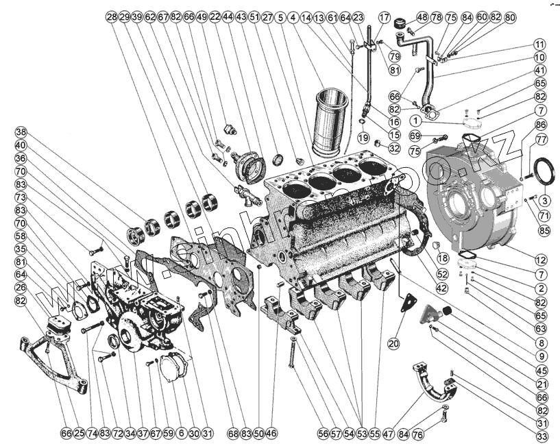
Каталог запасных частей к технике: ММЗ Д-245.30Е2-471. Подвеска и блок цилиндров
245-1002009-Б
1
2
3
4
4
5
6
7
7
8
9
10
11
12
13
14
15
16
17
18
19
21
22
23
25
26
27
28
29
30
31
31
32
33
34
35
36
37
38
39
40
41
42
43
44
45
46
47
48
49
50
51
52
53
54
55
56
57
58
59
60
61
62
63
64
64
65
65
66
66
66
66
67
67
68
69
70
70
71
72
73
74
75
75
76
77
78
79
80
81
81
82
82
82
82
82
82
82
83
83
83
83
84
84
85
86
| Позиция на иллюстрации | Заводской номер детали | Название детали | |
|---|---|---|---|
| 240-1002060-А-03 | 240-1002060-А-03 | Крышка распределения | |
| 245-1002009-Б | 245-1002009-Б | Блок цилиндров | |
| 50-1002045-Б | 50-1002045-Б | Опора картера | |
| 1 | 260.5-1002112 | КРЫШКА | |
| 2 | 260.5-1002112-01 | Крышка | |
| 3 | 260-1002305 | Манжета 110х135-12 | |
| 4 | 245-1002021-А3 | Гильза блока цилиндров | |
| 4 | 245-1002021-А1-12 | Гильза блока цилиндров | |
| 5 | 245-1002022-А | Кольцо гильзы | |
| 6 | 245-1002036-01 | Крышка | |
| 7 | 245-1002041 | Прокладка | |
| 8 | 245-1002042 | Пробка | |
| 9 | 245-1002051-Б1 | Трубка | |
| 10 | 245-1002085-Б1 | Горловина маслозаливная | |
| 11 | 245-1002087 | Упор | |
| 12 | 245-1002312-Д | Картер маховика | |
| 13 | 245-1002315 | Указатель уровня масла | |
| 14 | 245-1002322 | Трубка указателя уровня масла | |
| 15 | 245-1002323 | Штуцер | |
| 16 | 245-1002324 | Гайка упорная | |
| 17 | 245-1002327-Б | Планка | |
| 18 | 245-1002331 | Пробка | |
| 19 | 245-1002333 | Прокладка | |
| 20 | 245-1002506 | Прокладка | |
| 21 | 245-1002650-А | Фланец подводящий | |
| 22 | 245-1118020-А | Крышка | |
| 23 | 245-1118052 | Хомут | |
| 25 | 240-1001015-А1 | Опора | |
| 26 | 240-1001025 | Амортизатор | |
| 27 | 240-1002015-А2-01 | Блок цилиндров | |
| 28 | 240-1002030 | Щит | |
| 29 | 240-1002033 | Прокладка | |
| 30 | 240-1002038 | Прокладка | |
| 31 | 240-1002044 | Штифт | |
| 32 | 240-1002046 | Штифт | |
| 33 | 240-1002049 | Прокладка | |
| 34 | 240-1002055 | Манжета | |
| 35 | 240-1002062 | Крышка | |
| 36 | 240-1002064-А | Прокладка | |
| 37 | 240-1002065-А-01 | Крышка распределения | |
| 38 | 240-1002067-А | Втулка | |
| 39 | 240-1002068-А | Втулка | |
| 40 | 240-1002069-А | Втулка | |
| 41 | 240-1002082-А1 | Прокладка горловины | |
| 42 | 240-1002314 | Прокладка | |
| 43 | 240-1002328 | Заглушка | |
| 44 | 240-1002444-А1 | Прокладка | |
| 45 | 240-1306038-А-04 | Заглушка | |
| 46 | 50-1002034 | Штифт установочный | |
| 47 | 50-1002042-В | Опора картера | |
| 48 | 50-1002290-Б-03 | Крышка маслозаливной горловины | |
| 49 | 50-1002318-Б | Рым | |
| 50 | 50-1002326-В | Заглушка | |
| 51 | 50-1002327-А1 | Пробка | |
| 52 | 50-1005019 | Штифт | |
| 53 | 50-1005140-Б | Крышка коренного подшипника | |
| 54 | 50-1005141-Б | Крышка 1-го подшипника | |
| 55 | 50-1005152-В | Крышка 5-го подшипника | |
| 56 | 50-1005159-Б1 | Болт | |
| 57 | 50-1005161 | Шайба | |
| 58 | 50-1021012 | Прокладка | |
| 59 | 50-1022067 | Кольцо уплотнительное | |
| 60 | 50-1401067 | Шайба | |
| 61 | 50-4609038 | Кольцо уплотнительное | |
| 62 | 130-1015370Б | Кран | |
| 63 | 4x32 | Шплинт | |
| 64 | М6-6gx16.88.35.019 | Болт | |
| 65 | М8-6gx16.88.35.019 | Болт | |
| 66 | М8-6gx20.88.35.019 | Болт | |
| 67 | М8-6gx25.88.35.019 | Болт | |
| 68 | М10-6gx20.88.35.019 | Болт | |
| 69 | М10-6gx25.88.35.019 | Болт | |
| 70 | М10-6gx30.88.35.019 | Болт | |
| 71 | М10-6gx40.88.35.016 | Болт | |
| 72 | М10-6gx45.88.35.019 | Болт | |
| 73 | М10-6gx60.88.35.019 | Болт | |
| 74 | М10-6gx75.88.35.019 | Болт | |
| 75 | М12-6gx20.88.35.019 | Болт | |
| 76 | М12-6gx35.88.35.019 | Болт | |
| 77 | М12-6gx45.88.35.016 | Болт | |
| 78 | М12-6gx90.88.35.019 | Болт | |
| 79 | М6-6Н.6.019 | Гайка | |
| 80 | М8-6Н.6.019 | Гайка | |
| 81 | 6.65Г.06 | Шайба | |
| 82 | 8.65Г.06 | Шайба | |
| 83 | 10.65Г.06 | Шайба | |
| 84 | 12.65Г.06 | Шайба | |
| 85 | 10.ОТ.65Г.06 | Шайба | |
| 86 | 12.ОТ.65Г.06 | Шайба |
Содержащиеся в справочниках-каталогах запасные части и детали не предлагаются к продаже, а носят исключительно информационный характер