Каталог запасных частей к технике: ММЗ Д-245. Корректор по наддуву
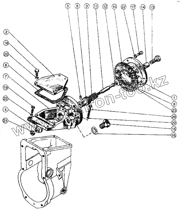
1
2
3
4
5
6
7
8
9
10
11
12
13
14
15
16
17
17
18
19
20
21
22
23
| Позиция на иллюстрации | Заводской номер детали | Название детали | |
|---|---|---|---|
| 3М-6gх20.58.05 | 3М-6gх20.58.05 | Болт | |
| 3М-6gх35.58.05 | 3М-6gх35.58.05 | Болт | |
| 4УТНМ-Т-1110500-01 | 4УТНМ-Т-1110500-01 | Корректор по наддуву | |
| 3М-6gх16.58.05 | 3М-6gх16.58.05 | Болт | |
| 1 | 4УТНМ-Т-1110501 | Крышка | |
| 2 | 4УТНМ-Т-1110502 | Крышка | |
| 3 | 4УТНМ-Т-1110503-10 | Пружина | |
| 4 | 4УТНМ-Т-1110504 | Упор | |
| 5 | 4УТНМ-Т-1110505 | Штифт | |
| 6 | 4УТНМ-Т-1110506 | Прокладка | |
| 7 | 4УТНМ-Т-1110511-10 | Корпус | |
| 8 | 4УТНМ-Т-1110512-20 | Втулка | |
| 9 | 4УТНМ-Т-1110520-10 | Диафрагма | |
| 10 | 4УТНМ-Т-1110522-10 | Тарелка | |
| 11 | 4УТНМ-Т-1110531-30 | Шток | |
| 12 | 4УТНМ-Т-1110532-10 | Тарелка | |
| 13 | 8МТНМ-1110573 | Болт штуцера | |
| 14 | 8МТНМ-1110574 | Втулка защитная | |
| 15 | УТН-5-1110402 | Пробка | |
| 16 | 16-006 | Прокладка | |
| 17 | М6-6gх20.88.019 | Болт | |
| 17 | ВМ6-6gх20.88.05 | Винт | |
| 18 | М6-6gх16.88.05 | Болт | |
| 19 | М6-6gх20.88.05 | Болт | |
| 20 | М6-6gх35.88.05 | Болт | |
| 21 | М6-6Н.6А.019 | Гайка | |
| 22 | 6Т.65Г.05 | Шайба | |
| 23 | 2,5х5,37-1 | Заклепка |
Содержащиеся в справочниках-каталогах запасные части и детали не предлагаются к продаже, а носят исключительно информационный характер