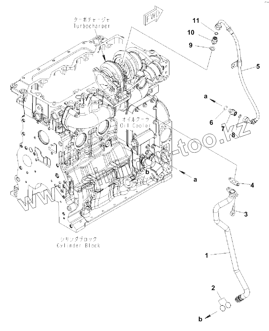
Каталог запасных частей к технике: Komatsu SAA4D107E-1A. TURBOCHARGER OIL PIPING
6751-51-8200
6732-51-8180
6751-51-8180
1
2
3
4
5
6
7
8
9
10
11
| Позиция на иллюстрации | Заводской номер детали | Название детали | |
|---|---|---|---|
| 6751-51-8200 | 6751-51-8200 | Tube assembly | |
| 6732-51-8180 | 6732-51-8180 | Connector, male | |
| 6751-51-8180 | 6751-51-8180 | Connector assembly | |
| 1 | 6751-51-8130 | Tube | |
| 2 | 6732-51-8330 | O-RING | |
| 3 | 6216-84-9220 | Screw | |
| 4 | 6751-51-7690 | Gasket | |
| 5 | 6751-51-8220 | Hose | |
| 6 | 6736-51-8710 | O-RING | |
| 7 | 6732-51-8280 | Connector | |
| 8 | 6732-81-8860 | O-ring | |
| 9 | 6737-51-8770 | Washer | |
| 10 | 6732-51-8280 | Connector | |
| 11 | 6732-81-8860 | O-ring |
Содержащиеся в справочниках-каталогах запасные части и детали не предлагаются к продаже, а носят исключительно информационный характер