Вернуться на главную
Поиск
Каталоги запчастей к технике
Двигатели
Komatsu
SAA4D107E-1A
REAR GEAR HOUSING
Каталог запасных частей к технике: Komatsu SAA4D107E-1A. REAR GEAR HOUSING
zoom-in
zoom-out
enlarge
shrink
circle-right
circle-left
file-text2
info
cart
Тип техники
Не выбрано
Легковые автомобили
Грузовые автомобили и прицепы
Автобусы
Сельхозтехника
Спецтехника
Двигатели
Мототехника
Марка
Не выбрано
BAW
Caterpillar
Cummins
DCEC
DongFeng
Doosan
FAW
Great Wall
Hitachi
HOWO
HSW
IVECO
Komatsu
LGMG
Perkins
Raywin
SDEC
Shaanxi
Valmet
Weichai
XINCHAI
YTO
Yuchai
ZF
Алтайдизель
Барнаултрансмаш
ВТЗ
ГАЗ
ЗиД
ЗМЗ
Камский автозавод
ММЗ
СМД
ТМЗ
УМЗ
ЧТЗ
ЮМЗ
ЯЗДА
ЯМЗ
Модель
Не выбрано
SA4D102E-1AB (2015)
SAA4D102E-2-PW (2015)
SAA4D107E-1A (2015)
Схема
>
Не выбрано
ENGINE
LIFTING BRACKETS AND MOUNTING PARTS
HEAD COVER (SN: 21714587 - 21967624)
HEAD COVER (SN: 21969419 - )
BREATHER
AIR INTAKE CONNECTOR
AIR INTAKE HEATER
EXHAUST MANIFOLD
TURBOCHARGER
TURBOCHARGER OIL PIPING
AIR INTAKE COVER
AIR TRANSFER CONNECTION
THERMOSTAT AND WATER OUTLET CONNECTOR
CYLINDER BLOCK (1/2)
CYLINDER BLOCK (2/2)
PLUG (TORQUE CONVERTER COOLING)
FRONT GEAR COVER
CYLINDER BLOCK BLIND PLUG
REAR GEAR COVER FITTING PARTS
REAR GEAR HOUSING
ACCESSORY DRIVE PULLEY
OIL PAN
OIL PAN DRAIN
OIL LEVEL SENSOR
OIL LEVEL GAUGE
OIL PUMP
OIL FILTER
OIL COOLER
FLYWHEEL HOUSING
FLYWHEEL AND MOUNTING
CRANKSHAFT
DAMPER
PISTON AND CONNECTING ROD
ROCKER ARM
CAMSHAFT
FUEL SYSTEM RELATED PARTS
FUEL FILTER
FUEL FILTER PIPING
FUEL PIPING
FUEL SYSTEM COVER
COMMON RAIL
INJECTOR
FUEL INJECTION CONTROLLER
FUEL INJECTION CONTROLLER RELATED PARTS
WATER PUMP
WATER INLET CONNECTOR
COOLING FAN DRIVE PULLEY
FAN SPACER
ALTERNATOR (60A)
ALTERNATOR (60A) (INNER PARTS)
COOLING FAN BELT
ALTERNATOR MOUNTING
BELT TENSIONER
STARTING MOTOR (4.5KW)
STARTING MOTOR (4.5KW) (INNER PARTS)
STARTING MOTOR MOUNTING (4.5KW)
WIRING (ENGINE HARNESS)
REPAIR PARTS
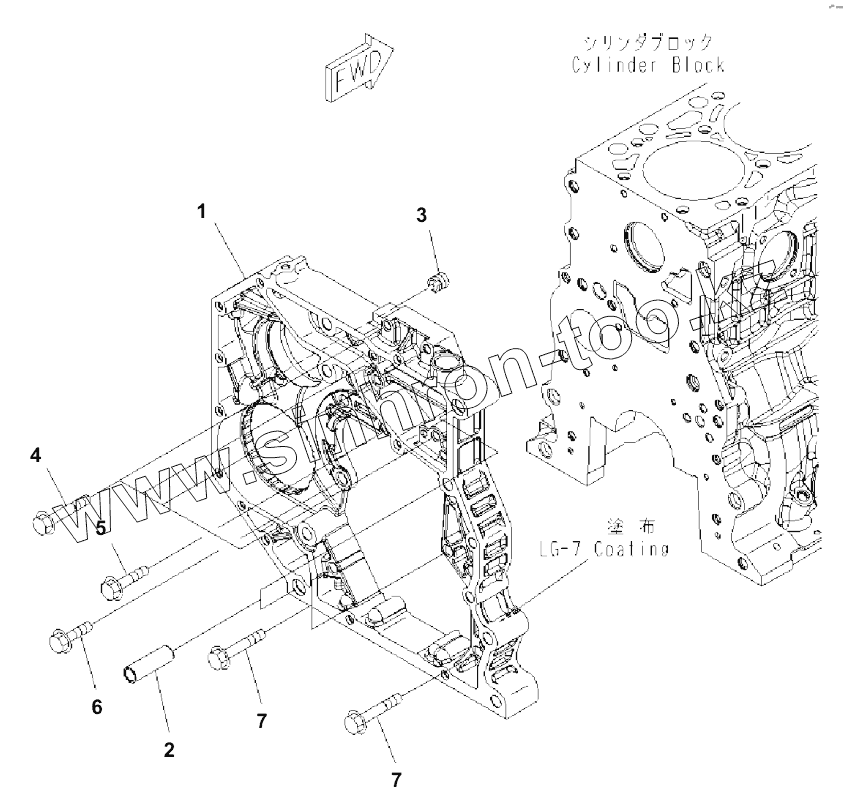
6754-21-3102
1
2
3
4
5
6
7
7
Позиция на иллюстрации
Заводской номер детали
Название детали
6754-21-3102
6754-21-3102
Housing assembly
1
HOUSING
HOUSING
2
6754-21-3120
Dowel, ring
3
6754-21-3150
Insert
4
6735-61-2120
BOLT
5
01435-61030
Bolt
6
6732-11-1720
BOLT
7
6754-21-3140
Screw
8
09920-00150
LIQUID GASKET
Содержащиеся в справочниках-каталогах запасные части и детали не предлагаются к продаже, а носят исключительно информационный характер
Дополнительная информация
×
Название:
Номер:
Примечание: