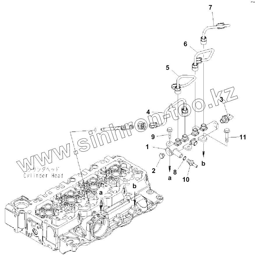
Каталог запасных частей к технике: Komatsu SAA4D107E-1A. COMMON RAIL
6751-71-1210
1
2
3
4
5
6
7
8
9
10
11
| Позиция на иллюстрации | Заводской номер детали | Название детали | |
|---|---|---|---|
| 6751-71-1210 | 6751-71-1210 | Rail assembly | |
| 1 | RAIL | Rail | |
| 2 | 6754-72-1220 | Valve | |
| 3 | 6754-72-1211 | Sensor | |
| 4 | 6754-71-5220 | Tube, injector fuel supply | |
| 5 | 6751-71-5220 | Tube, injector fuel supply | |
| 6 | 6754-71-5230 | Tube, injector fuel supply | |
| 7 | 6754-71-5240 | Tube, injector fuel supply | |
| 8 | 6732-71-5350 | Washer | |
| 9 | 6732-21-5160 | BOLT | |
| 10 | 6754-71-5340 | Connector, qck disconnect | |
| 11 | 6754-72-1211 | Bolt |
Содержащиеся в справочниках-каталогах запасные части и детали не предлагаются к продаже, а носят исключительно информационный характер