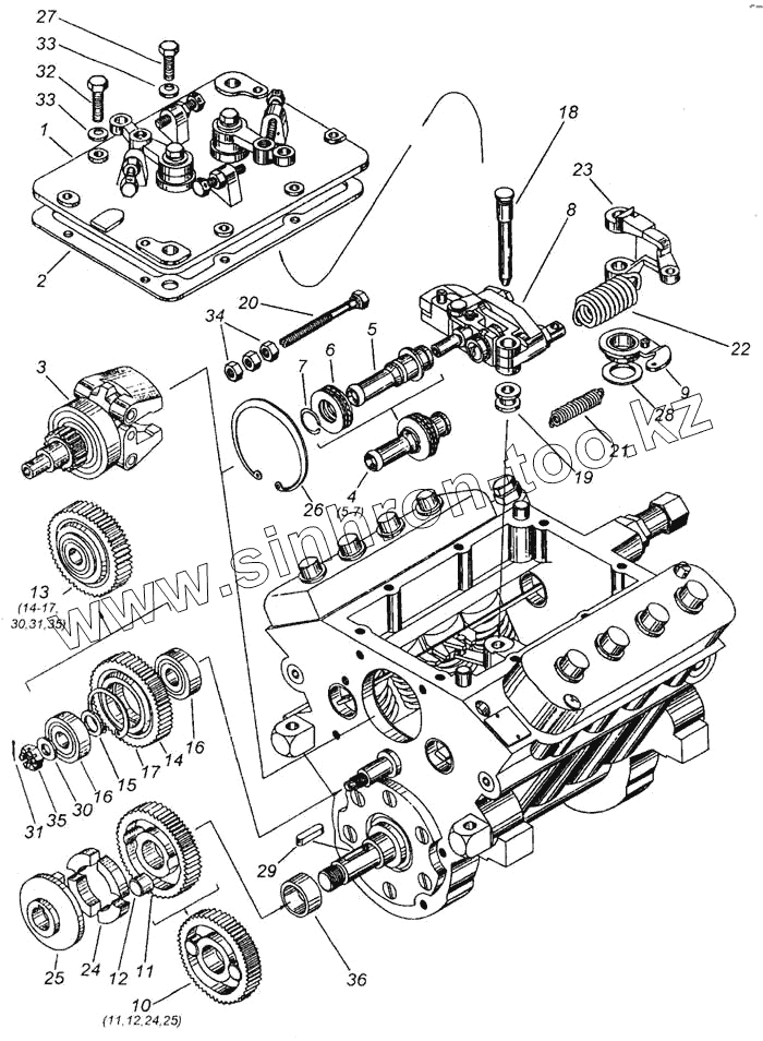
Каталог запасных частей к технике: Камский автозавод 740.14-300 (Евро 1). Регулятор частоты вращения
1
2
3
4
5
6
7
8
9
10
11
12
13
14
15
16
16
17
18
19
20
21
22
23
24
25
26
27
28
29
30
31
32
33
33
34
35
36
| Позиция на иллюстрации | Заводской номер детали | Название детали | |
|---|---|---|---|
| 1 | 33.1110024 | Крышка регулятора верхняя в сборе | |
| 2 | 33.1110026 | Прокладка верхней крышки регулятора | |
| 3 | 333.1110040 | Державка грузов регулятора в сборе | |
| 4 | 33.1110060 | Муфта регулятора | |
| 5 | 33.1110062 | Муфта регулятора | |
| 6 | 33.1110618 | Подшипник 8103 | |
| 7 | 1/34008/73 | Кольцо 16 стопорное | |
| 8 | 332.1110160-50 | Рычаги с корректорами | |
| 9 | 33.1110505 | Рычаг стартовой пружины | |
| 10 | 33.1110515-10 | Шестерня регулятора ведущая | |
| 11 | 33.1110516 | Шестерня | |
| 12 | 33.1110519-10 | Вставка | |
| 13 | 33.1110670 | Шестерня промежуточная в сборе | |
| 14 | 33.1110672 | Шестерня | |
| 15 | 870627-П29 | Шайба 12 | |
| 16 | 33.1110624 | Подшипник 201 | |
| 17 | 33.1110682 | Кольцо пружинное упорное | |
| 18 | 33.1110088 | Ось рычага регулятора | |
| 19 | 33.1110089 | Втулка дистанционная | |
| 20 | 33.1110429 | Болт регулировочный | |
| 21 | 332.1110448 | Пружина рычага реек | |
| 22 | 33.1110462-10 | Пружина регулятора | |
| 23 | 33.1110466 | Рычаг пружины | |
| 24 | 33.1110517-10 | Сухарь ведущей шестерни | |
| 25 | 33.1110521 | Фланец ведущей шестерни | |
| 26 | 33.1110684 | Кольцо пружинное упорное | |
| 27 | 870003-П29 | Болт М6-6gх20 | |
| 28 | 870456-П15 | Шайба 16 | |
| 29 | 870800-П | Шпонка | |
| 30 | 1/05196/01 | Шайба плоская 8х17 | |
| 31 | 1/07344/01 | Шплинт разводной 2х25 | |
| 32 | 1/09026/21 | Болт М6-6gх25 | |
| 33 | 1/11977/71 | Шайба коническая пружинная 6х12 | |
| 34 | 1/58962/11 | Гайка ЕМ6-6Н | |
| 35 | 1/61056/11 | Гайка М8-6Н | |
| 36 | 33.1110545 | Втулка упорная ведущей шестерни |
Содержащиеся в справочниках-каталогах запасные части и детали не предлагаются к продаже, а носят исключительно информационный характер