Вернуться на главную
Поиск
Каталоги запчастей к технике
Двигатели
Камский автозавод
740.11-240 (Евро 1)
Установка масляного насоса
Каталог запасных частей к технике: Камский автозавод 740.11-240 (Евро 1). Установка масляного насоса
zoom-in
zoom-out
enlarge
shrink
circle-right
circle-left
file-text2
info
cart
Тип техники
Не выбрано
Легковые автомобили
Грузовые автомобили и прицепы
Автобусы
Сельхозтехника
Спецтехника
Двигатели
Мототехника
Марка
Не выбрано
BAW
Caterpillar
Cummins
DCEC
DongFeng
Doosan
FAW
Great Wall
Hitachi
HOWO
HSW
IVECO
Komatsu
LGMG
Perkins
Raywin
SDEC
Shaanxi
Valmet
Weichai
XINCHAI
YTO
Yuchai
ZF
Алтайдизель
Барнаултрансмаш
ВТЗ
ГАЗ
ЗиД
ЗМЗ
Камский автозавод
ММЗ
СМД
ТМЗ
УМЗ
ЧТЗ
ЮМЗ
ЯЗДА
ЯМЗ
Модель
Не выбрано
740.11-240 (Евро 1) (2002)
740.11-240, 740.31-240 (2006)
740.13-260 (Евро 1) (2002)
740.14-300 (Евро 1) (2002)
740.30-260 (Евро 2) (2004)
740.31-240 (Евро 2) (2004)
740.60-360 (Евро 3) (2007)
740.61-320 (Евро 3) (2007)
740.62-280 (Евро 3) (2007)
740.63-400 (Евро 3) (2007)
7403.10-260 (Евро 0) (2002)
Схема
>
Не выбрано
Двигатель
Комплекты для запасных частей
Комплекты для запасных частей
Комплекты для запасных частей
Комплекты для запасных частей
Комплекты для запасных частей
Установка картера маховика
Картер маховика в сборе
Установка фиксатора маховика
Блок цилиндров
Блок цилиндров
Блок цилиндров (комплект для запасных частей)
Блок цилиндров
Установка форсунки охлаждения поршня
Клапан форсунки охлаждения поршня в сборе
Привод распределительного вала и топливного насоса
Поршень с шатуном и кольцами в сборе
Установка коленчатого вала и маховика
Вал коленчатый
Маховик
Маховик в сборе
Установка газораспределительного механизма
Вал распределительный
Головка цилиндра
Головка цилиндра (комплект для запасных частей)
Головка цилиндра с втулками
Коромысло клапана в сборе
Картер масляный в сборе
Картер масляный в сборе
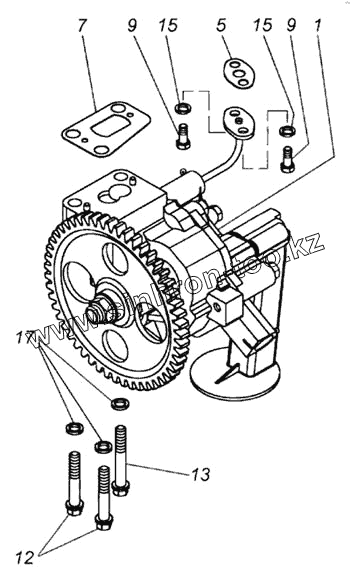
Установка масляного насоса
Установка масляного насоса
Масляный насос с маслозаборником в сборе
Масляный насос с маслозаборником в сборе
Масляный насос с шестерней в сборе
Комплект: насос масляный с шестерней (для запасных частей)
Масляный насос
Крышка масляного насоса с клапаном в сборе
Корпус масляного насоса
Крышка масляного насоса в сборе
Шестерня ведомая масляного насоса
Маслозаборник
Установка фильтра и теплообменника
Фильтр масляный с теплообменником
Фильтр очистки масла
Корпус масляного фильтра в сборе
Колпак фильтра очистки масла
Теплообменник масляный
Сердцевина в сборе
Установка системы вентиляции
Установка электромагнитного клапана
Установка газопровода
Установка и привод ТНВД
Вал привода ТНВД
Фильтр тонкой очистки топлива
Система питания двигателя
Система питания двигателя (ТНВД и форсунка)
Топливный насос низкого давления
Регулятор частоты вращения
Крышка регулятора верхняя в сборе
Насос предпусковой прокачки топлива
Державка грузов регулятора. Рычаги с корректорами
Топливный насос высокого давления
Корпус топливного насоса в сборе
Корпус топливного насоса в сборе
Секция топливного насоса
Форсунка
Муфта опережения впрыскивания топлива
Установка системы впуска
Установка турбокомпрессора
Установка системы охлаждения
Установка системы охлаждения
Коробка водяная
Труба водяная правая в сборе
Труба водяная левая в сборе
Насос водяной в сборе
Установка гидромуфты
Гидромуфта в сборе
Вал ведущий
Колесо ведущее гидромуфты в сборе
Колесо ведомое гидромуфты с ведомым валом
Корпус подшипника гидромуфты
Выключатель гидромуфты привода вентилятора
Клапан термосиловой в сборе
Установка насоса рулевого управления
Установка компрессора
Установка генератора
1
5
7
9
9
12
13
15
15
17
Позиция на иллюстрации
Заводской номер детали
Название детали
1
740.11-1011005-10
Насос масляный с маслозаборником в сборе
5
740.1011091
Прокладка фланца
7
740.1011200-10
Прокладка регулировочная
9
1/60434/21
Болт М8-6gх20
12
853041
Болт М10х1,25-6gх70
13
853042
Болт М10х1,25-6gх82
15
1/11980/73
Шайба пружинная коническая 8х15
17
1/05168/73
Шайба 10 пружинная
Содержащиеся в справочниках-каталогах запасные части и детали не предлагаются к продаже, а носят исключительно информационный характер
Дополнительная информация
×
Название:
Номер:
Примечание: