Каталог запасных частей к технике: Камский автозавод 7403.10-260 (Евро 0). Система питания двигателя
1
1
2
2
3
3
3
3
3
3
3
4
4
4
5
5
5
6
6
6
6
6
6
6
6
6
6
7
9
9
9
9
9
9
10
11
11
11
11
11
11
11
11
11
11
11
14
15
19
20
21
22
23
23
24
24
25
25
26
26
30
36
39
39
39
39
40
40
41
41
41
43
47
49
52
53
54
56
56
58
59
60
62
71
71
72
73
74
75
76
77
78
86
91
95
97
100
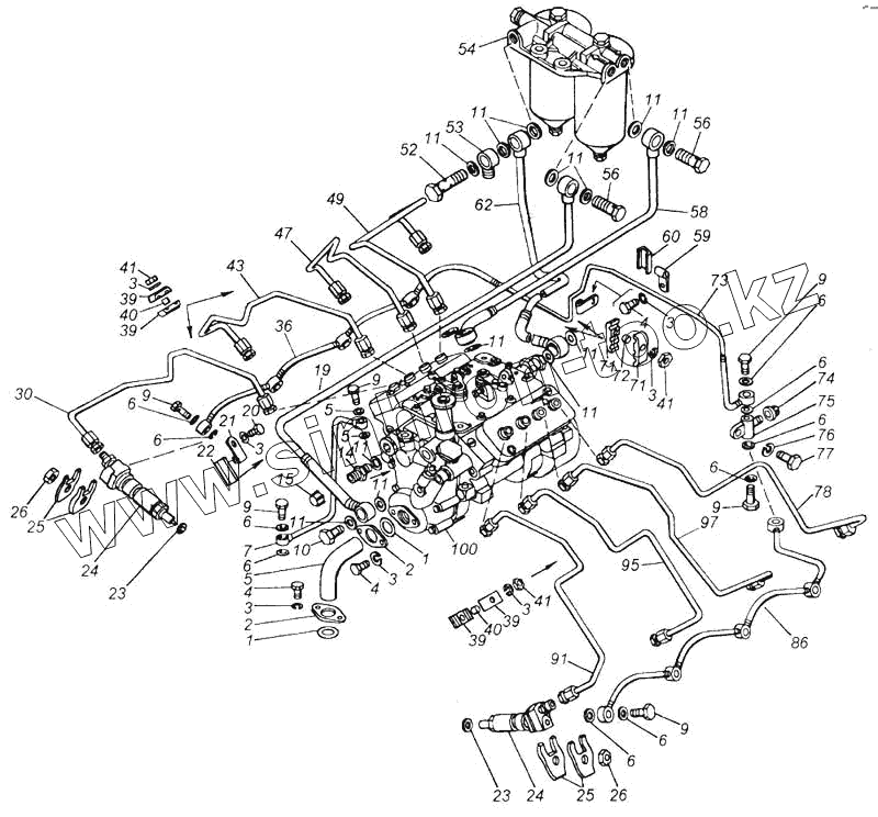
| Позиция на иллюстрации | Заводской номер детали | Название детали | |
|---|---|---|---|
| 1 | 740.1111578 | Кольцо уплотнительное крышки корпуса включателя | |
| 2 | 740.1111572 | Фланец трубы отвода масла | |
| 3 | 1/05166/73 | Шайба 8 пружинная | |
| 4 | 1/60432/21 | Болт М8-6gх16 | |
| 5 | 740.1111570 | Трубка отвода масла | |
| 6 | 1/02844/60 | Прокладка уплотнительная 10х16х1,5 | |
| 7 | 740.1111568 | Трубка подвода масла | |
| 9 | 870007 | Болт М10х1,25-6gх23 | |
| 10 | 870005 | Болт М14х1,5-6gх30 | |
| 11 | 1/02800/60 | Прокладка уплотнительная 14х20х1,5 | |
| 14 | 870963 | Штуцер | |
| 15 | 870825 | Пробка М16х1,5 транспортная | |
| 19 | 740.1104422 | Трубка | |
| 20 | 1/60434/21 | Болт М8-6gх20 | |
| 21 | 870920 | Кляммер 13 | |
| 22 | 740.3407034 | Прокладка | |
| 23 | 870638 | Шайба уплотнительная | |
| 24 | 271.1112010-01 | Форсунка в сборе | |
| 25 | 740.1112163 | Скоба крепления форсунки | |
| 26 | 1/21647/21 | Гайка М10х1,25-6Н | |
| 30 | 740.1104324 | Трубка топливная в сборе | |
| 36 | 7403.1104370 | Трубка дренажная форсунок правых головок блока | |
| 39 | 740.1104358 | Скоба крепления топливных трубок | |
| 40 | 740.1104473 | Втулка | |
| 41 | 1/61008/11 | Гайка М8х1,25-6Н | |
| 43 | 740.1104322 | Трубка топливная в сборе | |
| 47 | 740.1104320 | Трубка топливная в сборе | |
| 49 | 740.1104318 | Трубка топливная в сборе | |
| 52 | 870006 | Болт М14х1,5х65,5 | |
| 53 | 740.1104429 | Наконечник | |
| 54 | 740.1117010 | Фильтр тонкой очистки топлива в сборе | |
| 56 | 870022 | Болт М14х1,5-6gх48 | |
| 58 | 740.11-11104426 | Трубка топливная подводящая в сборе | |
| 59 | 740.1104336 | Прокладка | |
| 60 | 870931 | Кляммер | |
| 62 | 740.11-11104384 | Трубка низкого давления отводящая в сборе | |
| 71 | 740.1104458 | Скоба крепления топливных трубок | |
| 72 | 740.1104460 | Втулка | |
| 73 | 740.1104372 | Трубка топливная | |
| 74 | 870517 | Гайка колпачковая | |
| 75 | 740.1104353 | Тройник крепления топливных трубок | |
| 76 | 1/05168/73 | Шайба 10 пружинная | |
| 77 | 1/59707/21 | Болт М10х1,25-6gх25 | |
| 78 | 740.1104310 | Трубка топливная в сборе | |
| 86 | 7403.1104346 | Трубка топливная дренажная форсунок левых головок | |
| 91 | 740.1104316 | Трубка топливная в сборе | |
| 95 | 740.1104314 | Трубка топливная в сборе | |
| 97 | 740.1104312 | Трубка топливная в сборе | |
| 100 | 334.1111005 | Топливный насос высокого давления в сборе |
Содержащиеся в справочниках-каталогах запасные части и детали не предлагаются к продаже, а носят исключительно информационный характер