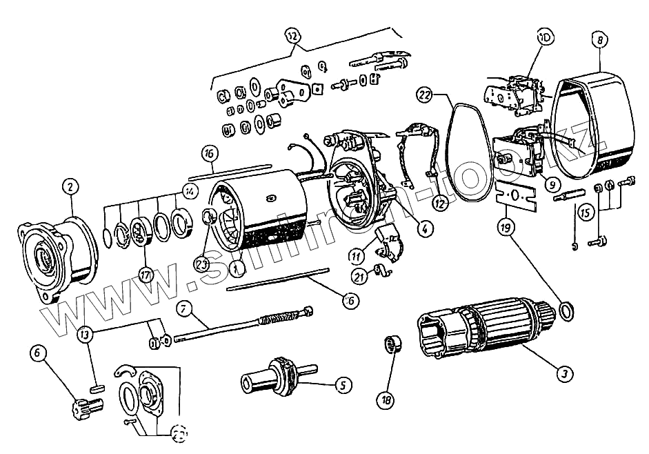
Каталог запасных частей к технике: HSW SW-680. Стартер R22-17
1
2
3
4
5
6
7
8
9
10
11
12
12
13
14
15
16
16
17
18
19
20
21
22
23
| Позиция на иллюстрации | Заводской номер детали | Название детали | |
|---|---|---|---|
| 1 | 001 100.0 | Корпус | |
| 2 | 871 500.0 | Передний диск | |
| 3 | 001 300.0 | Ротор | |
| 4 | 871 400.0 | Задний диск | |
| 5 | 871 700.1 | Муфта | |
| 6 | 871 703.0 | Гриб | |
| 7 | 001 750.0 | Толкатель | |
| 8 | 871 912.0 | Крышка | |
| 9 | 971 001.0 | Выключатель | |
| 10 | 981 001.0 | Реле | |
| 11 | 871 404.0 | Щетка | |
| 12 | 002 060.0 | Комплект зажимов | |
| 13 | 871 061.0 | Щиток крепления гриба | |
| 14 | 871 062.0 | Щиток ремонтный переднего диска | |
| 15 | 871 063.0 | Комплект крепления крышки | |
| 16 | 001.064.0 | Комплект стяжных болтов | |
| 17 | 871 510.0 | Подшипник | |
| 18 | 871 370.0 | Игольчатый подшипник | |
| 19 | 871 065.0 | Комплект изоляционных шайб | |
| 20 | 871 066.0 | Комплект несыщой крышки | |
| 21 | 871 405.1 | Пружина щеткова | |
| 22 | 871 922.0 | Резиновая прокладка | |
| 23 | 871 402.0 | Подшипник |
Содержащиеся в справочниках-каталогах запасные части и детали не предлагаются к продаже, а носят исключительно информационный характер