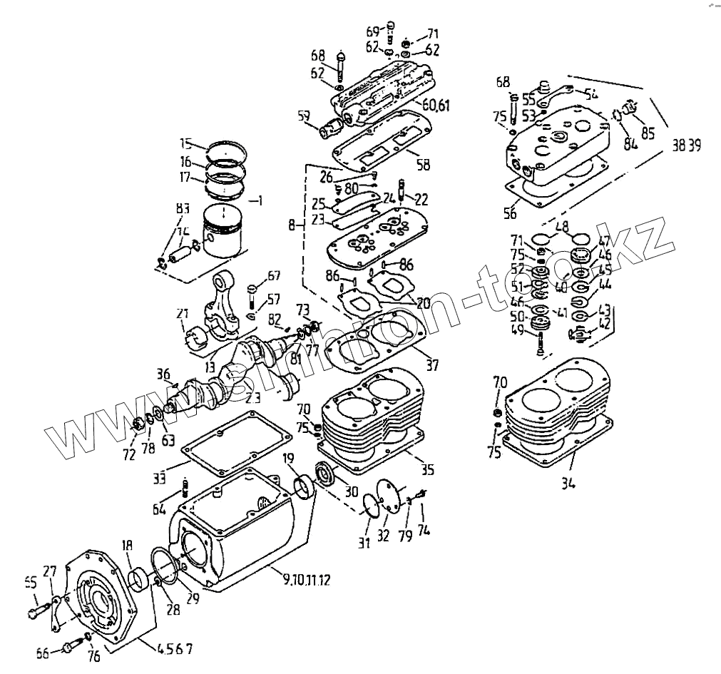
Каталог запасных частей к технике: HSW SW-680. Компрессор HS31
1
1
1
3
5
8
10
11
13
14
15
15
15
16
16
16
17
17
17
18
18
19
19
20
21
21
22
23
24
25
26
27
28
29
30
33
35
36
36
37
57
58
59
60
62
62
63
64
65
67
68
68
69
70
70
71
71
72
73
75
75
75
75
78
80
81
82
83
| Позиция на иллюстрации | Заводской номер детали | Название детали | |
|---|---|---|---|
| 1 | 440.15.00.0/75,5 | Поршень компл. 1 ремонтный размер | |
| 1 | 440.15.00.0/76 | Поршень компл. 2 ремонтный размер | |
| 1 | 440.15.00.0 | Поршень компл. | |
| 3 | 602.02.016.02.2 | Коленчатый вал | |
| 5 | 440.01.02.1 | Крышка компл. | |
| 8 | 602.07.004.02.0 | Плита клапанов компл. | |
| 10 | 602.05.001.02.1 | Корпус компл. | |
| 11 | Z12.2-FЕ/FG РN-77/М-82008 | Шайба | |
| 13 | 602.02.019.02.0 | Шатун компл. | |
| 14 | 442.15.02.0 | Поршневой палец | |
| 15 | 440.15.03.0 | Уплотнительное кольцо | |
| 15 | 440.15.03.0/75,5 | Уплотнительное кольцо 1 ремонтный размер | |
| 15 | 440.15.03.0/76 | Уплотнительное кольцо 2 ремонтный размер | |
| 16 | 440.15.04.0 | Уплотнительное кольцо | |
| 16 | 440.15.04.0/75,5 | Уплотнительное кольцо 1 ремонтный размер | |
| 16 | 440.15.04.0/76 | Уплотнительное кольцо 2 ремонтный размер | |
| 17 | 440.15.05.0 | Маслосборное кольцо | |
| 17 | 440.15.05.0/75,5 | Маслосборное кольцо 1 ремонтный размер | |
| 17 | 440.15.015.0/76 | Маслосборное кольцо 2 ремонтный размер | |
| 18 | 24.01.02 | Втулка коленчатого вала | |
| 18 | 24.01.02/0.50 | Втулка коленчатого вала ремонтный размер | |
| 19 | 24.01.03 | Втулка коленчатого вала | |
| 19 | 24.01.03/0.50 | Втулка коленчатого вала ремонтный размер | |
| 20 | 601.09.116.04.0 | Накладка клапана | |
| 21 | 94.02.01 | Вкладыш шатуна | |
| 21 | 94.02.01/0.50 | Вкладыш шатуна ремонтный размер | |
| 22 | 602.05.107.04.4 | Шпилька | |
| 23 | 601.09.115.04.7 | Накладка клапана | |
| 24 | 895.090.190.4 | Шайба | |
| 25 | 411.041.490.4 | Накладка | |
| 26 | 602.07.116.04.6 | Болт | |
| 27 | 602.02.180.04.8 | Шайба | |
| 28 | 440.01.10.0 lub 602.02.183.04.6 | Уплотнение 15х19 | |
| 29 | 897.670.710.4 | Уплотнительное кольцо | |
| 30 | 827 NDDW 28-40-7 Р FР | Уплотнительное кольцо | |
| 33 | 440.01.06.0 | Уплотнение | |
| 35 | 602.07.113.04.8 | Цилиндр | |
| 36 | АМ3х8-St DIN 1474 | Пробка | |
| 36 | 440.20.09.0 | Сегментная шпонка | |
| 37 | 602.07.114.14.2 | Прокладка | |
| 57 | 440.20.08.0 | Шайба | |
| 58 | 602.07.115.04.3 | Прокладка | |
| 59 | 602.05.111.04.1 | Всасывающий штуцер | |
| 60 | 602.05.101.04.8 | Головка | |
| 62 | 895.109.470.4 | Шайба | |
| 63 | 440.20.10.0 | Шайба | |
| 64 | М8х20-5.6-FЕ/ZN5С РN-90/М-82131 | Шпилька | |
| 65 | М10х30-8.8-В-FЕ/ZN5 РN-91/М-82105 | Болт | |
| 67 | М8х35-8.8-В-FЕ/ZN5 РN-91/М-82105 | Болт | |
| 68 | М8х55-8.8-В-FЕ/ZN5 РN-91/М-82105 | Болт | |
| 69 | М8х45-8.8-В-FЕ/ZN5 РN-91/М-82105 | Болт | |
| 70 | М8-5-В-FЕ/ZN5 РN-86/М-82144 | Гайка | |
| 71 | М8-8-В-FЕ/ZN5 РN-86/М-82144 | Гайка | |
| 72 | М16х1,5-04-В-FЕ/ZN5 РN-86/М-82153 | Гайка | |
| 73 | М12х1,25-04-В-FЕ/ZN5 РN-86/М-82153 | Гайка | |
| 75 | Z8.2-FЕ/FG РN-77/М-82008 | Шайба | |
| 78 | Z16.2-FЕ/FG РN-77/М-82008 | Шайба | |
| 80 | Z6.1-FЕ/FG РN-77/М-82008 | Шайба | |
| 81 | 13-FЕ/ZN5 РN-78/М-82005 | Шайба | |
| 82 | 4х6,5 РN-88/М-85008 | Сегментная шпонка | |
| 83 | W15РN-81/М-85111 | Стопорное кольцо |
Содержащиеся в справочниках-каталогах запасные части и детали не предлагаются к продаже, а носят исключительно информационный характер