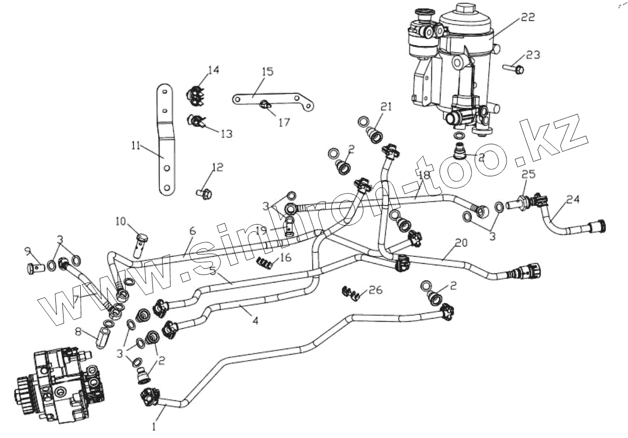
Каталог запасных частей к технике: HOWO MC07. Fuel transport system
1
2
2
2
2
3
3
3
3
4
5
6
7
8
9
10
11
12
13
14
15
16
17
18
19
20
21
22
23
24
25
26
| Позиция на иллюстрации | Заводской номер детали | Название детали | |
|---|---|---|---|
| 1 | 081V12307-5001 | Fuel pipe from filter to pump | |
| 2 | 082V98150-0173 | Quick-fit connector | |
| 3 | MQ6-56631-0106 | Sealing ring | |
| 4 | 081V12304-5939 | Fuel pipe from pre-filter to feed pump | |
| 5 | 081V12304-5695 | Fuel pipe from feed pump to filter | |
| 6 | 081V12305-5304 | Fuel leakage pipe from pump to filter | |
| 7 | 080V12305-5303 | Fuel leakage pipe from injector | |
| 8 | 080V98130-0052 | Bolt connector | |
| 9 | 90003962621 | Крышка | |
| 10 | 080V98150-0176 | Hollow bolt | |
| 11 | 080V97485-0195 | Bracket | |
| 12 | MQ6-03216-8404 | Hex bolt | |
| 13 | 080V97401-0560 | Single pipe bracket | |
| 14 | 080V97401-0551 | Double pipe bracket | |
| 15 | 080V12340-0106 | Bracket | |
| 16 | 080V97401-0559 | Double pipe bracket | |
| 17 | 080V97401-0557 | Cord | |
| 18 | 080V12305-7001 | Fuel leakage pipe from rail | |
| 19 | 080V98150-0175 | Hollow bolt | |
| 20 | 081V12304-5942 | Fuel pipe from tank to pre-filter | |
| 21 | 082V98150-0172 | Quick-fit connector | |
| 22 | 201V12501-7289 | Filter | |
| 23 | MQ6-03216-8308 | Hex bolt | |
| 24 | 081V12305-5261 | Fuel leakage pipe from filter | |
| 25 | 082V98150-0171 | Hollow quick-fit connector | |
| 26 | 080V97401-0552 | Double pipe bracket |
Содержащиеся в справочниках-каталогах запасные части и детали не предлагаются к продаже, а носят исключительно информационный характер