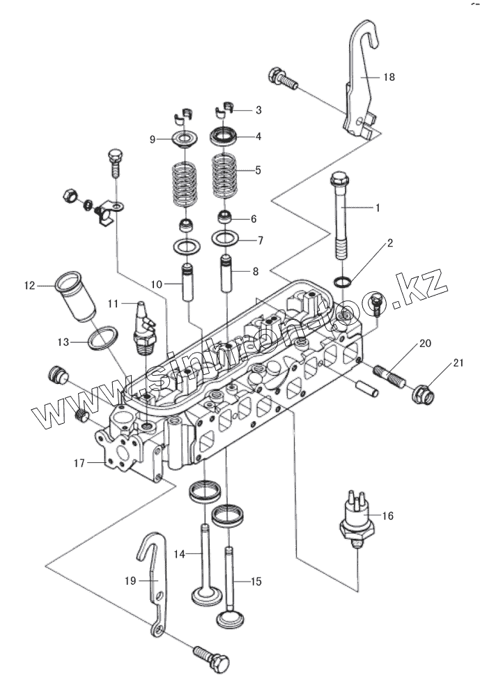
Каталог запасных частей к технике: Great Wall GW-491QE. Cylinder head assembly (2)
1
2
3
4
5
6
7
8
9
10
11
12
13
14
15
16
17
18
19
20
21
| Позиция на иллюстрации | Заводской номер детали | Название детали | |
|---|---|---|---|
| 1 | 1003016-E00 | Cylinder head bolt | |
| 2 | 1003017-E00 | Cylinder head bolt washer | |
| 3 | 1007019-E00 | Air valve locker | |
| 4 | 1007030-E00 | Outtake valve spring upper seat set | |
| 5 | 1007017-E00 | Air valve spring | |
| 6 | 1007040A-E00 | Air valve oil seal | |
| 7 | 1007015-E00 | Air valve spring seat gasket | |
| 8 | 1003102-E00 | Exhaust valve conduct | |
| 9 | 1007021-E00 | Intake valve spring upper seat | |
| 10 | 1003101-E00 | Intake valve conduit | |
| 11 | 1003180-E00 | Thermostatic controlled vacuum valve III | |
| 12 | 1003011-E00 | Sparking plug sleeve | |
| 13 | 1003012-E00 | Sparking plug sleeve seal ring | |
| 14 | 1007016-E00 | Intake valve | |
| 15 | 1007018-E00 | Exhaust valve | |
| 16 | 1003130-E00 | Vacuum distributor set | |
| 17 | 1003106-E00 | Cylinder head | |
| 18 | 1003013-E00 | Back hook | |
| 19 | 1003018-E00 | Front hook | |
| 20 | 1008014-E00 | Inlet/exhaust pipe double end bolt | |
| 21 | 1003110-E00 | Inlet/exhaust pipe nut washer set |
Содержащиеся в справочниках-каталогах запасные части и детали не предлагаются к продаже, а носят исключительно информационный характер