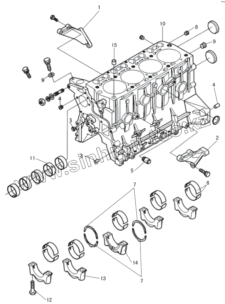
Каталог запасных частей к технике: Great Wall GW-491QE. Cylinder block assembly (1)
1
2
3
3
4
4
5
6
6
7
7
7
8
9
9
10
11
11
11
11
11
12
13
14
15
| Позиция на иллюстрации | Заводской номер детали | Название детали | |
|---|---|---|---|
| 1 | 1002023-E00 | Clutch box right bracket | |
| 2 | 1002024-E00 | Clutch box left bracket | |
| 3 | GB/T119.1-2000 | Locating pin | |
| 4 | GB/T119.1-2000 | Locating pin | |
| 5 | 1305010-E00 | Water drain switch set | |
| 6 | 1002017-E07 | Lower main bearing shell | |
| 6 | 1002018-E07 | Higher main bearing shell | |
| 7 | 1002019-E00 | Higher thrust plate | |
| 7 | 1002021-E00 | Lower thrust plate | |
| 8 | 1002047-E00 | Tail oil duct plug | |
| 9 | 1002048-E00 | Main oil duct plug | |
| 10 | 1002031-E07 | Cylinder block | |
| 11 | 1002042-E00 | Cam shaft bearing I | |
| 11 | 1002043-E00 | Cam shaft bearing II | |
| 11 | 1002044-E00 | Cam shaft bearing III | |
| 11 | 1002045-E00 | Cam shaft bearing IV | |
| 11 | 1002046-E00 | Cam shaft bearing V | |
| 12 | 1002037-E00 | Main bearing cap bolt | |
| 13 | 1002034-E00 | Main bearing cap | |
| 14 | 1002035-E00 | Middle main bearing cap | |
| 15 | 1002041-E00 | Cylinder head locating pin sleeve |
Содержащиеся в справочниках-каталогах запасные части и детали не предлагаются к продаже, а носят исключительно информационный характер