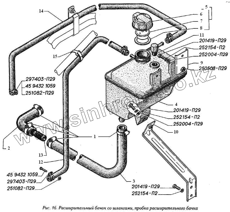
Каталог запасных частей к технике: ГАЗ-560. Расширительный бачок со шлангами, пробка расширительного бачка
297403-П29
297403-П29
45 9432 1059
45 9432 1059
251082-П29
251082-П29
201419-П29
201419-П29
201419-П29
252154-П2
252154-П2
252154-П2
252004-П29
252004-П29
250508-П29
1
2
3
4
5
6
7
8
9
10
11
12
13
14
15
| Позиция на иллюстрации | Заводской номер детали | Название детали | |
|---|---|---|---|
| 297403-П29 | 297403-П29 | Хомут 14 | |
| 45 9432 1059 | 45 9432 1059 | Винт М4-6gх22 | |
| 251082-П29 | 251082-П29 | Гайка М4-6Н ОСТ 37.001.112-91 | |
| 201419-П29 | 201419-П29 | Болт М6-6gх18 ОСТ 37.001.123-96 | |
| 252154-П2 | 252154-П2 | Шайба 6Л ОСТ 37.001.115-75 | |
| 252004-П29 | 252004-П29 | Шайба 6 ОСТ 37.001.144-96 | |
| 250508-П29 | 250508-П29 | Гайка М6-6Н ОСТ 37.001.124-93 | |
| 1 | 00.78.00 | Хомут 20-32 | |
| 2 | 13-1303060 | Шланг угловой | |
| 3 | 33021-1311095 | Шланг расширительного бачка | |
| 4 | 3302-1311010-10 | Бачок расширительный | |
| 5 | 3302-1311065 | Пробка расширительного бачка | |
| 6 | 3302-1311066 | Корпус пробки | |
| 7 | 3302-1311070 | Блок клапанов пробки | |
| 8 | 3302-1311081 | Прокладка пробки | |
| 9 | 3302-1311082 | Кронштейн крепления бачка верхний | |
| 10 | 3302-1311112 | Кронштейн крепления бачка нижний | |
| 11 | 3302-1311154 | Штуцер | |
| 12 | 3302-1311162 | Шланг резиновый | |
| 13 | 330242-1311156 | Штуцер соединительный | |
| 14 | 330242-1311162 | Шланг | |
| 15 | 49-3724527 | Поясок крепления жгута проводов |
Содержащиеся в справочниках-каталогах запасные части и детали не предлагаются к продаже, а носят исключительно информационный характер