Вернуться на главную
Поиск
Каталоги запчастей к технике
Двигатели
FAW
BFM1013
SENSOR
Каталог запасных частей к технике: FAW BFM1013. SENSOR
zoom-in
zoom-out
enlarge
shrink
circle-right
circle-left
file-text2
info
cart
Тип техники
Не выбрано
Легковые автомобили
Грузовые автомобили и прицепы
Автобусы
Сельхозтехника
Спецтехника
Двигатели
Мототехника
Марка
Не выбрано
BAW
Caterpillar
Cummins
DCEC
DongFeng
Doosan
FAW
Great Wall
Hitachi
HOWO
HSW
IVECO
Komatsu
LGMG
Perkins
Raywin
SDEC
Shaanxi
Valmet
Weichai
XINCHAI
YTO
Yuchai
ZF
Алтайдизель
Барнаултрансмаш
ВТЗ
ГАЗ
ЗиД
ЗМЗ
Камский автозавод
ММЗ
СМД
ТМЗ
УМЗ
ЧТЗ
ЮМЗ
ЯЗДА
ЯМЗ
Модель
Не выбрано
BF4M1013
BF4M2012
BF6M1013FC
BFM1013
CA 4DC2-10E4 (2012)
CA 6DM2 (2012)
CA 6DM2-39E4
CA 6DM2-42E51
CA498
CA4DF2 (2013)
CA4DF3-13E3
CA6110
CA6DL2-37E4
CA6DL2-37E5
CA6DM2
Схема
>
Не выбрано
CRANKSHAFT AND BEARING
CONNECTING ROD
ROCKER ARM BRACKET
ROCKER ARM BRACKET
ROCKER ARM BRACKET
LOCKING PART-ROCKER ARM BRACKET
PRESSURESTAT
CRANKCASE
PISTON COOL. NOZZLE
RATION GAS
LOCKING PART- CYLINDER HEAD
CYLINDER HEAD
CONTROLLER
TOOTHED GEAR
INLET MANIFOLD
OIL PUMP
PISTON
FUEL INJECTOR PUMP
FUEL INJECTOR PUMP
FUEL INJECTOR PUMP
FUEL INJECTOR
HIGH PRESSURE PIPE
CAMSHAFT
CONTROL ROD
PRESSURESTAT
EXHAUST PIPE AND SUPERCHARGER
LUBRICAT. OIL LINE
RETURN LINE
AIR ELBOW
CHARGE AIR PIPE
CHARGE AIR PIPE
CHARGE AIR PIPE
PRESSURE REGULATOR
CONNECTION HOUSING
CONNECTION HOUSING
CONNECTION HOUSING
CONNECTION HOUSING
HEXAGON BOLT
FLYWHEEL
SCREW PLUG
HOUSING
HOUSING
AIR COMPRESSOR
AIR COMPRESSOR
AIR COMPRESSOR
AIR COMPRESSOR
AIR COMPRESSOR
AIR COMPRESSOR
GEARED PUMP
GEAR CASE
PTO-B
CORE HOLE PLUG
VALVE MECHAN. COVER
OIL COOLER BOX
OIL COOLER BOX
OIL COOLER BOX
SPIN-ON OIL FILTER
HOSE ASSEMBLY
SPIN-ON FUEL FILT.
SHUTDOWN DEVICE
STARTER
COVER PLATE
PLUG-IN CONNECTOR
GLOW PLUG
VENT-PIPE
OIL PAN
OIL SUCTION PIPE
BRACKET
DIPSTICK
COOLANT PUMP
HOSE CONNECTOR
HOSING
FAN AND VISCOUS FAN COUPL.
GENERATOR
SET NARROW V-BELTS
BRACKET
V-BELT
FUEL PUMP
VIBRATION DAMPER
BRACKET
SUSPENSION PLATE
SENSOR
SENSOR
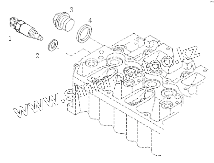
1
2
3
4
Позиция на иллюстрации
Заводской номер детали
Название детали
1
3808020-109
Coolant temperature sensor
2
3509644-52D
Уплотнительная прокладка
3
3808611-52D
Screw plug
4
1013633-52D
Уплотнительная прокладка
Содержащиеся в справочниках-каталогах запасные части и детали не предлагаются к продаже, а носят исключительно информационный характер
Дополнительная информация
×
Название:
Номер:
Примечание: