Вернуться на главную
Поиск
Каталоги запчастей к технике
Двигатели
FAW
BF6M1013FC
PRESSURESTAT
Каталог запасных частей к технике: FAW BF6M1013FC. PRESSURESTAT
zoom-in
zoom-out
enlarge
shrink
circle-right
circle-left
file-text2
info
cart
Тип техники
Не выбрано
Легковые автомобили
Грузовые автомобили и прицепы
Автобусы
Сельхозтехника
Спецтехника
Двигатели
Мототехника
Марка
Не выбрано
BAW
Caterpillar
Cummins
DCEC
DongFeng
Doosan
FAW
Great Wall
Hitachi
HOWO
HSW
IVECO
Komatsu
LGMG
Perkins
Raywin
SDEC
Shaanxi
Valmet
Weichai
XINCHAI
YTO
Yuchai
ZF
Алтайдизель
Барнаултрансмаш
ВТЗ
ГАЗ
ЗиД
ЗМЗ
Камский автозавод
ММЗ
СМД
ТМЗ
УМЗ
ЧТЗ
ЮМЗ
ЯЗДА
ЯМЗ
Модель
Не выбрано
BF4M1013
BF4M2012
BF6M1013FC
BFM1013
CA 4DC2-10E4 (2012)
CA 6DM2 (2012)
CA 6DM2-39E4
CA 6DM2-42E51
CA498
CA4DF2 (2013)
CA4DF3-13E3
CA6110
CA6DL2-37E4
CA6DL2-37E5
CA6DM2
Схема
>
Не выбрано
PLUG
FASTENINGS
GUIDE TUBE
OIL GAUGE
DIPSTICK
PRESSURESTAT
CRANKCASE BREATHER
BLEEDING TUBE
PISTON COOL. NOZZLE
OIL PAN
FASTENINGS
SET NARROW V-BELTS
V-BELT PULLEY ASSY
CRANKSHAFT
FLANGE
VIBRATION DAMPER
FLYWHEEL
CONNECTING ROD
PISTON
FASTENINGS
FASTENINGS
FASTENINGS
VALVE MECHAN.COVER
ENGINE MOUNTING
BLANKING PARTS
CYLINDER HEAD
GEARCASE
CAMSHAFT
ROCKER ARM BRACKET
ROCKER ARM BRACKET
ROCKER ARM BRACKET
FASTENINGS
VALVE DRIVE
FILTER CARTRIDGE
BLANKING PARTS
FASTENINGS
OIL COOLER BOX
OIL SUCTION PIPE
FASTENINGS
ROLLER TAPPET
FASTENINGS
FUEL INJECT. PUMP
FASTENINGS
FUEL INJECTOR
FASTENINGS
FUEL PUMP
TWO-ST.FUEL FILTER
FUEL LINE
HIGH PRESSURE PIPE
DISTANCE PIECE
RUBBER SEAL
BACK LEAK.CONNECT.
AIR ELBOW
FASTENINGS
CHARGE AIR PIPE
CHARGE AIR PIPE
COVER
CHARGE AIR ELBOW
FASTENINGS
CONTROL ROD
IDLER GEAR
INLET MANIFOLD
FASTENINGS
LUBRICAT.OIL LINE
COOLING WATER LINE
AIR COMPRESSOR
COOLING WATER LINE
NARROW V-BELT
DRIVING PARTS
CONNECTION
HOSE CONNECTOR
WATER THERMOSTAT
FASTENINGS
FAN
V-GROOVED PULLEY
FASTENINGNS
FASTENINGS
FASTENINGS
TENSIONING PULLEY
FASTENINGS
VISCOUS FAN COUPL.
FAN BRACKET
FAN SUPPORT
EXHAUST PIPE
PLANKING PARTS
LUBRICAT.OIL LINE
RETURN LINE
TURBOCHARGER
FASTENINGS
MATING PART
DRIVING PARTS
GENERATOR
NARROW V-BELT
ACCESSORIES
STARTER
ACCESSORIES
ACCESSORIES
PLUG-IN CONNECTOR
PLUG-CONNECTOR
PLUG-IN CONNECTOR
COVER PLATE
FASTENINGS
PLUG-IN CONNECTOR
FASTENINGS
COVER PLATE
CONNECTION HOUSING
ACCESSORIES
SHUTDOWN DEVICE
SWITCHING DEVICE
CLOW PLUG
MATING PART
GASKET
HYDR PUMP DRIVE
GEARED PUMP
BLANKING PARTS
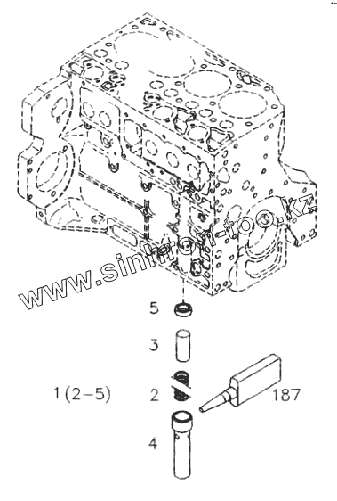
1
2
3
4
5
187
Позиция на иллюстрации
Заводской номер детали
Название детали
1
1011090-52D
Pressurestat
2
1011094-52D
Compression spring
3
1011091-52D
Valve plunger
4
1011093-52D
Sleeve
5
1011092-52D
Ring
187
JA1011-52D-1
Safety/lock. Agent
Содержащиеся в справочниках-каталогах запасные части и детали не предлагаются к продаже, а носят исключительно информационный характер
Дополнительная информация
×
Название:
Номер:
Примечание: