Вернуться на главную
Поиск
Каталоги запчастей к технике
Двигатели
FAW
BF4M1013
PRESSURESTAT
Каталог запасных частей к технике: FAW BF4M1013. PRESSURESTAT
zoom-in
zoom-out
enlarge
shrink
circle-right
circle-left
file-text2
info
cart
Тип техники
Не выбрано
Легковые автомобили
Грузовые автомобили и прицепы
Автобусы
Сельхозтехника
Спецтехника
Двигатели
Мототехника
Марка
Не выбрано
BAW
Caterpillar
Cummins
DCEC
DongFeng
Doosan
FAW
Great Wall
Hitachi
HOWO
HSW
IVECO
Komatsu
LGMG
Perkins
Raywin
SDEC
Shaanxi
Valmet
Weichai
XINCHAI
YTO
Yuchai
ZF
Алтайдизель
Барнаултрансмаш
ВТЗ
ГАЗ
ЗиД
ЗМЗ
Камский автозавод
ММЗ
СМД
ТМЗ
УМЗ
ЧТЗ
ЮМЗ
ЯЗДА
ЯМЗ
Модель
Не выбрано
BF4M1013
BF4M2012
BF6M1013FC
BFM1013
CA 4DC2-10E4 (2012)
CA 6DM2 (2012)
CA 6DM2-39E4
CA 6DM2-42E51
CA498
CA4DF2 (2013)
CA4DF3-13E3
CA6110
CA6DL2-37E4
CA6DL2-37E5
CA6DM2
Схема
>
Не выбрано
CORE HOLE PLUG
PRESSURESTAT
PISTON COOL.NOZZLE
RATION GAS
CRANKCASE
CRANKSHAFT AND BEARING
CONNECTING ROD/PISTON
PRESSURESTAT
PTO-B
GEAR CASE (1)
GEAR CASE (2)
CONNECTION HOUSING (1)
CONNECTION HOUSING (2)
CONNECTION HOUSING (3)
FLYWHEEL WITH GEAR RIM
ENGINE SUPPORT BRACKET
OIL PUMP
PULLEY/VIBRATION DAMPER
HOUSING (1)
HOUSING (2)
HOUSING (3)
COOLANT PUMP
COOLANT PUMP
SET NARROW V-BELTS
FUEL PUMP
GENERATOR (1)
GENERATOR (2)
AIR COMPRESSOR
AIR COMPRESSOR LUBRICAT OIL LINE
AIR COMPRESSOR COOLING WATER LINE (1)
AIR COMPRESSOR COOLING WATER LINE (2)
AIR COMPRESSOR COOLING WATER LINE (3)
GEARED PUMP
CYLINDER HEAD
VALVE TRAIN (1)
CYLINDER HEAD
GLOW PLUG
FUEL SUPPLY SYSTEM (1)
SUSPENSION PLATE
CHARGE AIR PIPE/EXHAUST PIPE (1)
VALVE MECHAN.COVER
PRESSURE REGULATOR
TURBO CHARGER (1)
SENSOR
OIL SUCTION PIPE
OIL PAN AND DIPSTICK
SPIN-ON OIL FILTER
SPIN-ON FUEL FILTER
FAN AND VISCOUS FAN COUPL.
SENSOR AND CABLE HARNESS WITH FEUP SYSTEM (1)
STARTER
OIL PRESSURE AND COOLANT TEMPERATURE SENSOR (WITHOUT CAN)
AIR CONDITIONING
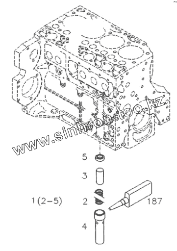
1
187
Позиция на иллюстрации
Заводской номер детали
Название детали
1
1011090-52D
Pressurestat
187
JA1011-52D-1
Safety/lock. Agent
Содержащиеся в справочниках-каталогах запасные части и детали не предлагаются к продаже, а носят исключительно информационный характер
Дополнительная информация
×
Название:
Номер:
Примечание: