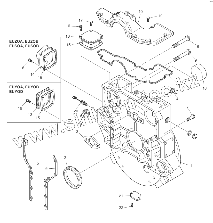
Каталог запасных частей к технике: Doosan P222FE. Flywheel Housing
1
2
3
4
5
6
7
8
9
10
11
12
13
13
14
15
15
15
16
16
16
17
18
19
20
20
21
22
| Позиция на иллюстрации | Заводской номер детали | Название детали | |
|---|---|---|---|
| 1 | 65.01401-5003 | Housing | |
| 2 | 65.01510-0141 | Seal | |
| 3 | 65.90720-0109 | Washer | |
| 4 | 65.90020-0065A | Bolt | |
| 5 | 65.01903A0200 | Gasket | |
| 6 | 65.01903A0201 | Gasket | |
| 7 | 65.90020-0223 | Bolt | |
| 8 | 65.90020-0183B | Bolt | |
| 9 | 65.90020-0054C | Bolt | |
| 10 | 65.01402-5004C | Cover | |
| 11 | 65.01903-0216 | Gasket | |
| 12 | 06.01923-3117 | Bolt | |
| 13 | 65.01402-0033A | Cover | |
| 14 | 65.01402-5003C | Cover | |
| 15 | 65.54901-0022 | Gasket | |
| 16 | 06.01923-3117 | Bolt | |
| 17 | 06.01923-3115 | Bolt | |
| 18 | 65.91606-0042 | Plug | |
| 19 | 65.96401-0007 | Cap | |
| 20 | 65.27103-7007 | Sensor | |
| 20 | 65.27103-7002C | Sensor | |
| 21 | 65.01414-0004A | Cover | |
| 22 | 06.01923-3110 | Bolt |
Содержащиеся в справочниках-каталогах запасные части и детали не предлагаются к продаже, а носят исключительно информационный характер