Каталог запасных частей к технике: Doosan P180LE. Injection Pump
1
2
2
3
3
4
5
5
6
7
8
9
9
10
10
11
12
13
14
15
16
16
17
18
19
19
19
20
21
21
21
21
22
23
24
24
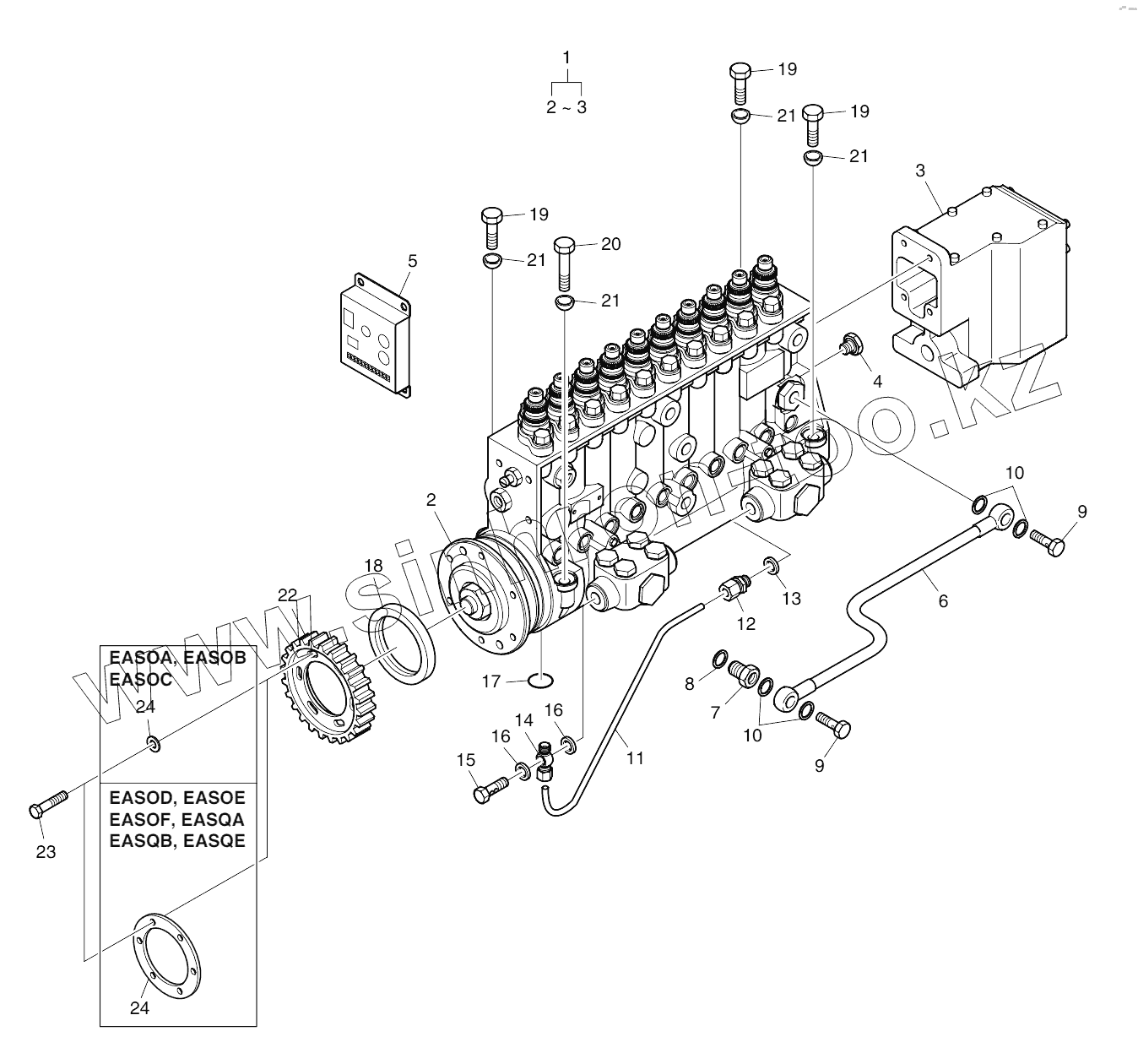
| Позиция на иллюстрации | Заводской номер детали | Название детали | |
|---|---|---|---|
| 65.90720-0024 | 65.90720-0024 | Washer | |
| 1 | 65.11101-7413B | Fuel injection pump assy | |
| 2 | 65.11101-7302 | Pump | |
| 3 | 65.11501-7006B | Governor assy | |
| 4 | 65.90310-0129 | Screw | |
| 5 | 65.11220-7008 | Controller | |
| 5 | 65.11220-7009 | Controller | |
| 6 | 65.05701-5357 | Pipe | |
| 7 | 65.98130-0151 | Adapter | |
| 8 | 06.56190-0726 | Ring | |
| 9 | 06.78144-2204 | Screw | |
| 10 | 06.56190-0706 | Ring | |
| 11 | 65.12301-0002A | Pipe | |
| 12 | 06.71010-0213 | Fitting | |
| 13 | 06.56190-0706 | Ring | |
| 14 | 65.98103-6002A | Union | |
| 15 | 06.78144-2204 | Screw | |
| 16 | 06.56190-0706 | Ring | |
| 17 | 51.96501-0322 | O-ring | |
| 18 | 51.96501-0295 | O-ring | |
| 19 | 65.90001-0146A | Bolt | |
| 20 | 06.01014-7225 | Bolt | |
| 21 | 06.15061-0103 | Washer | |
| 22 | 65.11301-0115A | Gear | |
| 23 | 06.01284-7112 | Bolt | |
| 24 | 65.90710-0001A | Spacer |
Содержащиеся в справочниках-каталогах запасные части и детали не предлагаются к продаже, а носят исключительно информационный характер