Вернуться на главную
Поиск
Каталоги запчастей к технике
Двигатели
Doosan
P158FE
Injection Pipe
Каталог запасных частей к технике: Doosan P158FE. Injection Pipe
zoom-in
zoom-out
enlarge
shrink
circle-right
circle-left
file-text2
info
cart
Тип техники
Не выбрано
Легковые автомобили
Грузовые автомобили и прицепы
Автобусы
Сельхозтехника
Спецтехника
Двигатели
Мототехника
Марка
Не выбрано
BAW
Caterpillar
Cummins
DCEC
DongFeng
Doosan
FAW
Great Wall
Hitachi
HOWO
HSW
IVECO
Komatsu
LGMG
Perkins
Raywin
SDEC
Shaanxi
Valmet
Weichai
XINCHAI
YTO
Yuchai
ZF
Алтайдизель
Барнаултрансмаш
ВТЗ
ГАЗ
ЗиД
ЗМЗ
Камский автозавод
ММЗ
СМД
ТМЗ
УМЗ
ЧТЗ
ЮМЗ
ЯЗДА
ЯМЗ
Модель
Не выбрано
DP180LB (2014)
DP222LCS (2013)
P158FE (2007)
P180FE (2007)
P180LE (2007)
P222FE (2007)
P222LE (2007)
Схема
>
Не выбрано
Cylinder Block
Cylinder Block
Cylinder Block
Flywheel Housing
Breather
Breather
Breather
Driving System
Driving System
Driving System
Cylinder Head
Cylinder Head Cover
Cylinder Head Cover
Cylinder Head Cover
Timing System
Oil Pump
Oil Filter
Oil Cooler
Oil Cooler
Oil Pan
Oil Pan
Oil Pan
Cooling Water Pipe
Water Pump
Cooling Fan
Exhaust Manifold
Exhaust Manifold
Exhaust Manifold
Intake Manifold
Intake Manifold
Intake Manifold
Turbo Charger
Turbo Charger
Turbo Charger
Injection Nozzle
Injection Pipe
Injection Pipe
Injection Pipe
Injection Pump
Injection Pump
Injection Pump
Fuel Pipe
Fuel Pipe
Fuel Pipe
Fuel Filter
Alternator Mounting
Alternator
Lifting Hook
Starter
Accessory Parts
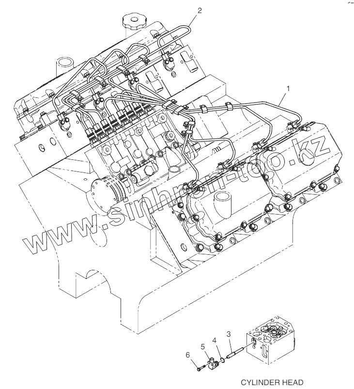
1
2
3
4
5
6
Позиция на иллюстрации
Заводской номер детали
Название детали
1
65.10301-6204
Pipe
2
65.10301-6205
Pipe
3
65.10410-6002
Connector
4
65.96501-0100
O-ring
5
65.10350-0001
Adapter
6
06.01923-2918
Bolt
Содержащиеся в справочниках-каталогах запасные части и детали не предлагаются к продаже, а носят исключительно информационный характер
Дополнительная информация
×
Название:
Номер:
Примечание: