Вернуться на главную
Поиск
Каталоги запчастей к технике
Двигатели
Doosan
DP222LCS
Starter
Каталог запасных частей к технике: Doosan DP222LCS. Starter
zoom-in
zoom-out
enlarge
shrink
circle-right
circle-left
file-text2
info
cart
Тип техники
Не выбрано
Легковые автомобили
Грузовые автомобили и прицепы
Автобусы
Сельхозтехника
Спецтехника
Двигатели
Мототехника
Марка
Не выбрано
BAW
Caterpillar
Cummins
DCEC
DongFeng
Doosan
FAW
Great Wall
Hitachi
HOWO
HSW
IVECO
Komatsu
LGMG
Perkins
Raywin
SDEC
Shaanxi
Valmet
Weichai
XINCHAI
YTO
Yuchai
ZF
Алтайдизель
Барнаултрансмаш
ВТЗ
ГАЗ
ЗиД
ЗМЗ
Камский автозавод
ММЗ
СМД
ТМЗ
УМЗ
ЧТЗ
ЮМЗ
ЯЗДА
ЯМЗ
Модель
Не выбрано
DP180LB (2014)
DP222LCS (2013)
P158FE (2007)
P180FE (2007)
P180LE (2007)
P222FE (2007)
P222LE (2007)
Схема
>
Не выбрано
Cylinder Block
Cylinder Liner
Flywheel Housing
Oil Seal
Oil Spray Nozzle
Breather
Crankshaft
Vibration Damper
Flywheel
Connecting Rod
Piston
Crankshaft Pulley
Cylinder Head
Cylinder Head Cover
Valve
Rocker Arm
Tappet & Push Rod
Camshaft
Oil Pump
Oil Filter
Oil Cooler
Oil Pan
Cooling Water Pipe
Thermostat
Water Pump
Cooling Fan
Fuel Line
Intake Manifold
Turbocharger
Intake Stak
Injection Nozzle
Injection Pipe
Injection Pump (1)
Injection Pump (2)
Injection Pump Drive
Injection Pump Mounting
Fuel Line
Fuel Filter
Alternator Mounting
Engine Lifting
Alternator
Starter
Engine Mounting
Accessories (1)
Accessories (2)
Accessories (3)
Accessories (4)
Accessories (5)
Accessories (6)
Accessories (7)
Accessories (8)
Accessories (9)
Spare Part (1)
Spare Part (2)
Spare Part (3)
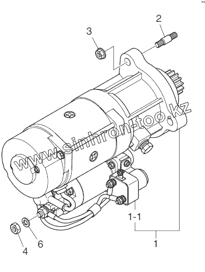
1
1-1
2
3
4
6
Позиция на иллюстрации
Заводской номер детали
Название детали
1
300516-00075
Starter
1-1
301206-00017
Relay
2
06.06175-8309
Bolt
3
65.90535-0005
Nut
4
06.11063-8215
Nut
6
06.16731-2108
Washer
Содержащиеся в справочниках-каталогах запасные части и детали не предлагаются к продаже, а носят исключительно информационный характер
Дополнительная информация
×
Название:
Номер:
Примечание: