Вернуться на главную
Поиск
Каталоги запчастей к технике
Двигатели
DCEC
6CTA8.3-C190-II
TP97824 Booster Line
Каталог запасных частей к технике: DCEC 6CTA8.3-C190-II. TP97824 Booster Line
zoom-in
zoom-out
enlarge
shrink
circle-right
circle-left
file-text2
info
cart
Тип техники
Не выбрано
Легковые автомобили
Грузовые автомобили и прицепы
Автобусы
Сельхозтехника
Спецтехника
Двигатели
Мототехника
Марка
Не выбрано
BAW
Caterpillar
Cummins
DCEC
DongFeng
Doosan
FAW
Great Wall
Hitachi
HOWO
HSW
IVECO
Komatsu
LGMG
Perkins
Raywin
SDEC
Shaanxi
Valmet
Weichai
XINCHAI
YTO
Yuchai
ZF
Алтайдизель
Барнаултрансмаш
ВТЗ
ГАЗ
ЗиД
ЗМЗ
Камский автозавод
ММЗ
СМД
ТМЗ
УМЗ
ЧТЗ
ЮМЗ
ЯЗДА
ЯМЗ
Модель
Не выбрано
4B3.9-G1
4B3.9-G12 (2018)
4B3.9-G2 (2014)
4BT3.9-G1 (2014)
4BTA3.9-G2 (2014)
6BTAA5.9-G12 (2016)
6CTA8.3-C190-II (2016)
6ZTAA13-G2 (2014)
ISZ450 41 (2014)
Схема
>
Не выбрано
AH 9141 Intake air preheater
AP90256 Parameter plate
BB 9110 Cylinder
BB 9176 Cylinder block lubrication line
BB 9202 Block Cooling Line
BB 9881 Gear Room
BR 9238 Crankcase Ventilation
CH 9087 Coolant Auxiliary Connection Pipe
DA 9728 Torsional Vibration Damper
DF 9710 Front Gear Train Accessory Installation
EC 9076 Thermostat
ED 9071 Label
EE 9342 Generators
EH 9591 Generator Mounts
FA 9313 Fan Driver
FA 9739 Fan Drive Mount
FE 9050 Booster compensation connection pipe
FF 9340 Fuel Filter Locations
FF 9489 Fuel filter connection line
FH 9463 Flywheel housing
FH 9777 Flywheel Housing Line
FP92847 Fuel Pump Mount
FP93751 Fuel Pump
FS 9724 Fuel transfer pump
FT 9142 Fuel Line
FV 9373 Oil Shutoff Solenoid Valve
FW 9826 Flywheel
FW 90025 Flywheel mount
GG 9779 Front gear housing cover
GG 9804 Gear housing cover mount
HC 9073 Heater Mount
LA 9068 Engine Lifting Eyes
LC 9227 Oil Cooler
LF 9130 Oil Filter
LG 9974 Oil Dipstick
LO 9701 Oil
LP 9725 Oil Pump
OB 9329 Oil filling device
OB 9337 Cylinder Block Refueling Accessory
OP 9352 Oil Pan
PA 9001 Accessory Drive Pulley
PP40722 Performance Parts
PP98458 Cylinder head line
PP98560 Supercharger
PP99853 Injector line
RL 9732 Rocker Arm
RP 9071 Engine Coolant Degasser
SD 9113 Temperature switch
SD 9448 Oil Pressure Sensor
SM 9104 Starter Mount
SS 9792 Paint
ST 9540 Starter
TB91070 Generator Adjustment Arm
TB91072 Exhaust Manifold
TB91073 Intercooler
TK 9022 Torque Converter Cooling
TL 9181 Throttle Control
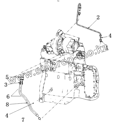
TP97824 Booster Line
VC 9221 Valve Housing Cover
WA 9754 Intercooler Line
WF 9160 Rust Inhibitor Locations
WI 9145 Inlet connection pipe
WO 9052 Water outlet connection
WP 9916 Belt Tensioner
WP 9918 Water Pump
WP 9969 Water Pump Drive
XS 9478 Exhaust Connection
1
2
3
4
4
5
6
7
7
Позиция на иллюстрации
Заводской номер детали
Название детали
1
C3093775
SCREW, HEX FLANGE HEAD CA
2
C3415347
CONNECTOR, FEMALE
3
C3415471
HOSE, FLEXIBLE
4
C3920706
PLUG, EXPANSION
5
C3924389
WASHER, SEALING
6
C5262986
GASKET, OIL DRAIN
7
C5303074
CONNECTION, TUR OIL DRAIN
Содержащиеся в справочниках-каталогах запасные части и детали не предлагаются к продаже, а носят исключительно информационный характер
Дополнительная информация
×
Название:
Номер:
Примечание: