Каталог запасных частей к технике: Cummins Серия ISMe. ВВ2778-03 Cylinder Block
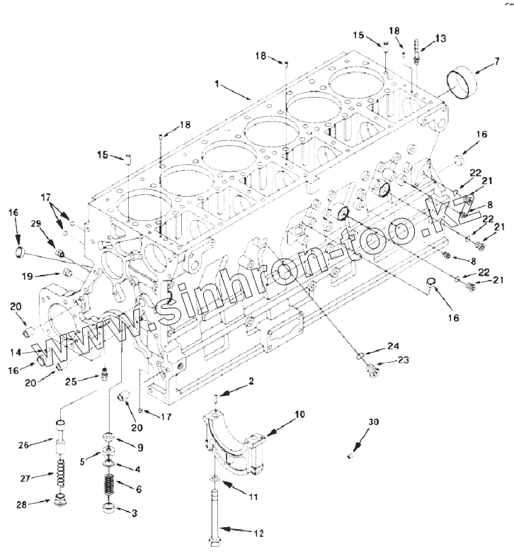
1
2
3
4
5
6
7
8
8
9
10
10
10
11
12
13
14
15
15
16
16
16
16
17
17
18
18
18
19
20
20
20
21
21
21
22
22
22
23
24
25
26
27
28
29
30
| Позиция на иллюстрации | Заводской номер детали | Название детали | |
|---|---|---|---|
| ВВ2778-03 | ВВ2778-03 | Cylinder Block | |
| 3053349 | 3053349 | Dowel, Pin | |
| 3046202 | 3046202 | Plug, Threaded | |
| 3037536 | 3037536 | Plug, Threaded | |
| 3803504 | 3803504 | Kit, Screw Hex Head Cap | |
| 1 | 4060393 | Block, Cylinder | |
| 2 | 148555 | Dowel, Pin | |
| 3 | 179063 | PLUG RETAINER | |
| 4 | 3014754 | WASHER, PLAIN | |
| 5 | 3014755 | DISC VALVE | |
| 6 | 3014756 | SPRING COMPRESSION | |
| 7 | 3820566 | Bushing | |
| 8 | 3008466 | PLUG, PIPE | |
| 9 | 3026758 | Seat, Prs Regulator Valve | |
| 10 | 3400759 | Cap, Main Bearing | |
| 10 | 4060391 | Cap, Main Bearing | |
| 10 | 3026961 | Cap, Main Bearing | |
| 11 | 3019631 | Washer, Plain | |
| 12 | 3328742 | Screw, Hexagon Head Cap | |
| 13 | 3895832 | Stud | |
| 14 | 70550 | DOWEL, PIN | |
| 15 | 142207 | Dowel, Pin | |
| 16 | 3007635 | Plug, Expansion | |
| 17 | 3007632 | Расширительная пробка | |
| 18 | 3008446 | Dowel, Pin | |
| 19 | 3008468 | Заглушка трубки | |
| 20 | 3026231 | Dowel, Ring | |
| 21 | 3040813 | Plug, Threaded | |
| 22 | 3037537 | Seal, O Ring | |
| 23 | 3040810 | Plug, Threaded | |
| 24 | 3046201 | Уплотнительное кольцо | |
| 25 | 3069728 | Sensor, Viscosity | |
| 26 | 3068979 | Plunger, Prs Regulator | |
| 27 | 3010146 | SPRING, COMPRESSION | |
| 28 | 3821725 | Plug, Retainer | |
| 29 | 3008465 | Заглушка трубки, 1/8 NPT резьба | |
| 30 | 3028252 | Pin, Roll |
Содержащиеся в справочниках-каталогах запасные части и детали не предлагаются к продаже, а носят исключительно информационный характер