Каталог запасных частей к технике: Cummins QSX-15 I. PP10200 Cylinder Head
1
1
1
2
2
3
3
4
4
5
5
6
6
7
7
8
8
9
9
10
11
11
12
12
13
14
15
16
17
18
19
20
21
22
22
22
22
23
23
23
24
24
24
24
25
26
26
27
28
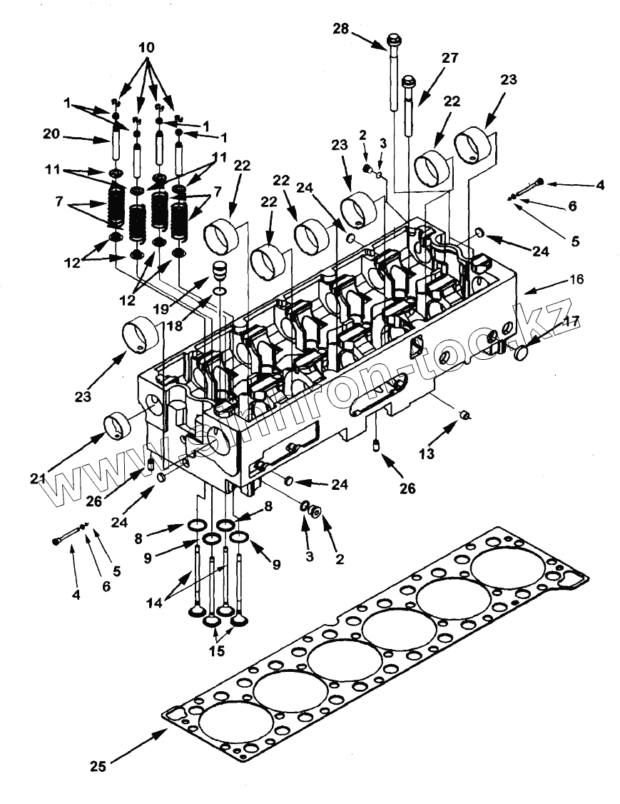
| Позиция на иллюстрации | Заводской номер детали | Название детали | |
|---|---|---|---|
| 4962732 | 4962732 | Head, Cylinder | |
| 1 | 4026791 | Seal, valve Stem | |
| 2 | 3678611 | Plug, Threaded | |
| 3 | 3678606 | Seal, O Ring | |
| 4 | 4920470 | Plug, Threaded | |
| 5 | 3678603 | Кольцевое уплотнение | |
| 6 | 4920469 | Plug, Threaded | |
| 7 | 4965891 | Spring, Valve | |
| 8 | 3683349 | Insert, Valve | |
| 9 | 3104445 | Insert, Valve | |
| 10 | 3680883 | Collet, Valve | |
| 11 | 3680884 | Retainer, Valve Spring | |
| 12 | 3680318 | Guide, Valve Spring | |
| 13 | 3911678 | Dowel, Ring | |
| 14 | 4101454 | Valve, Exhaust | |
| 15 | 4965868 | Valve, Intake | |
| 16 | 4962731 | Head, Cylinder | |
| 17 | 3015865 | Plug, Expansion | |
| 18 | 3678536 | Seal, Rectangular Ring | |
| 19 | 3412352 | Sleeve, Injector | |
| 20 | 4026657 | Guide, Valve Stem | |
| 21 | 4026423 | Bushing | |
| 22 | 3680580 | Bushing | |
| 23 | 3680581 | Bushing | |
| 24 | 3813247 | Plug, Expansion | |
| 25 | 4926316 | Gasket, Cylinder Head | |
| 26 | 3901846 | Pin, Dowel | |
| 27 | 3678506 | Screw, Hex Flange Head Cap | |
| 28 | 3678804 | Screw, Hex Flange Head Cap |
Содержащиеся в справочниках-каталогах запасные части и детали не предлагаются к продаже, а носят исключительно информационный характер