Каталог запасных частей к технике: Cummins QSX-15 I. PH1763 Electronic Control Module
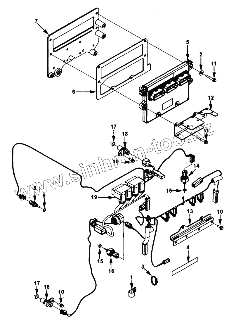
1
2
3
4
5
6
7
8
9
10
10
10
11
11
12
13
14
15
15
15
15
16
17
17
18
18
19
| Позиция на иллюстрации | Заводской номер детали | Название детали | |
|---|---|---|---|
| 4921599 | 4921599 | Sensor, Position | |
| 3331044 | 3331044 | Sensor, Pressure | |
| 3408504 | 3408504 | Module, Electronic Control | |
| 4921475 | 4921475 | Sensor, Prs Temperature | |
| 3409000 | 3409000 | Data, Bootloader | |
| 3681484 | 3681484 | Data, Nonvolatile Memory | |
| 4921473 | 4921473 | Sensor, Prs Temperature | |
| 3865346 | 3865346 | Sensor, Temperature | |
| 1 | 69465 | Хомут | |
| 2 | 146161 | WASHER, PLAIN | |
| 3 | 3076301 | Clamp, Wire Tie | |
| 4 | 3161910 | Dataplate | |
| 5 | 3408501 | Module, Electronic Control | |
| 6 | 3680284 | Gasket, Etr Control Module | |
| 7 | 3681059 | Plate, Cooler | |
| 8 | 3865346 | Sensor, Temperature | |
| 9 | 4921574 | Уплотнительное кольцо | |
| 10 | 3900630 | Винт с шестигранной головкой | |
| 11 | 3925402 | Болт с фланцем и шестигранной головкой | |
| 12 | 4026680 | Brace, Wiring | |
| 13 | 4059191 | Bracket, Cus Accessory | |
| 14 | 4921473 | Sensor, Prs Temperature | |
| 15 | 4010519 | Уплотнительное кольцо | |
| 15 | 4010519 | Уплотнительное кольцо | |
| 16 | 4921475 | Sensor, Prs Temperature | |
| 17 | 4010600 | Seal, О Ring | |
| 18 | 4921599 | Sensor, Position | |
| 19 | 4952742 | Harness, Wiring |
Содержащиеся в справочниках-каталогах запасные части и детали не предлагаются к продаже, а носят исключительно информационный характер