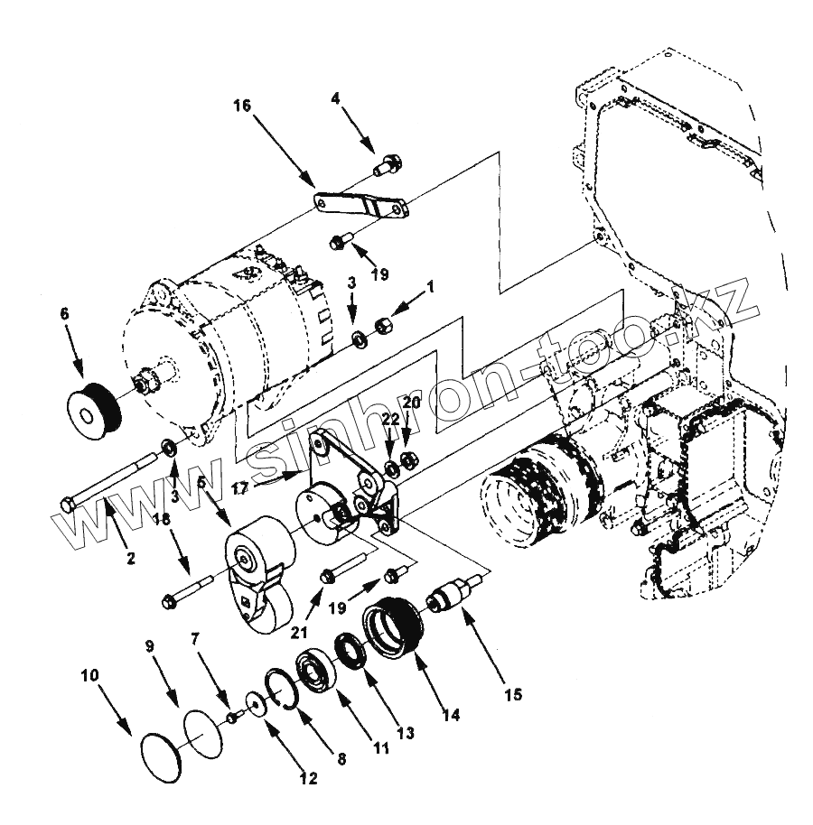
Каталог запасных частей к технике: Cummins QSX-15 I. EH1083 Alternator Mounting
1
2
3
3
4
5
6
7
8
9
10
11
12
13
14
15
16
17
18
19
19
20
21
22
| Позиция на иллюстрации | Заводской номер детали | Название детали | |
|---|---|---|---|
| 3680196 | 3680196 | Pulley, Idler TLA | |
| 1 | 70897 | NUT, LOCK | |
| 2 | 4022822 | Screw, Hexagon Head Cap | |
| 3 | 3895517 | Washer, Plain | |
| 4 | 3063567 | Screw, Captive Washer Cap | |
| 5 | 3104027 | Tensioner, Belt | |
| 6 | 3680082 | Pulley, Alternator | |
| 7 | S107 | NUT, REGULAR HEXAGON | |
| 8 | S16255 | RING, RETAINING | |
| 9 | 145551 | Seal, О Ring | |
| 10 | 3064404 | Cover, Idler Pulley | |
| 11 | 3064406 | Bearing, Ball | |
| 12 | 3070458 | Washer, Plain | |
| 13 | 3074482 | Seal, Oil | |
| 14 | 3680195 | Pulley, Idler | |
| 15 | 3680283 | Shaft, Idler | |
| 16 | 3681826 | Link, Adjusting | |
| 17 | 3681827 | Support, Belt Tensioner | |
| 18 | 3896408 | Screw, Hex Flange Head Cap | |
| 19 | 3902460 | Винт с шестигранной головкой | |
| 20 | 3903210 | Гайка шестигранного фланца | |
| 21 | 3904446 | Screw, Hex Flange Head Cap | |
| 22 | 3035806 | Washer, Plain |
Содержащиеся в справочниках-каталогах запасные части и детали не предлагаются к продаже, а носят исключительно информационный характер