Вернуться на главную
Поиск
Каталоги запчастей к технике
Двигатели
Cummins
QSX-15 I
BB1836 Cylinder Block
Каталог запасных частей к технике: Cummins QSX-15 I. BB1836 Cylinder Block
zoom-in
zoom-out
enlarge
shrink
circle-right
circle-left
file-text2
info
cart
Тип техники
Не выбрано
Легковые автомобили
Грузовые автомобили и прицепы
Автобусы
Сельхозтехника
Спецтехника
Двигатели
Мототехника
Марка
Не выбрано
BAW
Caterpillar
Cummins
DCEC
DongFeng
Doosan
FAW
Great Wall
Hitachi
HOWO
HSW
IVECO
Komatsu
LGMG
Perkins
Raywin
SDEC
Shaanxi
Valmet
Weichai
XINCHAI
YTO
Yuchai
ZF
Алтайдизель
Барнаултрансмаш
ВТЗ
ГАЗ
ЗиД
ЗМЗ
Камский автозавод
ММЗ
СМД
ТМЗ
УМЗ
ЧТЗ
ЮМЗ
ЯЗДА
ЯМЗ
Модель
Не выбрано
4B3.9-G2 (2010)
4ISBe-185 (2013)
6BTA5.9-C155 (2009)
6BTA5.9-C180 (2009)
6BTAA5.9-C180 (2013)
6ISBe-210 (2013)
6ISBe-270B (2013)
6ISBe-285 (2013)
6ISBe4-245 (2013)
6ISBe4-245 (Камский Автозавод-4308) (2013)
6ISBe4-300 (2013)
6ISLe-400-40 (Repto) (2013)
B180-20 (2008)
Cummins 310 (2010)
Cummins-300-20 (2008)
Cummins-4BT3.9 (1986)
ISF 2.8 (S3129T) (2012)
ISF 3.8 (S3154) (2012)
ISLe 310-30 (340-30, 375-30) (2008)
L325-20 (2010)
L340-20 (2010)
L375-20 (2010)
NT855-C280 BC III (2004)
QSM-11 Tier 3 (2015)
QSX-15 I (2010)
Серия ISMe (2010)
Схема
>
Не выбрано
AP1030 Agency Approval
AP1045 Agency Approval
BB1725 Cylinder Block
BB1725 Cylinder Liner Kit
BB1725 Cover Plate
BB1725 Crankshaft
BB1725 Gear Housing/Idler Gears
BB1725 Gear Housing Brace
BB1836 Cylinder Block
BB1836 Cylinder Liner Kit
BB1836 Cover Plate
BB1836 Crankshaft
BB1836 Gear Housing/Idler Gears
BB1836 Gear Housing Brace
BR1242 Crankcase Breather
BR1252 Crankcase Breather
CB1704 Engine Barring Drive
CB1705 Engine Barring Drive
CF1032 Refrigerant Compressor
СН1011 Coolant Heater Starting Aid
CH1014 Coolant Heater Starting Aid
DA1229 Vibration Damper
DA1230 Vibration Damper
DF1044 Front Gear Train Accessory Drive
EB1203 Engine Brake
EC1722 Thermostat
EE1240 Alternator
EH1083 Alternator Mounting
EH1721 Alternator Drive
EH1723 Alternator Drive
EM1343 Front Engine Support
FA1464 Fan Drive
FA1480 Fan Drive
IC1056 Air Intake Connection
IT1014 Air Transfer Connection
FH11089 Flywheel Housing
FH11093 Flywheel Housing
LF1210 Full Flow Oil Filter
FP11056 Fuel Pump
FP11061 Fuel Pump
PP2627 Piston Cooling Nozzle
GG1725 Front Gear Cover
GG1727 Front Gear Cover
IC1065 Air Intake Connection
FF1254 Fuel Filter
IT1021 Air Transfer Connection
LC1734 Engine Oil Cooler
LG1037 Oil Level Gauge
LG1088 Oil Level Gauge (Long)
OB1397 Oil Fill Arrangement
OB1401 Oil Fill Arrangement
OP1491 Oil Pan
PH1763 Electronic Control Module
FW1020 Flywheel
PP2627 Engine Piston
PP2627 Cylinder Head
IC1056 Air Intake Connection
IT1014 Air Transfer Connection
PP2627 Injector
PP2627 Gear Cover Noise Panel
LF1210 Full Flow Oil Filter
PP2825 Injector
PP10169 Turbocharger
PP10200 Cylinder Head
PP10200 Gear Cover Noise Panel
PP10224 Engine Piston
PP2627 Piston Cooling Nozzle
RL1732 Rocker Lever
PP2627 Camshaft
SM1742 Starting Motor Mounting
TB1374 Turbocharger Arrangement
TB1411 Turbocharger Arrangement
PP2825 Camshaft
TH1160 Thermostat Housing
TP1750 Turbocharger Plumbing
VC1072 Valve Cover
WI1087 Water Inlet Connection
PP10224 Piston Cooling Nozzle
W01123 Water Outlet Connection
WP1730 Water Pump
PP10252 Turbocharger
WP1733 Water Pump
Gasket Set
Kits & Sets
SM1732 Starting Motor Mounting
ST1361 Starting Motor
WF1241 Corrosion Resistor
W01121 Water Outlet Connection
XS1060 Exhaust Outlet Connection
Gasket Set
1
1
1
2
2
2
3
4
5
6
7
7
8
8
9
10
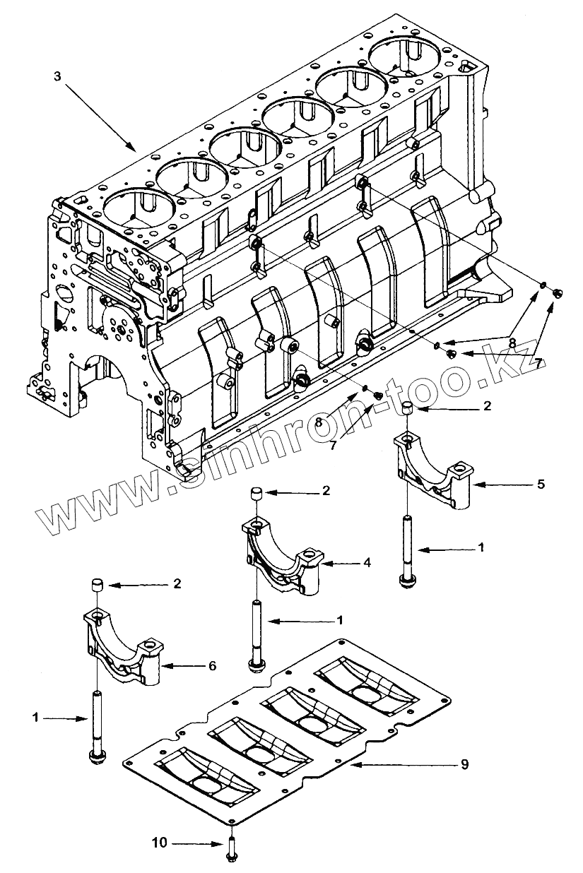
Позиция на иллюстрации
Заводской номер детали
Название детали
4955502
4955502
Kit, Cylinder Block
3683646
3683646
Block, Cylinder
1
3678506
Screw, Hex Flange Head Cap
2
3678507
Dowel, Ring
3
3683645
Block, Cylinder
4
3680246
Cap, Main Bearing
5
3688547
Cap, Main Bearing
6
3688549
Cap, Main Bearing
7
3678921
Резьбовая пробка
8
3678912
Кольцевое уплотнение
9
3680425
Plate, Cyl Blk Stiffening
10
3680781
Screw, Hex Flange Head Cap
Содержащиеся в справочниках-каталогах запасные части и детали не предлагаются к продаже, а носят исключительно информационный характер
Дополнительная информация
×
Название:
Номер:
Примечание: