Вернуться на главную
Поиск
Каталоги запчастей к технике
Двигатели
Cummins
QSM-11 Tier 3
Front Gear Cover GG2706
Каталог запасных частей к технике: Cummins QSM-11 Tier 3. Front Gear Cover GG2706
zoom-in
zoom-out
enlarge
shrink
circle-right
circle-left
file-text2
info
cart
Тип техники
Не выбрано
Легковые автомобили
Грузовые автомобили и прицепы
Автобусы
Сельхозтехника
Спецтехника
Двигатели
Мототехника
Марка
Не выбрано
BAW
Caterpillar
Cummins
DCEC
DongFeng
Doosan
FAW
Great Wall
Hitachi
HOWO
HSW
IVECO
Komatsu
LGMG
Perkins
Raywin
SDEC
Shaanxi
Valmet
Weichai
XINCHAI
YTO
Yuchai
ZF
Алтайдизель
Барнаултрансмаш
ВТЗ
ГАЗ
ЗиД
ЗМЗ
Камский автозавод
ММЗ
СМД
ТМЗ
УМЗ
ЧТЗ
ЮМЗ
ЯЗДА
ЯМЗ
Модель
Не выбрано
4B3.9-G2 (2010)
4ISBe-185 (2013)
6BTA5.9-C155 (2009)
6BTA5.9-C180 (2009)
6BTAA5.9-C180 (2013)
6ISBe-210 (2013)
6ISBe-270B (2013)
6ISBe-285 (2013)
6ISBe4-245 (2013)
6ISBe4-245 (Камский Автозавод-4308) (2013)
6ISBe4-300 (2013)
6ISLe-400-40 (Repto) (2013)
B180-20 (2008)
Cummins 310 (2010)
Cummins-300-20 (2008)
Cummins-4BT3.9 (1986)
ISF 2.8 (S3129T) (2012)
ISF 3.8 (S3154) (2012)
ISLe 310-30 (340-30, 375-30) (2008)
L325-20 (2010)
L340-20 (2010)
L375-20 (2010)
NT855-C280 BC III (2004)
QSM-11 Tier 3 (2015)
QSX-15 I (2010)
Серия ISMe (2010)
Схема
>
Не выбрано
Accessory Drive Pulley AD2031
Cylinder Block BB2712
Cylinder Liner BB2712
Crankshaft BB2712
Main Bearings BB2712
Gear Housing BB2712
Idler Gears BB2712
Cam Follower Lever BB2712
Cylinder Block Plumbing BB2737
Crankcase Breather Plumbing BR2708
Air Cleaner Plumbing CA2041
Coolant Heater Starting Aid CH2021
Air Compressor Inlet Connection CI2705
Air Compressor Plumbing CP2063
Vibration Damper DA2070
Front Gear Train Accessory Drive
Fuel Pump Drive DP2701
Engine Brake Control EB2047
Thermostat EC2701
Alternator EE2050
Alternator Mounting EH2165
Alternator Drive Pulley EH2712
Front Engine Support EM2078
Fan Drive FA2288
Fan Drive Belt FA2736
Fuel Filter FF2238
Fuel Pump Fitting FF2758
Flywheel Housing FH2221
Fuel Pump FP2953
Fuel Pump Coupling FP2957
Fuel Plumbing FT20072
Flywheel FW2254
Front Gear Cover GG2706
Air Intake Connection IC2012
Air Intake Connection IC2030
Air Intake Manifold IM2001
Air Intake Manifold Mounting IM2702
Air Transfer Connection IT2017
Lifting Bracket LA2053
Oil Filter Cooler Head LC2737
Full Flow Oil Filter LF2066
Oil Level Gauge LG2085
Lube Oil Pump LP2711
Oil Filler Arrangement OB2409
Hand Hole Cover OB2701
Oil Pan OP2048
Electronic Control Cooler PH2810
Piston Cooling Nozzle PP8543
Connecting Rod PP8543
Engine Piston Kit PP8543
Camshaft PP8543
Cylinder Head PP8543
Injectors PP8543
Turbocharger PP20035
Turbocharger PP20038
Rear Engine Support RE2024
Rocker Lever
Radiator Plumbing RP2708
Starting Motor Mounting SM2704
Fan Pilot Spacer SP2006
Starting Motor ST2026
Turbocharger Arrangement TB2323
Exhaust Manifold TB2723
Thermostat Housing TH2086
Thermostat Housing Plumbing TH2762
Torque Converter Cooler TK2008
Turbocharger Plumbing TP2832
Turbocharger Plumbing TP2833
Corrosion Resistor WF2060
Oil Cooler Water Plumbing WH2704
Water Pump WP2705
External Control Module Wiring Harness WR2717
Exhaust Clamp XS2017
Lower Engine Gasket Set
Upper Engine Gasket Set
Repair Kits & Sets
1
2
3
4
5
5
6
7
8
9
10
11
Позиция на иллюстрации
Заводской номер детали
Название детали
4070536
4070536
Kit, Gear Cover
4070463
4070463
Винт
4070462
4070462
Screw, Hex Flange Head Cap
3893964
3893964
Seal, Rectangular Strip
4025151
4025151
Kit, Strip Seal
3804304
3804304
Kit, Oil Seal
3804744
3804744
Kit, Oil Seal
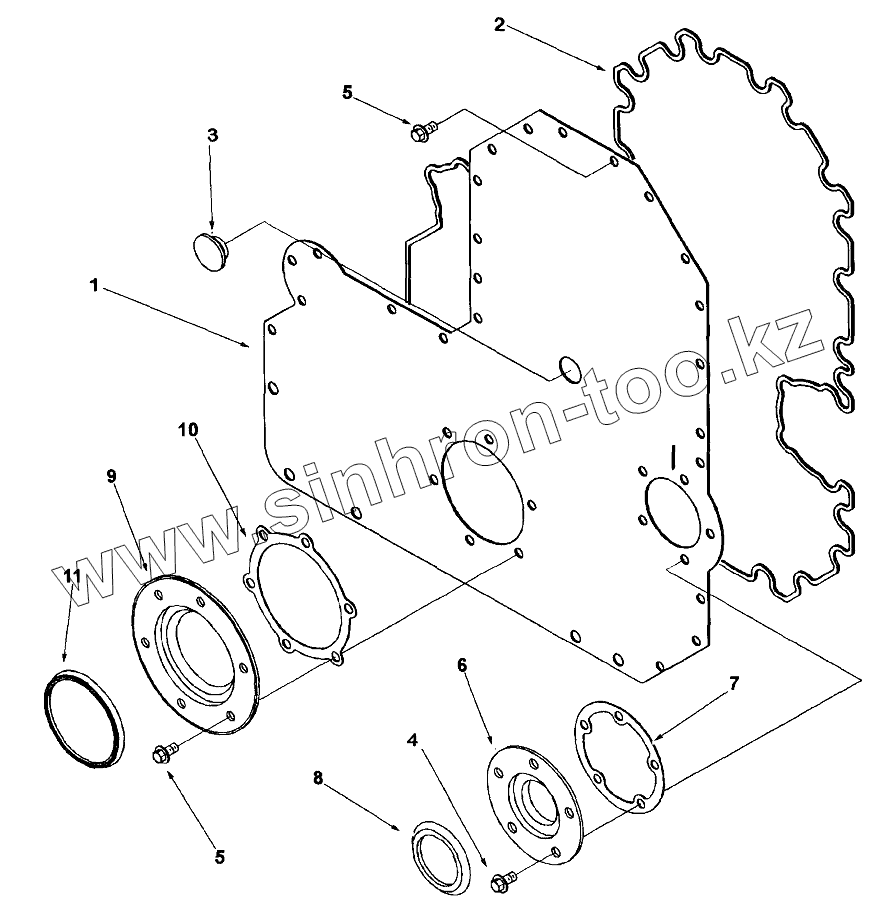
1
3400811
Cover, Gear
2
3893964
Seal, Rectangular Strip
3
4082974
Plug, Gear Cover
4
4070463
Винт
5
4070462
Screw, Hex Flange Head Cap
6
3892794
Seal, Oil
7
3328760
Gasket, Carrier
8
3896837
Seal, Dust
9
3328698
Seal, Oil
10
3328761
Gasket, Carrier
11
3895023
Seal, Dust
Содержащиеся в справочниках-каталогах запасные части и детали не предлагаются к продаже, а носят исключительно информационный характер
Дополнительная информация
×
Название:
Номер:
Примечание: