Каталог запасных частей к технике: Cummins NT855-C280 BC III. FUEL TUBING
1
1
1
1
1
2
3
3
3
4
4
4
5
5
5
6
7
8
8
9
10
11
12
13
14
14
14
14
14
15
15
16
17
18
18
18
18
18
19
20
21
22
23
23
24
25
26
27
29
30
31
40
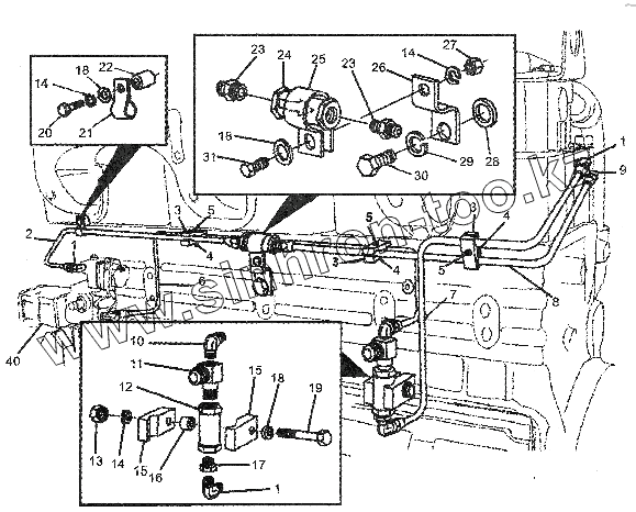
| Позиция на иллюстрации | Заводской номер детали | Название детали | |
|---|---|---|---|
| 3165644 | 3165644 | VALVE, CHECK | |
| 4061471 | 4061471 | VALVE, CHECK | |
| 4061549 | 4061549 | TUBE, FUEL BYPASS | |
| 3261552 | 3261552 | VALVE, CHECK | |
| 1 | 116936 | ELBOW, MALE ADAPTER | |
| 1 | 116936 | ELBOW, MALE ADAPTER | |
| 1 | 116936 | ELBOW, MALE ADAPTER | |
| 2 | 3165639 | TUBE, FUEL SUPPLY | |
| 3 | 3007025 | CLIP | |
| 4 | S251 | NUT, REGULAR HEXAGON JAM | |
| 5 | S1315 | SCREW, PAN HEAD CAP | |
| 6 | 3251002 | TUBE, FUEL DRAIN | |
| 7 | 3165641 | TUBE, FUEL DRAIN | |
| 8 | 3165640 | TUBE, FUEL SUPPLY | |
| 8 | 3166082 | TUBE, FUEL SUPPLY | |
| 9 | 3165835 | ELBOW, MALE ADAPTER | |
| 10 | 68139 | Колено входящей в другую деталь соединительной части | |
| 11 | 116473 | ELBOW, MALE ADAPTER | |
| 12 | 178079 | VALVE, CHECK | |
| 13 | S205 | NUT, REGULAR HEXAGON | |
| 14 | S604 | SUPPORT, OIL GAUGE TUBE | |
| 14 | S604 | SUPPORT, OIL GAUGE TUBE | |
| 14 | S604 | SUPPORT, OIL GAUGE TUBE | |
| 15 | 3165643 | CLAMP | |
| 16 | 68368В | SPACER, WATER CONN | |
| 17 | S929B | BUSHING, REDUCING PIPE | |
| 18 | S602 | WASHER, PLAIN | |
| 18 | S602 | WASHER, PLAIN | |
| 18 | S602 | WASHER, PLAIN | |
| 19 | 177020 | SCREW, HEXAGON HEAD CAP | |
| 20 | S137 | SCREW, HEXAGON HEAD CAP | |
| 21 | 180372 | CLIP | |
| 22 | 63385 | SPACER, WATER CONN | |
| 23 | 3165864 | UNION, MALE | |
| 24 | 185505 | VALVE, CHECK | |
| 25 | 107460 | CLIP | |
| 26 | 113710 | BRACE/TUBE | |
| 27 | S205 | NUT, REGULAR HEXAGON | |
| 29 | S609 | WASHER, LOCK | |
| 30 | S151С | SCREW, HEXAGON HEAD CAP | |
| 31 | 69793 | SCREW, HEXAGON HEAD | |
| 40 | 3165797 | FUEL, PUMB |
Содержащиеся в справочниках-каталогах запасные части и детали не предлагаются к продаже, а носят исключительно информационный характер