Каталог запасных частей к технике: Cummins-4BT3.9. CYLINDER BLOCK
1
2
2
2
3
4
4
4
5
6
6
6
7
8
9
10
11
12
13
14
15
16
17
17
18
19
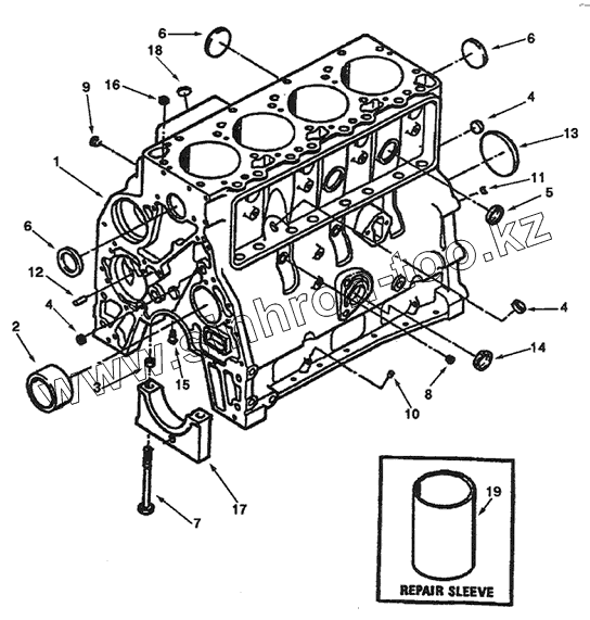
| Позиция на иллюстрации | Заводской номер детали | Название детали | |
|---|---|---|---|
| 3904991 | 3904991 | Kit, Block Hardware | |
| 3916254 | 3916254 | Block, Service | |
| 1 | 3917611 | Block, Cylinder | |
| 2 | 3901306 | Bushing | |
| 2 | 3903242 | Втулка | |
| 2 | 3904369 | Втулка | |
| 3 | 3900068 | Кольцо шпонки | |
| 4 | 3900956 | Вогнутая заглушка | |
| 5 | 3007635 | Plug, Expansion | |
| 6 | 3900965 | Plug, Expansion | |
| 7 | 3904217 | Screw, Hexagon Head Cap | |
| 8 | 3906619 | Заглушка трубы | |
| 9 | 3008468 | Заглушка трубки | |
| 10 | 3900955 | Вогнутая заглушка | |
| 11 | 3900068 | Кольцо шпонки | |
| 12 | 3900257 | Установочный штифт | |
| 13 | 3900687 | Вогнутая заглушка | |
| 14 | 3900958 | Вогнутая заглушка | |
| 15 | 3901020 | Nozzle, Piston Cooling | |
| 16 | 3902343 | Кольцо шпонки | |
| 17 | 3900967 | Cap, Main Bearing | |
| 17 | 3900967 | Cap, Main Bearing | |
| 18 | 3027646 | Plug, Expansion | |
| 19 | 3904166 | Втулка, скрап |
Содержащиеся в справочниках-каталогах запасные части и детали не предлагаются к продаже, а носят исключительно информационный характер