Каталог запасных частей к технике: Cummins-4BT3.9. BOSCH VE PUMP SERVICE PARTS
1
2
3
4
5
6
6
7
7
8
9
10
11
12
13
14
15
16
17
18
19
20
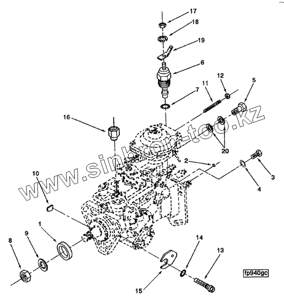
| Позиция на иллюстрации | Заводской номер детали | Название детали | |
|---|---|---|---|
| 1 | 3903569 | Seal, Shaft | |
| 2 | 3903570 | Gasket, Delivery Valve | |
| 3 | 3903572 | Screw, Vent | |
| 4 | 3903573 | Gasket, Vent Screw | |
| 5 | 3905465 | Screw, Banjo Connector | |
| 6 | 3903575 | Kit, Solenoid | |
| 6 | 39037576 | Kit, Solenoid | |
| 7 | 3903577 | O'Ring, Solenoid | |
| 7 | 3903577 | O'Ring, Solenoid | |
| 8 | 3903738 | Nut, Regular Hexagon | |
| 9 | S-609 | Washer, Lock | |
| 10 | 3902332 | Key, Plain Woodruff | |
| 11 | 3904782 | Screw, Low Idle Stop | |
| 12 | 3904783 | Nut, Idle Screw Hex | |
| 13 | 3904784 | Screw, Timing Lock | |
| 14 | 3904785 | O'Ring Timing Lock | |
| 15 | 3904786 | Plate, Timing Lock | |
| 16 | 3903382 | Adapter, Reducing | |
| 17 | 3907480 | Nut | |
| 18 | 3907481 | Lockwasher | |
| 19 | 3907482 | Blade, Terminal | |
| 20 | 3903037 | Washer, Sealing |
Содержащиеся в справочниках-каталогах запасные части и детали не предлагаются к продаже, а носят исключительно информационный характер