Каталог запасных частей к технике: Cummins B180-20. РР9984-09 Головка цилиндров
3967431
РР9984-09
1
2
3
4
4
5
5
6
6
7
8
9
10
11
11
12
12
13
14
14
15
16
17
18
19
20
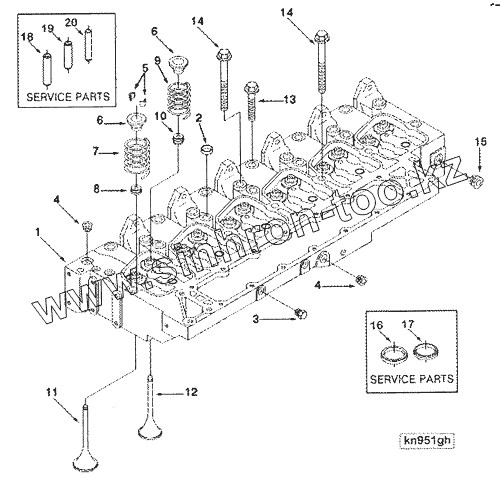
| Позиция на иллюстрации | Заводской номер детали | Название детали | |
|---|---|---|---|
| 3967431 | 3967431 | Головка цилиндров | |
| РР9984-09 | РР9984-09 | Головка цилиндров | |
| 1 | 3966454 | Головка, цилиндров | |
| 2 | 3812092 | Заглушка, распрямляемая | |
| 3 | 3906619 | Заглушка трубы | |
| 4 | 3008468 | Заглушка трубки | |
| 5 | 3900250 | Сухарь, клапан | |
| 5 | 3900250 | Сухарь, клапан | |
| 6 | 3957913 | Держатель, клапанная пружина | |
| 7 | 3916691 | Пружина, клапан | |
| 8 | 3957912 | Уплотнение, стержень клапана | |
| 9 | 3926700 | Пружина, клапан | |
| 10 | 3957912 | Уплотнение, стержень клапана | |
| 11 | 3920867 | Клапан, впускной | |
| 11 | 3802355 | Клапан, впускной | |
| 12 | 3802356 | Клапан, выпускной | |
| 12 | 3920868 | Клапан, выпускной | |
| 13 | 3920779 | Винт, с шестигранной головкой | |
| 14 | 3920780 | Винт, с шестигранной головкой | |
| 15 | 3008469 | Заглушка трубки | |
| 16 | 3904105 | Вставка, клапан | |
| 17 | 3906854 | Вставка, клапан | |
| 18 | 3904408 | Направляющая, стержень клапана | |
| 19 | 3904409 | Направляющая, стержень клапана | |
| 20 | 3906206 | Направляющая, стержень клапана |
Содержащиеся в справочниках-каталогах запасные части и детали не предлагаются к продаже, а носят исключительно информационный характер