Каталог запасных частей к технике: Cummins 4ISBe-185. Модуль управления двигателем
1
2
3
4
5
6
7
8
9
10
11
12
13
14
15
16
17
18
19
20
21
22
23
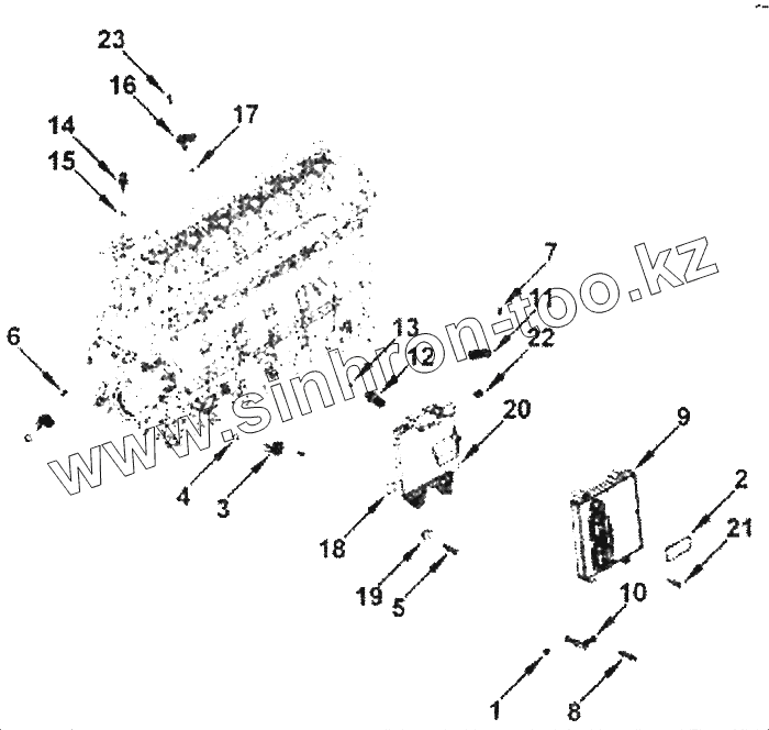
| Позиция на иллюстрации | Заводской номер детали | Название детали | |
|---|---|---|---|
| 4921684 | 4921684 | Датчик | |
| PH9205 | PH9205 | Модуль управления двигателем | |
| 1 | 3093956 | Винт | |
| 2 | 3958748 | Наклейка | |
| 3 | 4921685 | Датчик | |
| 4 | 4928599 | Уплотнительное кольцо | |
| 5 | 3901445 | Болт с фланцем и шестигранной головкой | |
| 6 | 3905391 | Seal, Grommet | |
| 7 | 3920854 | Винт, пружинная зубчатая шайба | |
| 8 | 3944818 | Винт | |
| 9 | 4988820 | Модуль управления двигателем | |
| 10 | 3977357 | Провод заземления | |
| 11 | 4076493 | Датчик давления | |
| 12 | 4076930 | Датчик давления | |
| 13 | 4921574 | Уплотнительное кольцо | |
| 14 | 4954905 | Датчик температуры | |
| 15 | 4010519 | Уплотнительное кольцо | |
| 16 | 4921322 | Датчик температуры/давления | |
| 17 | 4903432 | Кольцевое уплотнение | |
| 18 | 3955219 | Виброизолятор | |
| 19 | 3955220 | Виброизолятор | |
| 20 | 4936170 | Кронштейн | |
| 21 | 3900633 | Винт с шестигранным фланцевым цоколем | |
| 22 | 4932211 | Хомут | |
| 23 | 3957849 | Болт с торцевой головкой |
Содержащиеся в справочниках-каталогах запасные части и детали не предлагаются к продаже, а носят исключительно информационный характер