Вернуться на главную
Поиск
Каталоги запчастей к технике
Двигатели
Caterpillar
Caterpillar-3116
705-1708 Головка блока цилиндров
Каталог запасных частей к технике: Caterpillar-3116. 705-1708 Головка блока цилиндров
zoom-in
zoom-out
enlarge
shrink
circle-right
circle-left
file-text2
info
cart
Тип техники
Не выбрано
Легковые автомобили
Грузовые автомобили и прицепы
Автобусы
Сельхозтехника
Спецтехника
Двигатели
Мототехника
Марка
Не выбрано
BAW
Caterpillar
Cummins
DCEC
DongFeng
Doosan
FAW
Great Wall
Hitachi
HOWO
HSW
IVECO
Komatsu
LGMG
Perkins
Raywin
SDEC
Shaanxi
Valmet
Weichai
XINCHAI
YTO
Yuchai
ZF
Алтайдизель
Барнаултрансмаш
ВТЗ
ГАЗ
ЗиД
ЗМЗ
Камский автозавод
ММЗ
СМД
ТМЗ
УМЗ
ЧТЗ
ЮМЗ
ЯЗДА
ЯМЗ
Модель
Не выбрано
Caterpillar-3116
Схема
>
Не выбрано
7Е-6289 Крепление привода вспомогательных механизмов
6I-1971 Крепление маховика
4Р-5435 Воздушный компрессор в сборе
106-7851 Воздушный компрессор в сборе
4Р-3956 Воздушный компрессор
4Р-3957 Воздушный компрессор
6I-1670 Воздушный компрессор
6I-2368 Воздушный компрессор
6I-2368 Воздушный компрессор
106-7852 Воздушный компрессор
106-7853 Воздушный компрессор
125-9562 Воздушный компрессор
140-8059 Воздушный компрессор
164-7557 Воздушный компрессор
164-7558 Воздушный компрессор
199-7965 Воздушный компрессор
199-9607 Воздушный компрессор
199-9607 Воздушный компрессор
124-7786 Натяжитель ремня
110-0361 Натяжитель ремня
100-4966 Вал распределительный
4W-3462 Держатель уплотнения
7Е-7598 Крышка блока цилиндров
7Е-9959 Крышка блока цилиндров
116-7057 Крышка блока цилиндров
7L-0004 Крышка переднего корпуса
7W-9847 Крышка переднего корпуса
4W-2172 Крышка клапанного механизма
6I-1158 Крышка клапанного механизма
7Е-9915 Крышка клапанного механизма
9Y-1224 Крышка клапанного механизма
9Y-7620 Крышка клапанного механизма
4W-2197 Вал коленчатый
4W-2197 Вал коленчатый
151-6301 Вал коленчатый
156-0230 Вал коленчатый
2W-9746 Блок цилиндров
2W-9746 Блок цилиндров
2W-9746 Блок цилиндров
2W-9746 Блок цилиндров
7С-5826 Блок цилиндров
7Е-2482 Блок цилиндров
7Е-2482 Блок цилиндров
100-4948 Блок цилиндров
129-1095 Блок цилиндров
149-5403 Блок цилиндров
4Р-5125 Головка блока цилиндров в сборе
107-7592 Головка блока цилиндров в сборе
105-1684 Головка блока цилиндров
705-1708 Головка блока цилиндров
105-1708 Головка блока цилиндров
4Р-5812 Шкив и демпфер
106-4358 Шкив и демпфер
111-7245 Шкив и демпфер
124-5675 Шкив и демпфер
140-8060 Шкив и демпфер
151-0775 Шкив и демпфер
200-0966 Шкив и демпфер
113-6262 Привод вспомогательного механизма
7С-0044 Привод вентилятора
105-1810 Привод вентилятора
112-1130 Привод вентилятора
223-0128 Привод вентилятора
7С-6998 Привод водяного насоса
173-6551 Крепление двигателя
9Y-4142 Маховик
9Y-6706 Маховик
100-6576 Маховик
198-1204 Маховик
2W-8475 Шестерня передняя
4W-1103 Картер маховика
7Е-3717 Картер маховика
100-6568 Картер маховика
100-6570 Картер маховика
7L-0002 Картер передний
4W-2515 Кронштейн для подъема двигателя
7Е-2314 Кронштейн для подъема двигателя
4Р-0592 Трубопроводы воздушного компрессора
6I-4443 Трубопроводы воздушного компрессора
106-9138 Трубопроводы воздушного компрессора
118-7281 Трубопроводы воздушного компрессора
160-8515 Трубопроводы воздушного компрессора
4Р-4372 Механизм привода топливного насоса и клапанов
9Y-3946 Установка генератора
111-7242 Установка генератора
123-8382 Установка генератора
9Y-6667 Установка двигателя (подушка двигателя)
126-8241 Установка привода вентилятора
142-7107 Установка привода вентилятора
4Р-1723 Поддон картера
4W-0269 Поддон картера
105-1557 Поддон картера
115-5340 Поддон картера
117-9696 Поддон картера
135-0330 Поддон картера
223-0129 Поддон картера
223-0130 Поддон картера
105-1711 Поршень и шатун
105-1711 Поршень и шатун
115-4081 Поршень и шатун
7С-5034 Планка звукогасителя
175-3223 Натяжной шкив
130-5871 Шкив
4Р-4452 Шкив вала коленчатого
4W-5429 Шкив вала коленчатого
727-9697 Шкив вентилятора
9Y-0758 Шкив привода вентилятора
106-4357 Насос гидроусилителя рулевого управления
107-7722 Коромысло клапана
4W-1016 Уплотнение вала коленчатого
4W-1016 Уплотнение вала коленчатого
4W-1016 Уплотнение вала коленчатого
4Р-2838 Опора двигателя
7С-2273 Опора двигателя
7Е-1717 Опора двигателя
7Е-6303 Опора двигателя
106-7077 Опора двигателя
157-1737 Опора двигателя
200-0969 Опора двигателя
4N-8771 Комплект V-образных ремней
8S-5154 Комплект V-образных ремней
1N-3477 Вентиляционный клапан
131-4810 Вентиляционный клапан
7W-8420 Удаление картерных газов
7Е-1492 Крепление вентилятора
7Е-1499 Вентилятор
1W-2431 Хомут
6I-2551 Воздушный фильтр
7Е-5169 Воздушный фильтр
111-0302 Воздушный фильтр
7Е-5170 Индикатор засоренности воздушного фильтра
4Р-7495 Крышка впускного коллектора
4Р-2900 Крышка впускного коллектора
4Р-3503 Крышка впускного коллектора
4Р-1720 Воздухопроводы
7Е-6286 Воздухопроводы
4Р-1496 Впускной коллектор
101-4548 Турбокомпрессор
101-4553 Турбокомпрессор
103-0655 Турбокомпрессор
114-4658 Турбокомпрессор
132-5237 Турбокомпрессор
133-5324 Турбокомпрессор
149-8280 Основа топливного фильтра
105-1695 Система управления впрыском топлива
7Е-9429 Управление регулятором
7Е-8794 Привод регулятора и насоса
7W-4812 Крепление топливного насоса высокого давления
149-8279 Крепление топливопроводов
149-8865 Крепление топливопроводов
151-5057 Крепление топливопроводов
6I-2693 Фильтр топливный
146-6692 Фильтр топливный
100-6253 Регулятор блока управления впрыском топлива
100-6254 Регулятор блока управления впрыском топлива
100-6257 Регулятор блока управления впрыском топлива
100-6258 Регулятор блока управления впрыском топлива
100-6258 Регулятор блока управления впрыском топлива
100-8271 Регулятор блока управления впрыском топлива
100-8271 Регулятор блока управления впрыском топлива
107-7726 Регулятор блока управления впрыском топлива
112-9936 Регулятор блока управления впрыском топлива
126-5885 Регулятор блока управления впрыском топлива
126-5886 Регулятор блока управления впрыском топлива
130-7326 Регулятор блока управления впрыском топлива
130-7326 Регулятор блока управления впрыском топлива
151-4807 Трубопроводы системы питания
151-5056 Трубопроводы системы питания
173-5445 Трубопроводы системы питания
6I-2420 Трубопроводы топливного фильтра
149-8282 Трубопроводы топливного фильтра
149-8283 Трубопроводы топливного фильтра
151-2501 Трубопроводы топливного фильтра
172-4374 Трубопроводы топливного фильтра
205-8043 Трубопроводы топливного фильтра
101-4562 Трубопроводы управления составом смеси
149-8281 Установка топливного фильтра
153-6210 Заглушка трубопровода топливного фильтра
7С-9748 Топливный насос низкого давления вспомогательный в сборе
7W-5668 Топливный насос низкого давления в сборе
172-4388 Топливный насос низкого давления в сборе
101-4561 Топливный насос высокого давления
101-4561 Топливный насос высокого давления
105-1694 Топливный насос высокого давления
101-1533 Топливный насос ручной подкачки
101-1536 Топливный насос ручной подкачки
106-3296 Топливный насос ручной подкачки
9N-6519 Водоотделитель
118-1467 Водоотделитель
142-8166 Водоотделитель
145-8862 Водоотделитель
141-8288 Клапан топливный редукционный
4Р-1479 Подогреватель впускного воздуха
118-7284 Подогреватель впускного воздуха
9N-6329 Колено выпускного коллектора
9N-6330 Колено выпускного коллектора
9N-6328 Расширение выпускного коллектора
6I-2298 Выпускной коллектор
7С-2472 Выпускной коллектор
7W-9248 Выпускной коллектор
172-4375 Установка водяного фильтра
1W-1310 Фильтр охлаждающей жидкости
4Р-5391 Трубопроводы системы охлаждения
100-4942 Трубопроводы системы охлаждения
116-7043 Трубопроводы системы охлаждения
117-2980 Трубопроводы системы охлаждения
4Р-3680 Насос системы охлаждения
4Р-3683 Насос системы охлаждения
4Р-8520 Насос системы охлаждения
4Р-8520 Насос системы охлаждения
4Р-8520 Насос системы охлаждения
4Р-8520 Насос системы охлаждения
4Р-8538 Насос системы охлаждения
107-7758 Насос системы охлаждения
126-5918 Насос системы охлаждения
129-1172 Насос системы охлаждения
129-1173 Насос системы охлаждения
200-0967 Насос системы охлаждения
7С-4566 Слив масла
7Е-2313 Слив масла
106-3843 Слив масла
129-5731 Слив масла
7Е-3593 Маслозаливная труба двигателя
114-4390 Маслозаливная труба двигателя
199-4880 Маслозаливная труба двигателя
4Р-8183 Масляный фильтр
4Р-2615 Щуп уровня масла
6I-2681 Щуп уровня масла
106-8633 Щуп уровня масла
114-4389 Щуп уровня масла
138-9476 Щуп уровня масла
4W-2914 Трубопроводы системы смазки
7С-2475 Трубопроводы системы смазки
7Е-2315 Трубопроводы системы смазки
135-0329 Трубопроводы системы смазки
135-0339 Трубопроводы системы смазки
4Р-7703 Трубопроводы смазки турбокомпрессора
7С-2476 Трубопроводы смазки турбокомпрессора
2W-8625 Масляный насос
4W-2195 Масляный насос
4W-2195 Масляный насос
4W-2195 Масляный насос
119-2924 Масляный насос
200-4497 Масляный насос
100-6269 Радиатор масляный
172-4377 Крепление масляного фильтра
7W-8434 Трубопроводы регулятора масла
118-7280 Подогреватель масла
133-2864 Щуп уровня масла
105-9785 Сцепление
112-1112 Сцепление
118-0234 Сцепление
119-6956 Сцепление
120-4885 Сцепление
37-6352 Генератор
5N-5692 Генератор
5N-5692 Генератор
6N-9294 Генератор
6N-9294 Генератор
7G-7889 Генератор
7G-7889 Генератор
7N-9720 Генератор
9G-4574 Генератор
9W-3043 Генератор
9Х-6796 Генератор
9Х-7803 Генератор
9Y-8187 Генератор
106-7807 Генератор
106-7807 Генератор
117-9353 Генератор
121-4134 Генератор
197-8820 Генератор
221-0433 Генератор
106-8956 Электрическое соединение
4Р-6602 Блок управления
7С-9458 Соленоид закрывающий
9Y-0545 Соленоид закрывающий
6I-4991 Стартер
6V-4212 Стартер
6V-5720 Стартер
7Е-3561 Стартер
7Е-5979 Стартер
7Х-5987 Стартер
103-0875 Стартер
104-7040 Стартер
106-8557 Стартер
108-3858 Стартер
108-3858 Стартер
150-4247 Стартер
153-9714 Стартер
153-9714 Стартер
207-1511 Стартер
207-1541 Стартер
117-2974 Электропровода
118-7285 Электропровода
128-1675 Электропровода
112-5476 Электропровода подогревателя впускного воздуха
4Р-5820 Датчик скорости
6I-2016 Счетчик моточасов
9G-6762 Счетчик часов
197-7347 Тахометр электрический
6L-4502 Таблички
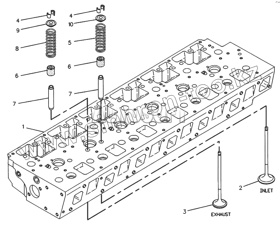
1
2
3
4
4
5
6
6
7
7
8
9
10
Позиция на иллюстрации
Заводской номер детали
Название детали
705-1708
705-1708
СYLINDЕR НЕАD GР*R
1
4Р-5125
СYLINDЕR НЕАD АS
2
7W-8064
VАLVЕ-INLЕТ
3
7W-2699
VАLVЕ-ЕХНАUSТ
4
1W-2715
LОСК-RЕТАINЕR
5
7С-4273
SРRING-VАLVЕ
6
4Р-7750
SЕАL-VАLVЕ SТЕМ
7
9Y-8848
GUIDЕ-VАLVЕ
8
6I-2307
SРRING-VАLVЕ
9
4Р-4949
RЕТАINЕR-SРRING
10
7Е-7779
RЕТАINЕR-SРRING
Содержащиеся в справочниках-каталогах запасные части и детали не предлагаются к продаже, а носят исключительно информационный характер
Дополнительная информация
×
Название:
Номер:
Примечание: