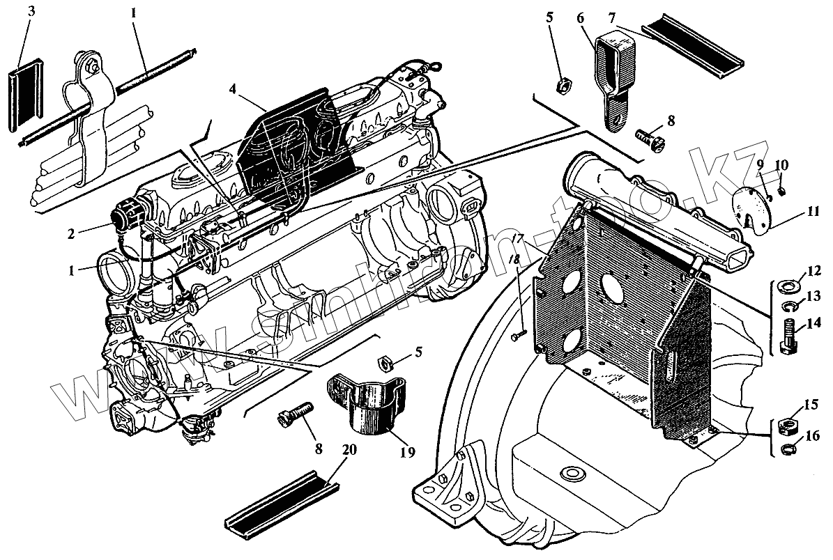
Каталог запасных частей к технике: Барнаултрансмаш Дизели Д6С2. Установка щитка управления дизелем
1
1
2
3
4
5
5
6
7
8
8
9
10
11
12
13
14
15
16
17
18
19
20
| Позиция на иллюстрации | Заводской номер детали | Название детали | |
|---|---|---|---|
| 1 | сб.537-56-32 | Провод со штепсельным разъемом | |
| 2 | [Первичный преобразователь тахометра Д-2ММ] | Первичный преобразователь тахометра Д-2ММ | |
| 3 | 520-146 | Прокладка | |
| 4 | сб.537-01-39-1 | Щиток управления в сборе | |
| 5 | 351-10 | Гайка М4 | |
| 6 | 537-410 | Хомутик | |
| 7 | 537-412 | Прокладка | |
| 8 | 356-46 | Винт М4х12 | |
| 9 | 353-23 | Шайба пружинная 6Т | |
| 10 | 351-06 | Гайка М6 | |
| 11 | 537-60-39-1 | Крышка | |
| 12 | 315-639-1 | Шайба | |
| 13 | 353-26 | Шайба пружинная 10Т | |
| 14 | 356-67А | Болт М10х20 | |
| 15 | 351-02 | Гайка М8 | |
| 16 | 353-24 | Шайба пружинная 8Т | |
| 17 | сб.537-08-32 | Корпус щитка | |
| 18 | 356-16А | Болт М6х14 | |
| 19 | 537-85 | Хомутик | |
| 20 | 3335-38-4 | Прокладка |
Содержащиеся в справочниках-каталогах запасные части и детали не предлагаются к продаже, а носят исключительно информационный характер