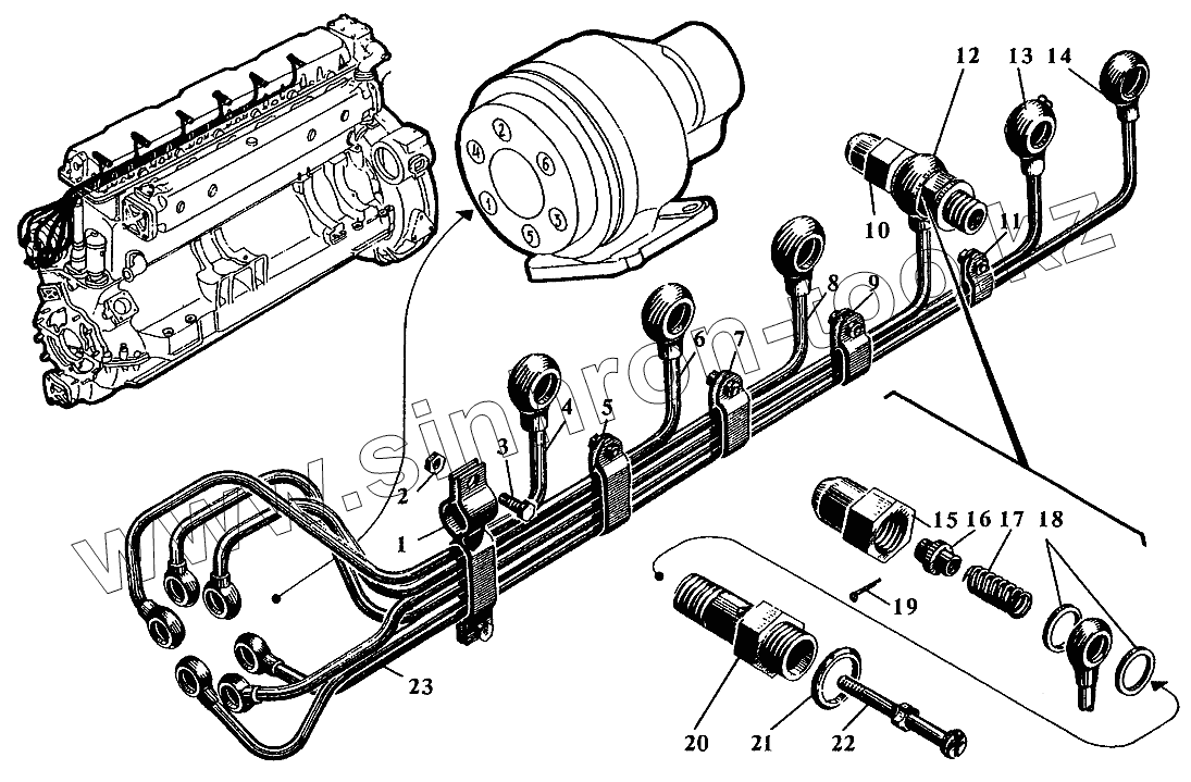
Каталог запасных частей к технике: Барнаултрансмаш Дизели Д6С2. Трубопровод воздушного пуска и пусковой клапан
1
2
3
4
5
6
7
8
9
10
11
12
13
14
15
16
17
18
19
20
21
22
23
| Позиция на иллюстрации | Заводской номер детали | Название детали | |
|---|---|---|---|
| 1 | сб.322-64-1 | Хомутик шести трубок | |
| 2 | 351-13 | Гайка М5 | |
| 3 | 356-22 | Винт М5х12 | |
| 4 | сб.522-07-8 | Трубка воздушного пуска первого цилиндра | |
| 5 | 322-68 | Хомутик пяти трубок | |
| 6 | сб.522-08-8 | Трубка воздушного пуска второго правого цилиндра | |
| 7 | 522-67 | Хомутик четырех трубок | |
| 8 | сб.522-09-8 | Трубка воздушного пуска третьего цилиндра | |
| 9 | 522-66 | Хомутик трех трубок | |
| 10 | сб.522-13-1 | Клапан пусковой | |
| 11 | 322-65 | Хомутик двух трубок | |
| 12 | сб.522-10-8 | Трубка воздушного пуска четвертого правого цилиндра | |
| 13 | сб.522-11-8 | Трубка воздушного пуска пятого цилиндра | |
| 14 | сб.522-12-8 | Трубка воздушного пуска шестого правого цилиндра | |
| 15 | 322-37 | Колпачок пускового клапана | |
| 16 | 322-35 | Гайка пускового клапана | |
| 17 | 322-36 | Пружина | |
| 18 | 355-11 | Кольцо уплотнительное 16х22 | |
| 19 | 354-09 | Шплинт разводной 1,5х12 | |
| 20 | 522-33 | Корпус клапана | |
| 21 | 355-08 | Кольцо уплотнительное 18х24 | |
| 22 | 322-34-1 | Грибок пускового клапана | |
| 23 | сб.522-15-8 | Воздухопровод пусковой |
Содержащиеся в справочниках-каталогах запасные части и детали не предлагаются к продаже, а носят исключительно информационный характер