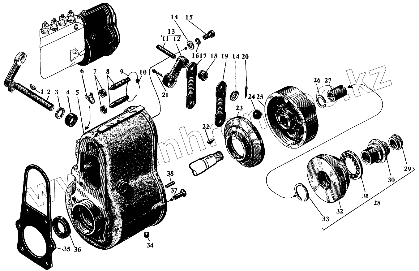
Каталог запасных частей к технике: Барнаултрансмаш Дизели Д6С2. Регулятор
1
2
3
4
5
6
7
8
9
10
11
12
13
14
14
15
16
17
18
19
20
21
22
23
24
25
26
27
28
29
30
31
32
33
34
35
36
37
38
| Позиция на иллюстрации | Заводской номер детали | Название детали | |
|---|---|---|---|
| 1 | 315-64 | Шпонка сегментная | |
| 2 | 515-640-3 | Валик с рычагом | |
| 3 | 315-639-1 | Шайба | |
| 4 | сб.315-668 | Манжета с пружиной | |
| 5 | сб.1215-601 | Корпус регулятора | |
| 6 | 353-16-1 | Шайба стопорная 8 | |
| 7 | 351-02 | Гайка М8 | |
| 8 | 315-49 | Винт ограничителя | |
| 9 | 354-22 | Проволока стопорная | |
| 10 | 315-141 | Пломба | |
| 11 | 515-631 | Палец рычага пружин | |
| 12 | 515-630 | Рычаг пружин | |
| 13 | сб.515-611 | Рычаг | |
| 14 | 353-04-1 | Шайба чистая 6 | |
| 15 | 356-84 | Болт М6х20 | |
| 16 | 353-23 | Шайба пружинная 6Т | |
| 17 | сб.515-602-6 | Пружина регулятора | |
| 18 | 515-634 | Втулка дистанционная | |
| 19 | сб.1215-602 | Пружина регулятора | |
| 20 | 354-17 | Шплинт разводной 2х12 | |
| 21 | 354-12 | Шплинт разводной 2х20 | |
| 22 | 308-88 | Шпонка сегментная | |
| 23 | 515-610 | Тарелка регулятора | |
| 24 | 315-614 | Шарик 25,4мм | |
| 25 | 515-611-2 | Крестовина регулятора | |
| 26 | 353-28 | Шайба пружинная 14Н | |
| 27 | 315-647 | Гайка | |
| 28 | сб.515-664-1 | Втулка с диском в сборе | |
| 29 | 515-615 | Упор рычага | |
| 30 | 515-616 | Втулка | |
| 31 | 315-646-1 | Подшипник №308109 | |
| 32 | 515-613 | Диск упора | |
| 33 | 315-644 | Кольцо стопорное | |
| 34 | 556-12 | Винт стопорный М8х8 | |
| 35 | 327-109-1 | Прокладка | |
| 36 | сб.20-12-07-2 | Манжета | |
| 37 | 327-44 | Винт стяжной | |
| 38 | 515-18 | Штифт |
Содержащиеся в справочниках-каталогах запасные части и детали не предлагаются к продаже, а носят исключительно информационный характер