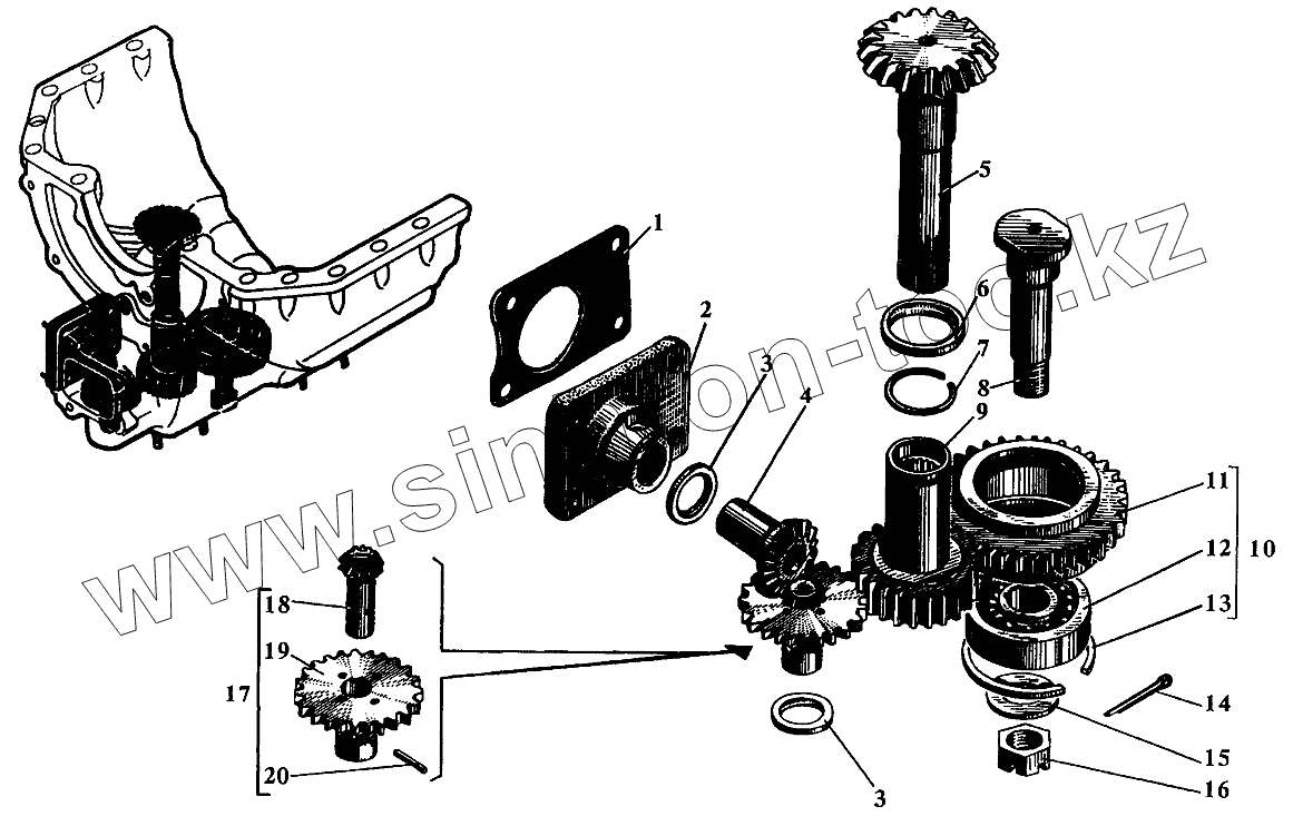
Каталог запасных частей к технике: Барнаултрансмаш Дизели Д6С2. Передача к агрегатам
1
2
3
3
4
5
6
7
8
9
10
11
12
13
14
15
16
17
18
19
20
| Позиция на иллюстрации | Заводской номер детали | Название детали | |
|---|---|---|---|
| 1 | 302-56 | Прокладка | |
| 2 | 302-37-3 | Подшипник горизонтальной шестерни привода топлива | |
| 3 | 302-54 | Кольцо установочное | |
| 4 | 302-21 | Шестерня привода топливоподкачивающего насоса горизонтальная | |
| 5 | 502-45 | Валик вертикальный | |
| 6 | 308-72-2 | Кольцо установочное | |
| 7 | 302-108 | Кольцо упорное | |
| 8 | 302-18-3 | Палец передачи к масленому насосу | |
| 9 | 502-23 | Шестерня нижнего вертикального валика | |
| 10 | сб.302-02-6 | Передача к масляному насосу | |
| 11 | 302-15-6 | Шестерня привода масляного насоса | |
| 12 | 302-16-1 | Шарикоподшипник №60-305 | |
| 13 | 302-17-2 | Замок | |
| 14 | 354-18 | Шплинт разводной 4х36 | |
| 15 | 302-50 | Шайба | |
| 16 | 351-22-1 | Гайка М16 | |
| 17 | сб.302-05-2 | Шестерня привода топливоподкачивающего насоса вертикальная | |
| 18 | 302-31-1 | Шестерня привода топливоподкачивающего насоса вертикальная коническая | |
| 19 | 302-32-1 | Шестерня привода топливоподкачивающего насоса вертикальная | |
| 20 | 302-33 | Штифт конический 4х26 |
Содержащиеся в справочниках-каталогах запасные части и детали не предлагаются к продаже, а носят исключительно информационный характер