Каталог запасных частей к технике: Барнаултрансмаш Дизели Д6С2. Насос масляный
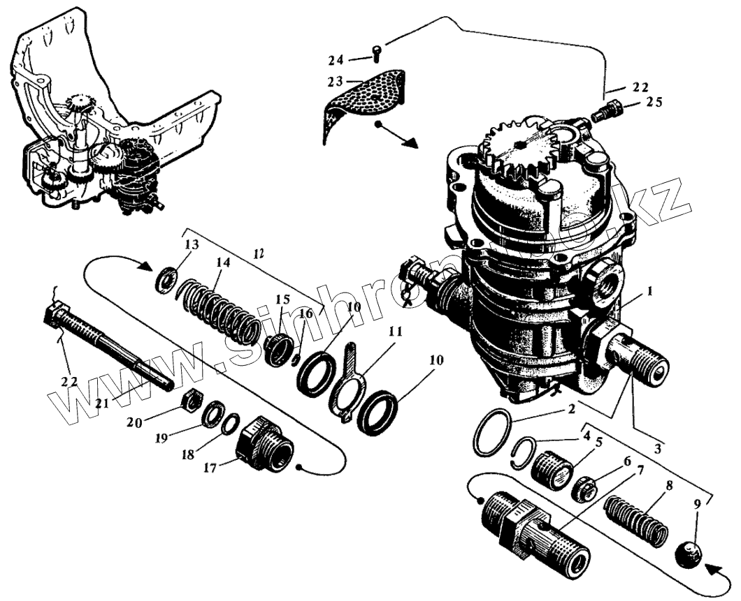
1
2
3
4
5
6
7
8
9
10
10
11
12
13
14
15
16
17
18
19
20
21
22
22
23
24
25
| Позиция на иллюстрации | Заводской номер детали | Название детали | |
|---|---|---|---|
| 1 | сб.512-00-6 | Насос масляный | |
| 2 | 20-55-12Б | Кольцо уплотнительное | |
| 3 | сб.512-07-1 | Клапан двойной | |
| 4 | 307-19-2 | Замок | |
| 5 | 512-92 | Седло клапана | |
| 6 | 512-91 | Клапан | |
| 7 | 512-90-1 | Корпус клапана | |
| 8 | 413-111 | Пружина | |
| 9 | Шарик 16мм | Шарик 16мм | |
| 10 | 413-94А | Прокладка | |
| 11 | 312-13-2 | Замок пластинчатый | |
| 12 | сб.312-03-2 | Клапан редукционный | |
| 13 | 312-11-2 | Шайба упорная | |
| 14 | 312-12-4 | Пружина редукционного клапана | |
| 15 | 312-09-1 | Клапан | |
| 16 | 312-14 | Кольцо стопорное | |
| 17 | 312-08 | Корпус редукционного клапана | |
| 18 | 301-161А | Кольцо уплотнительное | |
| 19 | 353-07-1 | Шайба чистая 10 | |
| 20 | 351-41 | Гайка М10 | |
| 21 | 312-10-4 | Болт установочный | |
| 22 | 354-22-06 | Проволока стопорная | |
| 23 | 312-81-3 | Сетка | |
| 24 | 302-44 | Винт | |
| 25 | 312-33 | Болт стопорный |
Содержащиеся в справочниках-каталогах запасные части и детали не предлагаются к продаже, а носят исключительно информационный характер