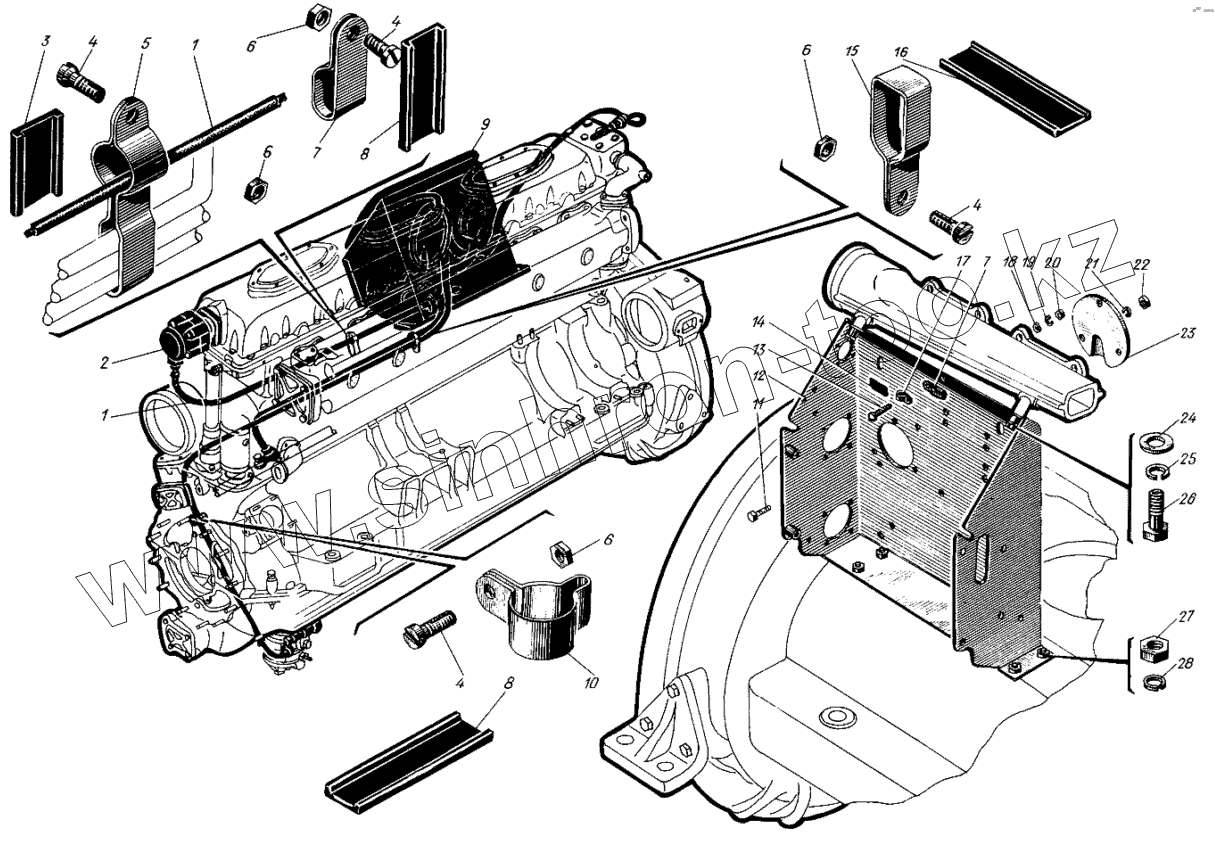
Каталог запасных частей к технике: Барнаултрансмаш Дизели Д6С1. Установка щитка управления дизелем
1
1
2
3
4
4
4
4
5
5
5
6
6
6
6
7
7
8
8
9
9
10
11
12
13
13
14
14
15
16
17
17
18
19
19
20
20
21
22
23
24
25
26
27
28
| Позиция на иллюстрации | Заводской номер детали | Название детали | |
|---|---|---|---|
| 1 | сб.537-56-32 | Провод со штепсельным разъемом | |
| 2 | 537-92-10 | Первичный преобразователь тахометра Д-2ММ | |
| 3 | 520-146 | Прокладка | |
| 4 | 356-46 | Винт М4х12 | |
| 5 | 522-66 | Хомутик трех трубок | |
| 5 | 522-67 | Хомутик четырех трубок | |
| 5 | сб.322-64-1 | Хомутик шести трубок | |
| 6 | 351-10 | Гайка М4 | |
| 7 | 322-65 | Хомутик двух трубок | |
| 8 | 3335-38-3 | Прокладка | |
| 9 | сб.537-1-39-1 | Щиток управления в сборе | |
| 9 | сб.537-01-34-1 | Щиток управления в сборе | |
| 10 | 537-85 | Хомутик | |
| 11 | 356-16А | Болт М6х14 | |
| 12 | сб.537-08-32 | Корпус щитка | |
| 13 | 356-16А | Болт М6х14 | |
| 13 | 556-60-1 | Винт М4х16 | |
| 14 | 3335-38-5 | Прокладка | |
| 14 | 420-149-2 | Прокладка | |
| 15 | 537-410 | Хомутик | |
| 16 | 537-412 | Прокладка | |
| 17 | У05-14-40 | Хомут | |
| 17 | 1237-29 | Хомутик | |
| 18 | 353-09 | Шайба чистая 4 | |
| 19 | 553-09-1 | Шайба пружинная 4Л | |
| 19 | 353-23 | Шайба пружинная 6Т | |
| 20 | 351-06 | Гайка М6 | |
| 20 | 351-10 | Гайка М4 | |
| 21 | 353-23 | Шайба пружинная 6Т | |
| 22 | 351-06 | Гайка М6 | |
| 23 | 537-60-39 | Крышка | |
| 24 | 353-07-1 | Шайба чистая 10 | |
| 25 | 353-26 | Шайба пружинная 10Т | |
| 26 | 356-67А | Болт М10х20 | |
| 27 | 351-02 | Гайка М8 | |
| 28 | 353-24 | Шайба пружинная 8Т |
Содержащиеся в справочниках-каталогах запасные части и детали не предлагаются к продаже, а носят исключительно информационный характер