Каталог запасных частей к технике: Барнаултрансмаш Дизели Д6С1. Редуктор дистанционного управления
1
1
2
2
2
3
3
4
4
5
5
5
6
6
7
7
8
8
9
10
11
12
13
13
14
15
16
17
18
18
19
20
21
22
23
24
25
26
27
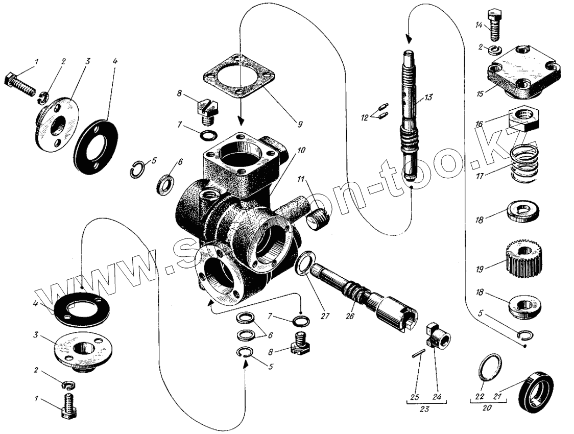
| Позиция на иллюстрации | Заводской номер детали | Название детали | |
|---|---|---|---|
| 1 | 556-56 | Болт М6х12 | |
| 2 | 353-23 | Шайба пружинная 6Т | |
| 3 | 587-24-1 | Крышка | |
| 4 | 587-29 | Прокладка | |
| 5 | 587-34 | Кольцо стопорное | |
| 6 | 333-12-1А | Кольцо установочное | |
| 7 | 529-31 | Шайба | |
| 8 | 514-49 | Пробка | |
| 9 | 587-28-1 | Прокладка | |
| 10 | 587-20 | Корпус редуктора | |
| 11 | 587-30 | Заглушка | |
| 12 | 587-48 | Штифт | |
| 13 | сб.587-06-6 | Муфта предохранителя в сборе | |
| 13 | 587-43-5 | Червяк ведомый | |
| 14 | 356-16А | Болт М6х14 | |
| 15 | 587-22-2 | Подшипник | |
| 16 | 551-08-1 | Гайка М12 | |
| 17 | 514-56 | Пружина | |
| 18 | 587-45 | Диск муфты | |
| 19 | 587-23 | Шестерня червячная | |
| 20 | сб.411-96-1 | Манжета с пружиной | |
| 21 | сб.411-82-3Б | Манжета | |
| 22 | 411-94 | Пружина кольцевая | |
| 23 | сб.587-11-1 | Крестовина в сборе | |
| 24 | 587-64-1 | Крестовина | |
| 25 | 327-95 | Ролик игольчатый 2,5х13,8 | |
| 26 | 587-25-1 | Червяк ведущий | |
| 27 | 333-11А | Кольцо установочное |
Содержащиеся в справочниках-каталогах запасные части и детали не предлагаются к продаже, а носят исключительно информационный характер