Каталог запасных частей к технике: Барнаултрансмаш Дизели Д6С1. Привод топливного насоса и детали управления дизелем
1
1
1
1
1
1
1
2
2
2
3
3
3
3
3
3
4
4
4
5
5
5
6
6
7
8
8
9
10
10
10
11
12
13
14
14
15
15
15
16
17
17
17
18
19
20
21
22
23
23
24
24
25
26
27
28
29
30
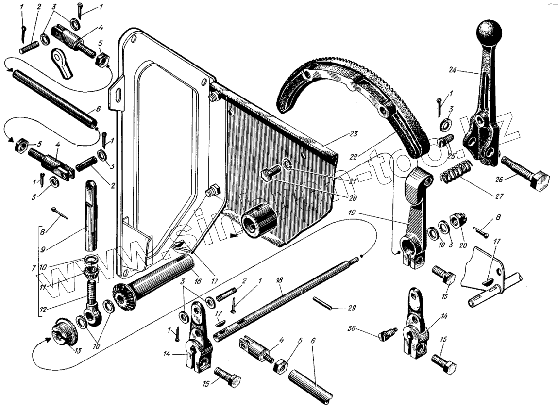
| Позиция на иллюстрации | Заводской номер детали | Название детали | |
|---|---|---|---|
| 1 | 354-19 | Шплинт разводной 3,2х18 | |
| 2 | 334-24 | Валик тяги | |
| 3 | 353-05-1 | Шайба чистая 8 | |
| 4 | 334-14А | Вилка тяги подачи | |
| 5 | 351-02 | Гайка М8 | |
| 6 | 537-62-10 | Трубка тяги | |
| 7 | сб.1237-153 | Рычаг водила в сборе | |
| 8 | 354-12 | Шплинт разводной 2х20 | |
| 9 | 1237-106-3 | Рычаг водила | |
| 10 | 1237-113-1 | Шайба регулировочная | |
| 11 | 1237-103-1 | Сателлит | |
| 12 | 1237-1037-3 | Водило | |
| 13 | 587-78-1 | Шестерня дистанционного управления | |
| 14 | 537-95 | Рычаг дистанционного управления | |
| 15 | 556-07 | Болт М8х22 | |
| 16 | 537-96 | Шестерня ручного управления | |
| 17 | 315-64 | Шпонка сегментная | |
| 18 | 537-58-12 | Валик дистанционного управления | |
| 19 | 537-26-7 | Рычаг ручки | |
| 20 | 556-05 | Болт М8х16 | |
| 21 | 353-24 | Шайба пружинная 8Т | |
| 22 | 537-18-11 | Сектор | |
| 23 | сб.537-04-9 | Панель управления | |
| 23 | сб.537-04-10 | Щиток управления | |
| 24 | 537-19-10 | Ручка сектора | |
| 24 | сб.537-175 | Ручка сектора с фиксатором | |
| 25 | 537-20-10 | Фиксатор ручки | |
| 26 | 537-21-11 | Винт тонкой регулировки | |
| 27 | 537-22-10 | Пружина ручки сектора | |
| 28 | 305-45-1 | Гайка | |
| 29 | 515-18 | Штифт | |
| 30 | 3327-84 | Винт стопорный |
Содержащиеся в справочниках-каталогах запасные части и детали не предлагаются к продаже, а носят исключительно информационный характер