Вернуться на главную
Поиск
Каталоги запчастей к технике
Двигатели
Барнаултрансмаш
Дизели Д6С1
Привод газораспределения
Каталог запасных частей к технике: Барнаултрансмаш Дизели Д6С1. Привод газораспределения
zoom-in
zoom-out
enlarge
shrink
circle-right
circle-left
file-text2
info
cart
Тип техники
Не выбрано
Легковые автомобили
Грузовые автомобили и прицепы
Автобусы
Сельхозтехника
Спецтехника
Двигатели
Мототехника
Марка
Не выбрано
BAW
Caterpillar
Cummins
DCEC
DongFeng
Doosan
FAW
Great Wall
Hitachi
HOWO
HSW
IVECO
Komatsu
LGMG
Perkins
Raywin
SDEC
Shaanxi
Valmet
Weichai
XINCHAI
YTO
Yuchai
ZF
Алтайдизель
Барнаултрансмаш
ВТЗ
ГАЗ
ЗиД
ЗМЗ
Камский автозавод
ММЗ
СМД
ТМЗ
УМЗ
ЧТЗ
ЮМЗ
ЯЗДА
ЯМЗ
Модель
Не выбрано
Дизели Д12С1 (2009)
Дизели Д12С2 (2009)
Дизели Д6С1 (2009)
Дизели Д6С2 (2009)
Схема
>
Не выбрано
Дизель 1Д6-150 (вид слева)
Дизель 1Д6-150 (вид справа)
Дизель 1Д6-150АД (вид слева)
Дизель 1Д6-150АД (вид справа)
Дизель 1Д6БА (вид слева)
Дизель 1Д6БА (вид справа)
Дизель 3Д6 (вид слева)
Дизель 3Д6 (вид справа)
Дизель 7Д6-150 (вид слева)
Дизель 7Д6-150 (вид справа)
Дизель 7Д6-150-11М (вид слева)
Дизель 7Д6-150-11М (вид справа)
Дизель 7Д6-150АФ (вид слева)
Дизель 7Д6-150АФ (вид справа)
Картер
Картер верхний
Коренные подшипники
Картер нижний
Детали нижнего картера
Кожух маховика
Вал коленчатый
Шатун и поршень
Муфта гибкая
Муфта упругая
Муфта гибкая
Привод топливного насоса
Привод газораспределения
Привод генератора
Передача к агрегатам
Блок цилиндров
Распределительные валы
Головка блока
Рубашка цилиндров
Впускной коллектор
Топливный трубопровод низкого давления
Топливный трубопровод низкого давления
Установка топливного фильтра
Топливный фильтр
Топливный насос и муфта привода
Корпус топливного насоса
Нагнетающая секция топливного насоса
Кулачковый вал, толкатели и рейка топливного насоса
Измеритель скорости регулятора
Корпус регулятора
Крышка регулятора
Крышка регулятора
Букса шарикоподшипника
Катаракт топливного насоса
Клапан выключения подачи топлива
Трубопровод высокого давления и слив топлива из форсунок
Форсунка
Установка воздухоочистителя
Привод топливного насоса и детали управления дизелем
Выпускной коллектор
Водяной насос
Валик водяного насоса
Трубопровод водяной
Водяной охладитель
Водомасляный охладитель
Радиатор и регулятор температуры воды
Привод воздуха к воздухораспределителю
Воздухораспределитель
Трубопровод воздушного пуска
Корпус привода вентилятора
Шкив привода вентилятора
Передняя балка
Шкив и крыльчатка вентилятора
Натяжной шкив вентилятора
Корпус привода насоса забортной воды
Передняя балка и детали привода насоса
Шестерня привода насоса
Насос забортной воды
Корпус насоса забортной воды
Валик насоса забортной воды
Масляный насос
Корпус масляного насоса
Детали масляного насоса
Патрубок масляного насоса
Трубопровод масляный
Электромаслоподкачивающий насос
Корпус электромаслоподкачивающего насоса
Крышка электромаслоподкачивающего насоса
Трубопровод масляный
Масляный фильтр (для дизелей, выпускаемых с 1977г.)
Масляный фильтр (для дизелей, выпущенных до 1977г.)
Крышка масляного фильтра (для дизелей, выпущенных до 1977г.)
Ручной маслоподкачивающий насос
Механизм дистанционного управления
Детали редуктора дистанционного управления
Редуктор дистанционного управления
Панель управления
Рукоятка управления дизелем
Дистанционное управление дизелем
Редуктор дистанционного управления
Редуктор дистанционного управления
Установка контрольно-измерительных приборов
Установка щитка управления
Панель приборов
Панель управления
Первичный преобразователь тахометра
Установка щитка управления дизелем
Панель приборов
Блок микровыключателей
Блок микровыключателей
Детали электрической схемы щитка
Стартер, контактор, генератор и муфта привода генератора
Провода от щитка управления к агрегатам дизеля
Узлы и агрегаты электрооборудования, расположенные вне дизеля
Вал отбора мощности
Детали вала отбора мощности
Реверс-редуктор
Корпус реверс-редуктор
Реверсивная муфта
Ролик включения
Бугель шарикоподшипника
Валик включения реверс-редуктора
Ведущая шестерня переднего хода
Ведущая шестерня и крышка вала заднего хода
Выходной вал и передняя крышка
Задняя крышка выходного вала
Шестерня промежуточного заднего хода
Приспособления для технического обслуживания дизеля
Инструмент
Инструмент
Инструмент
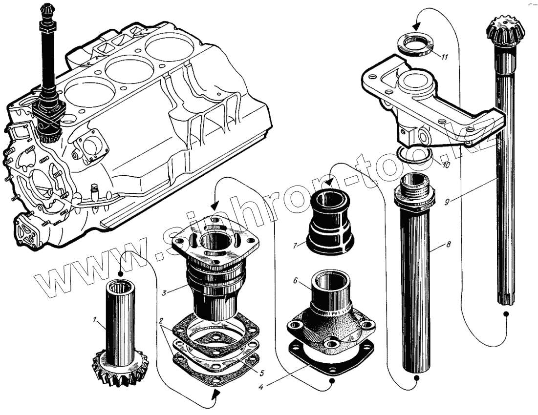
1
2
3
4
5
6
7
8
9
10
11
Позиция на иллюстрации
Заводской номер детали
Название детали
1
308-68-2
Шестерня наклонного валика
2
308-105
Прокладка
3
308-14-11
Подшипник шестерни наклонного валика
4
308-93
Прокладка
5
301-96
Прокладка
6
308-83-8
Стакан кожуха
7
308-174А
Втулка
8
сб.308-09-3
Кожух наклонного валика
9
308-67-1
Валик наклонный
10
355-09
Кольцо уплотнительное 36х42
11
308-95
Кольцо установочное
Содержащиеся в справочниках-каталогах запасные части и детали не предлагаются к продаже, а носят исключительно информационный характер
Дополнительная информация
×
Название:
Номер:
Примечание: