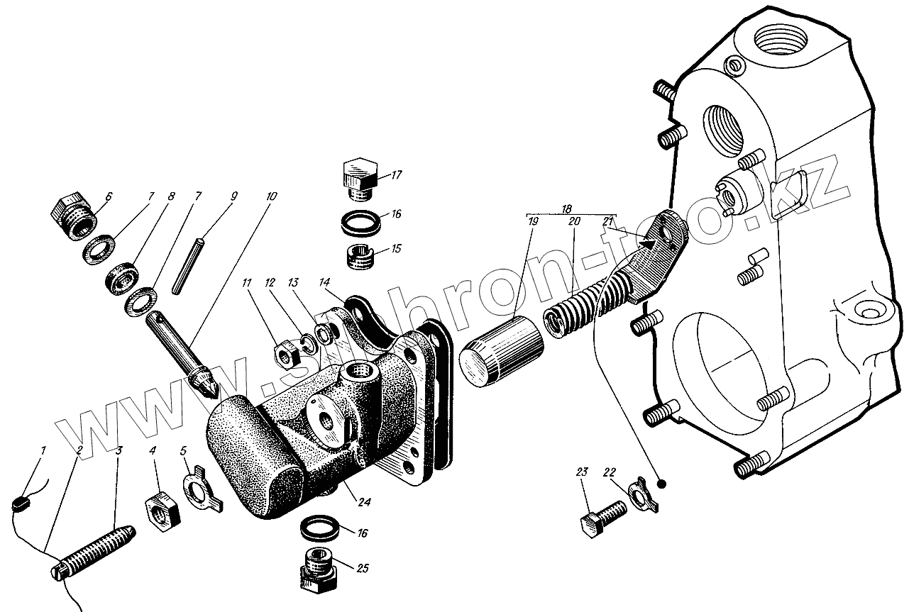
Каталог запасных частей к технике: Барнаултрансмаш Дизели Д6С1. Катаракт топливного насоса
сб.527-280-2
1
2
3
4
5
6
7
7
8
9
10
11
12
13
14
15
16
16
17
18
19
20
21
22
23
24
25
| Позиция на иллюстрации | Заводской номер детали | Название детали | |
|---|---|---|---|
| сб.527-280-2 | сб.527-280-2 | Катаракт в сборе | |
| 1 | 315-141 | Пломба | |
| 2 | 354-22 | Проволока стопорная | |
| 3 | 515-49 | Винт ограничителя | |
| 4 | 351-02 | Гайка М8 | |
| 5 | 353-16-1 | Шайба стопорная 8 | |
| 6 | 523-66 | Гайка нажимная | |
| 7 | 523-68 | Шайба сальника | |
| 8 | 523-67А | Кольцо уплотнительное | |
| 9 | 527290 | Рукоятка крана | |
| 10 | 527-291-1А | Кран катаракта | |
| 11 | 351-06 | Гайка М6 | |
| 12 | 353-23 | Шайба пружинная 6Т | |
| 13 | 353-04-1 | Шайба чистая 6 | |
| 14 | 527-265 | Прокладка | |
| 15 | сб.527-28 | Фильтр катаракта | |
| 16 | 529-31 | Шайба | |
| 17 | 301-101 | Заглушка | |
| 18 | сб.527-25 | Поршень с пружиной и планкой | |
| 19 | 527-261 | Поршень катаракта | |
| 20 | 527-262 | Пружина катаракта | |
| 21 | 527-263 | Планка катаракта | |
| 22 | 353-11 | Шайба стопорная 7 | |
| 23 | 556-56 | Болт М6х12 | |
| 24 | 527-260-5 | Корпус катаракта | |
| 25 | 527-264 | Пробка отстойник |
Содержащиеся в справочниках-каталогах запасные части и детали не предлагаются к продаже, а носят исключительно информационный характер