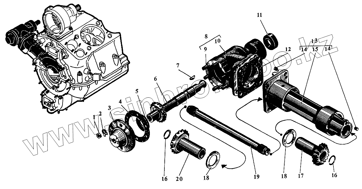
Каталог запасных частей к технике: Барнаултрансмаш Дизели Д12С2. Привод генератора
1
2
3
4
5
6
7
8
9
10
11
12
13
14
14
15
16
16
17
18
18
19
20
| Позиция на иллюстрации | Заводской номер детали | Название детали | |
|---|---|---|---|
| 1 | 351-06 | Гайка М6 | |
| 2 | 353-11 | Шайба стопорная 7 | |
| 3 | 3308-52 | Крышка корпуса привода генератора | |
| 4 | 308-24 | Прокладка | |
| 5 | 308-82-2 | Кольцо установочное | |
| 6 | 508-71-1 | Валик горизонтальный привода генератора | |
| 7 | 308-88 | Шпонка сегментная | |
| 8 | сб.308-07-11 | Корпус привода генератора | |
| 9 | 550-101 | Шпилька М6х26 | |
| 10 | 308-47-13 | Корпус привода генератора | |
| 11 | сб.511-96-2 | Манжета с пружиной | |
| 12 | 308-60 | Прокладка | |
| 13 | сб.308-13 | Подшипник наклонной передачи к генератору | |
| 14 | 356-63 | Заглушка | |
| 15 | 308-25-4 | Подшипник наклонной передачи к генератору | |
| 16 | 308-19 | Кольцо стопорное | |
| 17 | 308-168 | Шестерня привода генератора нижняя | |
| 18 | 308-72-2 | Кольцо установочное | |
| 19 | 508-169 | Рессора наклонной передачи к генератору | |
| 20 | 308-70-2 | Шестерня привода генератора верхняя |
Содержащиеся в справочниках-каталогах запасные части и детали не предлагаются к продаже, а носят исключительно информационный характер