Каталог запасных частей к технике: Барнаултрансмаш Дизели Д12С2. Насос электромаслопрокачивающий
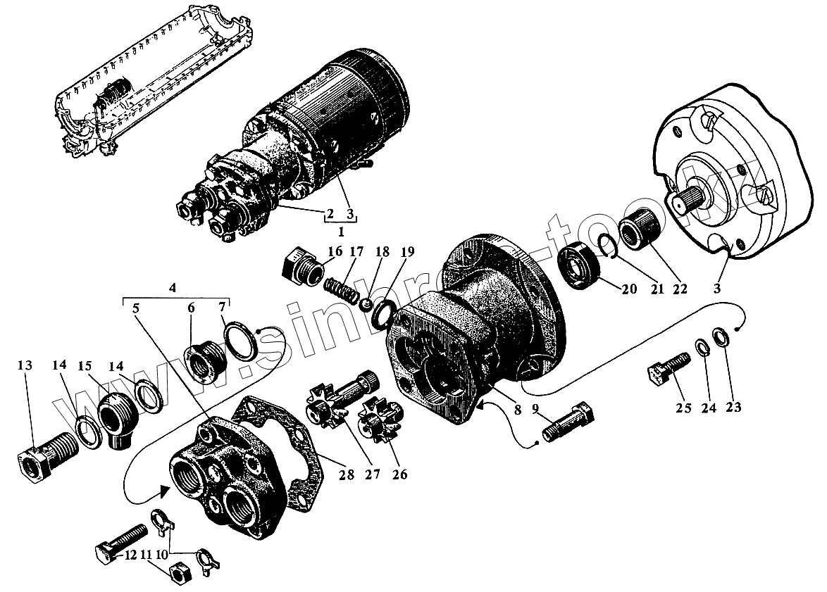
1
2
3
3
4
5
6
7
8
8
9
10
11
12
13
14
14
15
16
17
18
19
20
21
22
23
24
25
26
27
28
| Позиция на иллюстрации | Заводской номер детали | Название детали | |
|---|---|---|---|
| 1 | сб.546М-11-1 | Насос электромаслоподкачивающий | |
| 2 | сб.546М-00-2 | Насос маслоподкачивающий | |
| 3 | 346-05 | Электродвигатель МН-1 | |
| 4 | сб.546М-02 | Крышка | |
| 5 | 546М-03 | Крышка электромаслопрокачивающего насоса | |
| 6 | 546-04 | Втулка | |
| 7 | 355-10 | Кольцо уплотнительное 24х30 | |
| 8 | сб.546М-01 | Корпус электромаслопрокачивающего насоса | |
| 8 | 546М-02 | Корпус электромаслопрокачивающего насоса | |
| 9 | 356-70-2 | Болт призонный М8х35 | |
| 10 | 353-16-1 | Шайба стопорная 8 | |
| 11 | 351-02 | Гайка М8 | |
| 12 | 356-73 | Болт М8х30 | |
| 13 | 3327-112 | Зажим | |
| 14 | 355-08 | Кольцо уплотнительное 18х24 | |
| 15 | 335-29 | Угольник поворотный | |
| 16 | 346-19 | Корпус перепускного клапана | |
| 17 | 346-20 | Пружина перепускного клапана | |
| 18 | БЧ | Подшипник | |
| 19 | 355-11 | Кольцо уплотнительное 16х22 | |
| 20 | сб.3346-07 | Манжета с пружиной | |
| 21 | 4546-22 | Кольцо стопорное | |
| 22 | 4546-11 | Втулка шлицевая | |
| 23 | 353-05-1 | Шайба чистая 8 | |
| 24 | 353-24 | Шайба пружинная 8Т | |
| 25 | 556-07 | Болт М8х22 | |
| 26 | 346-09 | Шестерня ведомая | |
| 27 | 346-08 | Шестерня ведущая | |
| 28 | 346-10А | Прокладка |
Содержащиеся в справочниках-каталогах запасные части и детали не предлагаются к продаже, а носят исключительно информационный характер