Каталог запасных частей к технике: Барнаултрансмаш Дизели Д12С2. Детали топливного насоса
1
2
3
4
5
6
6
7
8
9
10
11
12
13
14
15
16
17
18
19
20
21
22
23
24
25
26
27
28
29
29
30
30
31
32
33
34
35
36
37
38
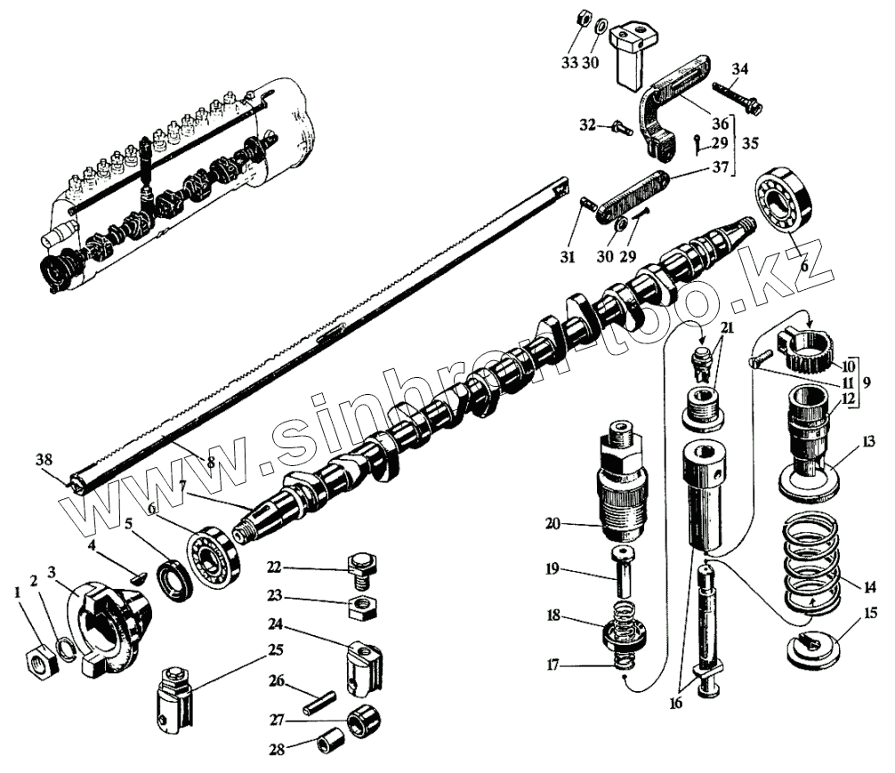
| Позиция на иллюстрации | Заводской номер детали | Название детали | |
|---|---|---|---|
| 1 | 527-97 | Гайка М18 | |
| 2 | 353-29 | Шайба пружинная 18Н | |
| 3 | 527-96-1 | Муфта кулачковая | |
| 4 | 308-90 | Шпонка сегментная | |
| 5 | сб.327-18-1А | Манжета с пружиной | |
| 6 | 7205 | Подшипник | |
| 7 | 3327-41 | Вал топливного насоса | |
| 8 | 1227-75-5 | Рейка регулирующая | |
| 9 | сб.3327-06 | Гильза поворотная | |
| 10 | 327-55-1 | Венец зубчатый | |
| 11 | 327-56-1 | Шуруп венца | |
| 12 | 3327-54 | Гильза поворотная | |
| 13 | 3327-80-1 | Тарелка пружины верхняя | |
| 14 | 527-79 | Пружина плунжера | |
| 15 | 3327-81-1 | Тарелка пружины нижняя | |
| 16 | сб.527-07-2 | Пара плунжерная | |
| 17 | 327-78-7 | Пружина клапана | |
| 18 | 3327-61-2А | Прокладка | |
| 19 | 3327-121-1 | Ограничитель | |
| 20 | 527-77 | Штуцер нажимной | |
| 21 | сб.527-08 | Клапан нагнетательный | |
| 22 | 327-51-3 | Болт регулировочный | |
| 23 | 327-52 | Контргайка толкателя | |
| 24 | 327-91-51 | Корпус толкателя | |
| 25 | сб.527-15-3 | Толкатель | |
| 26 | 327-93-1 | Палец толкателя | |
| 27 | 527-92 | Ролик толкателя | |
| 28 | 527-95-1 | Втулка ролика толкателя | |
| 29 | 354-17 | Шплинт разводной 2х12 | |
| 30 | 353-04-1 | Шайба чистая 6 | |
| 31 | 527-74 | Палец рейки | |
| 32 | 515-635-1 | Палец рейки звена | |
| 33 | 351-06 | Гайка М6 | |
| 34 | 515-625-1 | Болт поводка | |
| 35 | сб.515-606 | Звено рейки | |
| 36 | 515-643 | Поводок рейки | |
| 37 | 515-44 | Звено рейки | |
| 38 | 327-95 | Ролик игольчатый 2,5х13,8 |
Содержащиеся в справочниках-каталогах запасные части и детали не предлагаются к продаже, а носят исключительно информационный характер