Каталог запасных частей к технике: Барнаултрансмаш Дизели Д12С2. Блок цилиндров
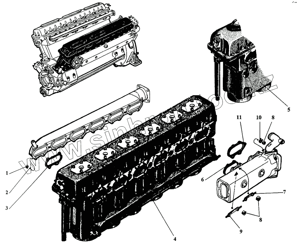
1
2
3
3
4
4
5
5
6
7
8
8
9
10
11
| Позиция на иллюстрации | Заводской номер детали | Название детали | |
|---|---|---|---|
| 1 | 351-02 | Гайка М8 | |
| 2 | 353-24 | Шайба пружинная 8Т | |
| 3 | 306-89 | Прокладка под фланец впускного коллектора | |
| 3 | 506-89-1 | Прокладка | |
| 4 | сб.1206-13-5 | Блок цилиндров левый в сборе | |
| 4 | сб.1206-12-5 | Блок цилиндров правый в сборе | |
| 5 | сб.1206-13 | Блок цилиндров левый в сборе | |
| 5 | сб.1206-12 | Блок цилиндров правый в сборе | |
| 6 | 506-116 | Прокладка | |
| 7 | 553-37-1 | Шайба стопорная 10 | |
| 8 | 351-50 | Гайка М10 | |
| 9 | 553-37-1-01 | Шайба стопорная 10 | |
| 10 | 353-15 | Шайба стопорная 11 | |
| 11 | 1206Н-116-1 | Прокладка |
Содержащиеся в справочниках-каталогах запасные части и детали не предлагаются к продаже, а носят исключительно информационный характер