Вернуться на главную
Поиск
Каталоги запчастей к технике
Двигатели
Барнаултрансмаш
Дизели Д12С1
Валик дистанционного управления и привод топливного насоса
Каталог запасных частей к технике: Барнаултрансмаш Дизели Д12С1. Валик дистанционного управления и привод топливного насоса
zoom-in
zoom-out
enlarge
shrink
circle-right
circle-left
file-text2
info
cart
Тип техники
Не выбрано
Легковые автомобили
Грузовые автомобили и прицепы
Автобусы
Сельхозтехника
Спецтехника
Двигатели
Мототехника
Марка
Не выбрано
BAW
Caterpillar
Cummins
DCEC
DongFeng
Doosan
FAW
Great Wall
Hitachi
HOWO
HSW
IVECO
Komatsu
LGMG
Perkins
Raywin
SDEC
Shaanxi
Valmet
Weichai
XINCHAI
YTO
Yuchai
ZF
Алтайдизель
Барнаултрансмаш
ВТЗ
ГАЗ
ЗиД
ЗМЗ
Камский автозавод
ММЗ
СМД
ТМЗ
УМЗ
ЧТЗ
ЮМЗ
ЯЗДА
ЯМЗ
Модель
Не выбрано
Дизели Д12С1 (2009)
Дизели Д12С2 (2009)
Дизели Д6С1 (2009)
Дизели Д6С2 (2009)
Схема
>
Не выбрано
Картер
Картер верхний
Коренные подшипники
Коренные подшипники
Картер нижний
Детали нижнего картера
Кожух маховика
Суфлер и крышки люков
Вал коленчатый
Вал коленчатый
Шатуны и поршни (для дизелей, выпускаемых с января 1975г.)
Шатуны и поршни (для дизелей, выпущенных до 1975г.)
Муфта гибкая
Подшипник вертикального валика
Корпус привода топливного насоса
Привод газораспределения
Привод генератора
Передача к агрегатам
Блок цилиндров
Головка блока
Патрубки правого блока цилиндров
Распределительные валы правого блока цилиндров
Распределительные валы левого блока цилиндров
Головка блока
Рубашка цилиндров
Подвод воздуха к воздухораспределителю
Подвод воздуха к воздухораспределителю
Воздухораспределитель
Трубопровод воздушного пуска
Трубопровод воздушного пуска
Пусковой клапан
Впускные коллекторы
Впускные коллекторы
Впускные коллекторы
Топливоподкачивающий насос
Топливный трубопровод
Топливный трубопровод
Установка топливного фильтра
Крышка топливного фильтра
Стакан топливного фильтра
Фильтрующий элемент
Топливный трубопровод
Топливный трубопровод
Кронштейн топливного фильтра
Топливный фильтр
Крышка топливного фильтра
Стакан топливного фильтра
Фильтрующий элемент
Топливный насос
Корпус топливного фильтра
Нагнетающая секция
Кулачковый вал, толкатель и рейка топливного насоса
Измеритель скорости регулятора
Корпус регулятора
Крышка регулятора
Крышка регулятора
Букса шарикоподшипника
Катаракт топливного насоса
Упор рейки топливного насоса
Клапан включения подачи топлива
Клапан выключения подачи топлива
Муфта привода топливного насоса
Вилка тяги и труба слива из насоса
Трубки нагнетательные высокого давления
Трубки нагнетательные высокого давления
Трубки слива топлива
Форсунки
Установка воздухоочистителей
Выпускной коллектор
Выпускной коллектор
Водяной насос
Водяной насос и корпус
Корпус водяного насоса и сливной краник
Валик водяного насоса
Трубопровод водяной
Трубопровод охлаждения реверс-редуктора
Водяной охладитель
Водомасляный охладитель
Радиатор и регулятор температуры воды
Корпус привода вентилятора
Шкив привода вентилятора
Передняя балка и крыльчатка вентилятора
Шкив вентилятора
Шкив натяжной
Корпус привода насоса забортной воды
Передняя балка и детали привода насоса
Шестерня привода насоса
Насос забортной воды
Корпус насоса (для дизелей, выпускаемых с июня 1975г.)
Валик насоса забортной воды (для дизелей, выпускаемых с июня 1975г.)
Корпус насоса (для дизелей, выпущенных до июня 1975г.)
Валик насоса забортной воды (для дизелей, выпущенных до июня 1975г.)
Левая опора валика (для дизелей, выпущенных до июня 1975г.)
Правая опора валика (для дизелей, выпущенных до июня 1975г.)
Масляный насос
Детали масляного насоса
Корпус масляного насоса
Патрубок масляного насоса
Трубопровод масляный
Электромаслопрокачивающий насос
Крышка маслопрокачивающего насоса
Корпус электромаслопрокачивающего насоса
Электромаслопрокачивающий насос
Масляный фильтр
Масляный фильтр (для дизелей, выпускаемых с 1977г.)
Масляный фильтр (для дизелей, выпущенных до 1977г.)
Крышка масляного фильтра (для дизелей, выпущенных до 1977г.)
Трубопровод масляный
Трубы слива масла
Муфта сцепления
Корпус муфты сцепления
Механизм муфты сцепления. Вал и барабан муфты.
Механизм муфты сцепления. Ролик включения.
Механизм муфты сцепления. Бугель шарикоподшипника.
Вилка включения муфты
Выходной фланец муфты сцепления
Реверс-редуктор
Корпус реверс-редуктора
Реверсная муфта. Вал переднего хода.
Реверсная муфта. Вал заднего хода и барабан муфты.
Реверсная муфта. Ролик включения.
Реверсная муфта. Бугель шарикоподшипника.
Вилка включения реверс-редуктора
Ведущая шестерня заднего хода
Ведущая шестерня переднего хода
Крышка вала переднего хода
Передняя крышка выходного вала
Вал выходной
Задняя крышка выходного вала
Шестерня промежуточная заднего хода
Рычаг управления реверс-редуктором
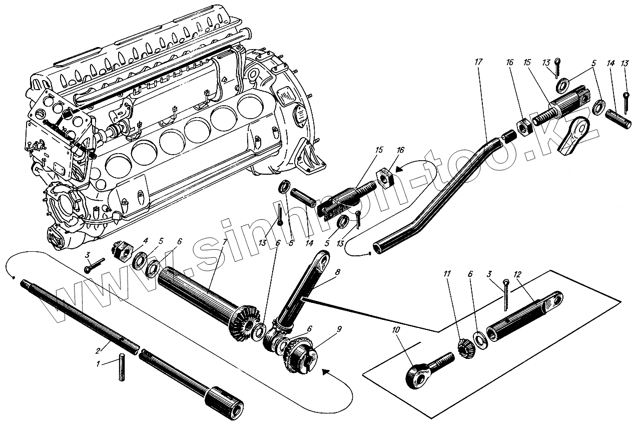
Валик дистанционного управления и привод топливного насоса
Рукоятка управления дизелем
Детали управления дизелем
Рукоятка ручного управления дизелем
Электромеханизм дистанционного управления
Редуктор дистанционного управления
Первичный преобразователь тахометра и детали привода
Кронштейны крепления щитка управления
Щиток управления дизелем
Установка щитка управления дизелем и детали привода топливного насоса
Корпус щитка управления
Детали электрической схемы щитка
Щиток управления
Блок микровыключателей
Стартер, контактор, генератор и муфта привода генератора
Провода от щитка управления к агрегатам дизеля
Узлы и агрегаты электрооборудования, расположенные вне дизеля
Щиток приборов
Щиток приборов и щиток управления
Установка контрольно-измерительных приборов
Вал отбора мощности
Детали вала отбора мощности
Приспособление для технического обслуживания дизеля
Инструмент
Инструмент
Инструмент
1
2
3
3
4
5
5
5
5
6
6
6
6
7
8
9
10
11
12
13
13
13
13
14
14
15
15
16
16
17
Позиция на иллюстрации
Заводской номер детали
Название детали
1
515-18
Штифт
2
сб.1237-30-1
Валик дистанционного управления
3
354-12
Шплинт разводной 2х20
4
305-45-1
Гайка
5
353-05-1
Шайба чистая 8
6
1237-113-1
Шайба регулировочная
7
1237-102-1
Шестерня ручного управления
8
сб.1237-153
Рычаг водила в сборе
9
587-78-1
Шестерня дистанционного управления
10
1237-107-3
Водило
11
1237-103-1
Сателлит
12
1237-106-3
Рычаг водила
13
354-19
Шплинт разводной 3,2х18
14
334-24
Валик тяги
15
334-14А
Вилка тяги подачи
16
351-02
Гайка М8
17
1237-77-10
Трубка тяги подачи
Содержащиеся в справочниках-каталогах запасные части и детали не предлагаются к продаже, а носят исключительно информационный характер
Дополнительная информация
×
Название:
Номер:
Примечание: